Brake line leak

Tiny
DOUGPARKS567
  • MEMBER
  • 2001 CADILLAC SEVILLE
  • 4.6L
  • V8
  • 130,000 MILES
I'm having a brake leak near engine coming from the master cylinder brake line going to tabs module. Was wondering if this is an easy fix and how to repair?
Wednesday, February 20th, 2019 AT 2:08 PM

11 Replies

Tiny
ASEMASTER6371
  • MECHANIC
  • 52,796 POSTS
Good evening,

You would need to secure the line from either the dealer or a parts store and replace.

The hard part will be the bleeding procedure. The ABS requires a scan tool to perform the automated bleeding procedure to get the air out of the unit.

Roy

Automated Bleed Procedure

Notice: The Auto Bleed Procedure may be terminated at any time during the process by pressing the EXIT button. No further Scan Tool prompts pertaining to the Auto Bleed procedure will be given. After exiting the bleed procedure, relieve bleed pressure and disconnect bleed equipment per manufacturer's instructions. Failure to properly relieve pressure may result in spilled brake fluid causing damage to components and painted surfaces.

1. Raise the vehicle on a suitable support. Refer to Vehicle Lifting.
2. Remove all four tire and wheel assemblies.
3. Inspect the brake system for leaks and visual damage. Refer to Brake Fluid Loss or Symptoms - Hydraulic Brakes. Repair or replace as needed.
4. Inspect the battery state of charge.
5. Install a scan tool.
6. Turn ON the ignition, with the engine OFF.
7. With the scan tool, establish communications with the EBCM. Select Special Functions. Select Automated Bleed from the Special Functions menu.
8. Bleed the base brake system.
9. Follow the scan tool directions until the desired brake pedal height is achieved.
10. If the bleed procedure is aborted, a malfunction exists. Perform the following steps before resuming the bleed procedure:
If a DTC is detected, refer to Diagnostic Trouble Code (DTC) List and diagnose the appropriate DTC.
If the brake pedal feels spongy, perform the conventional brake bleed procedure again.
11. When the desired pedal height is achieved, press the brake pedal in order to inspect for firmness.
12. Remove the scan tool.
13. Install the tire and wheel assemblies.
14. Inspect the brake fluid level.
15. Road test the vehicle while inspecting that the pedal remains high and firm.
Was this
answer
helpful?
Yes
No
Wednesday, February 20th, 2019 AT 2:41 PM
Tiny
DOUGPARKS567
  • MEMBER
  • 60 POSTS
Thanks, I appreciate it!
Was this
answer
helpful?
Yes
No
Wednesday, February 20th, 2019 AT 2:53 PM
Tiny
ASEMASTER6371
  • MECHANIC
  • 52,796 POSTS
You are welcome.

Always glad to help.

Roy
Was this
answer
helpful?
Yes
No
Wednesday, February 20th, 2019 AT 2:55 PM
Tiny
DOUGPARKS567
  • MEMBER
  • 60 POSTS
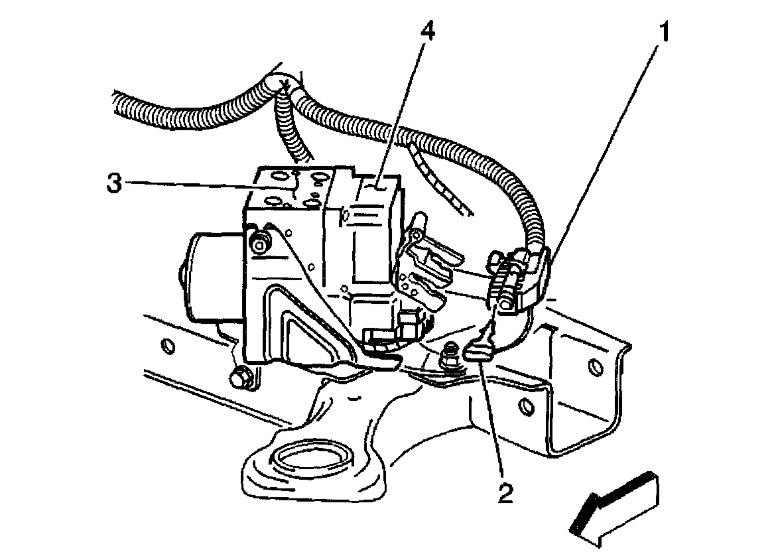
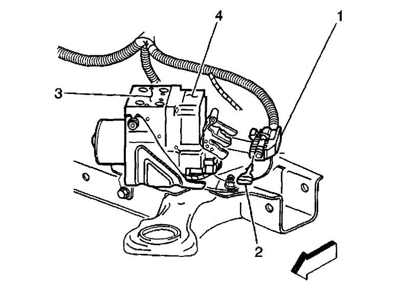
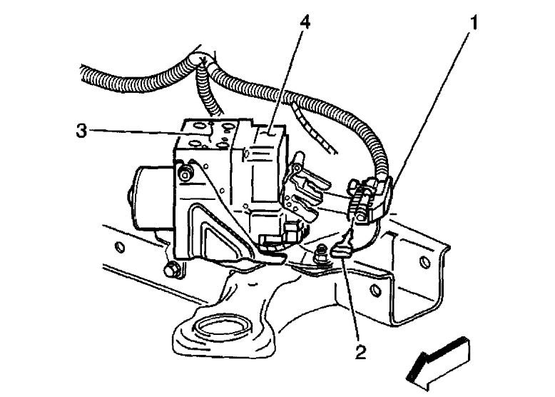
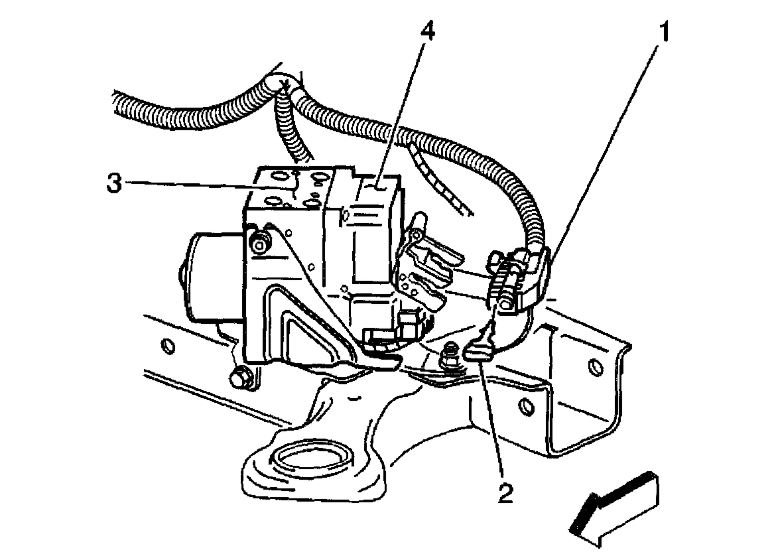
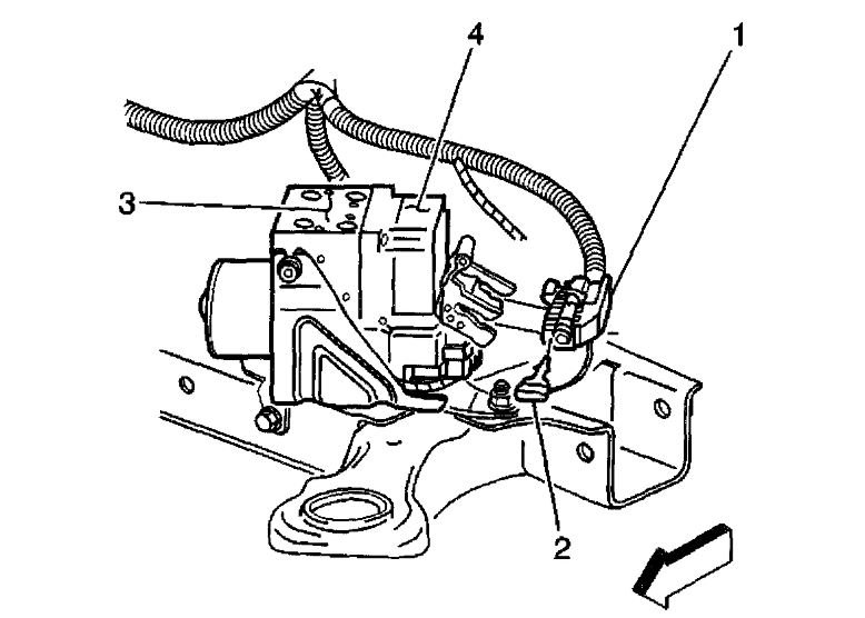
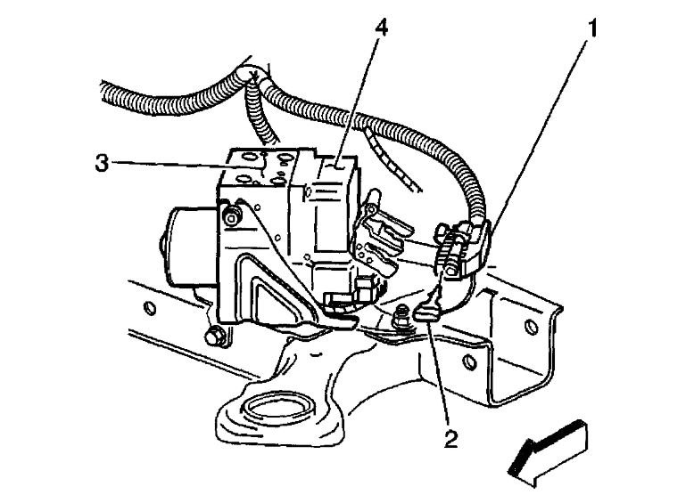
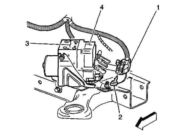
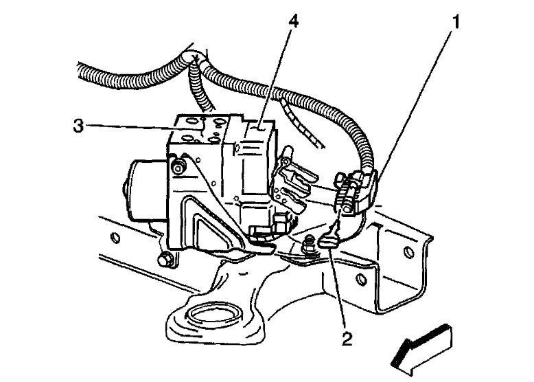
I'm trying to figure out exactly where the ABS modulator is located on a 2001 Cadillac Seville?
Was this
answer
helpful?
Yes
No
Thursday, February 21st, 2019 AT 2:43 PM
Tiny
ASEMASTER6371
  • MECHANIC
  • 52,796 POSTS
Left front on the sub frame.

Roy
Was this
answer
helpful?
Yes
No
Thursday, February 21st, 2019 AT 3:53 PM
Tiny
DOUGPARKS567
  • MEMBER
  • 60 POSTS
Awesome! Thanks again!
Was this
answer
helpful?
Yes
No
Thursday, February 21st, 2019 AT 5:01 PM
Tiny
ASEMASTER6371
  • MECHANIC
  • 52,796 POSTS
You are welcome.

Roy
Was this
answer
helpful?
Yes
No
Thursday, February 21st, 2019 AT 5:33 PM
Tiny
DOUGPARKS567
  • MEMBER
  • 60 POSTS
Gm.I locate the ABS module, traced the brake lines and found out it's the lines coming out the ABS unit that are leaking. Just wondering how to actually get to the ABS unit to remove lines/replace. Is there some engine components I must remove to make it more accessibly? And will I still need scanner tool to bleed after the repair is done since its downstream from the ABS?
Was this
answer
helpful?
Yes
No
Friday, February 22nd, 2019 AT 3:54 AM
Tiny
ASEMASTER6371
  • MECHANIC
  • 52,796 POSTS
You can get to them from under the car. You will need to lift the front end up for you to access the unit and the lines.

Yes, you need to do the automated procedure I posted back in the beginning.

Roy
Was this
answer
helpful?
Yes
No
Friday, February 22nd, 2019 AT 6:21 AM
Tiny
DOUGPARKS567
  • MEMBER
  • 60 POSTS
Alright, thanks Roy.
Was this
answer
helpful?
Yes
No
Friday, February 22nd, 2019 AT 7:01 AM

Please login or register to post a reply.