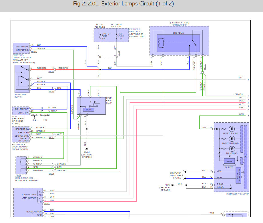
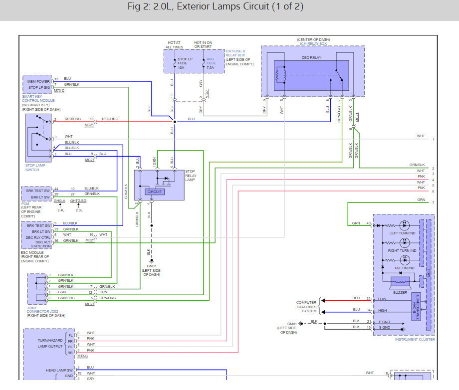
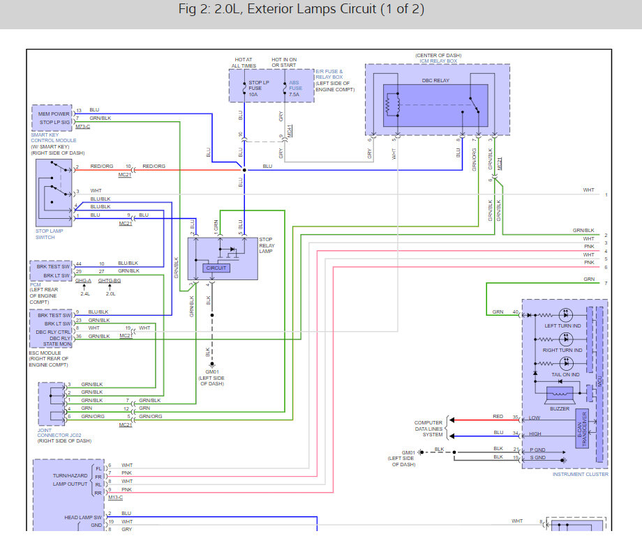
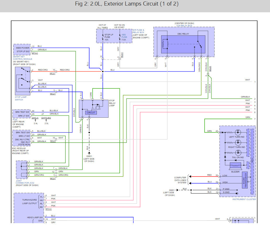
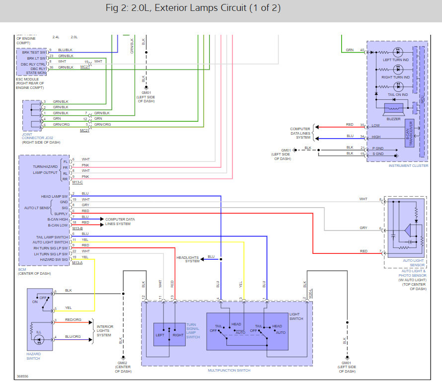
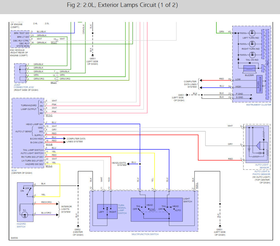
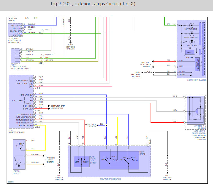
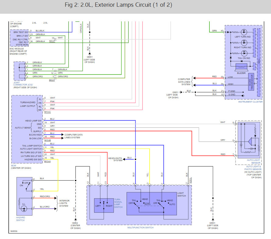
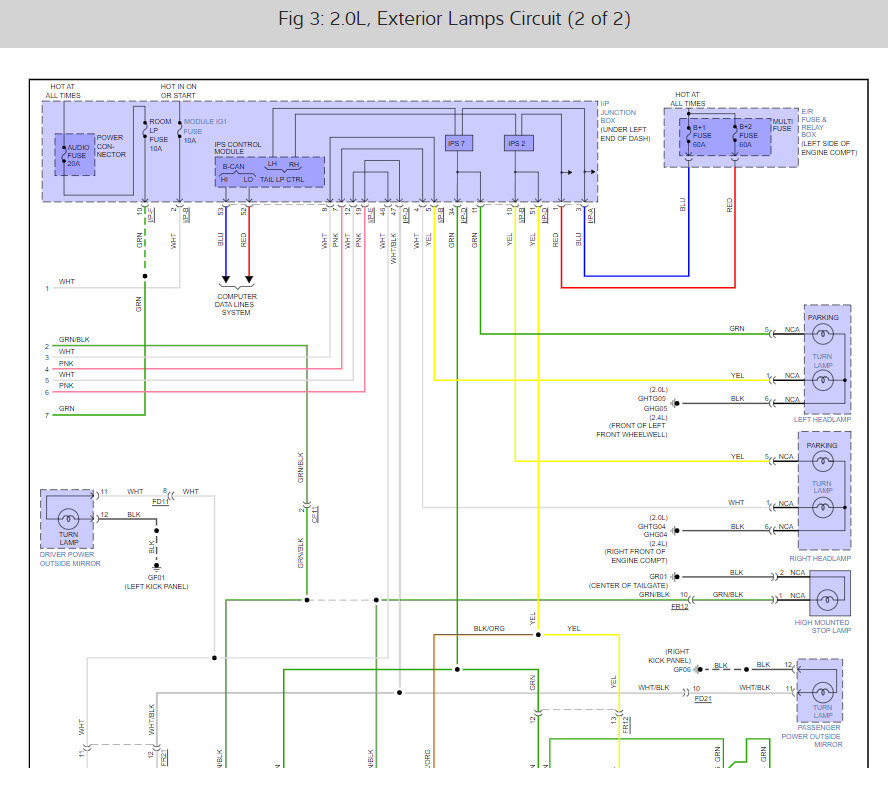
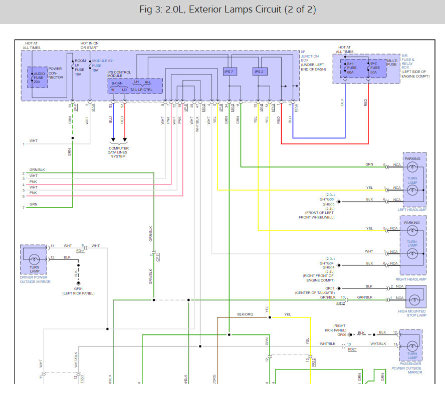
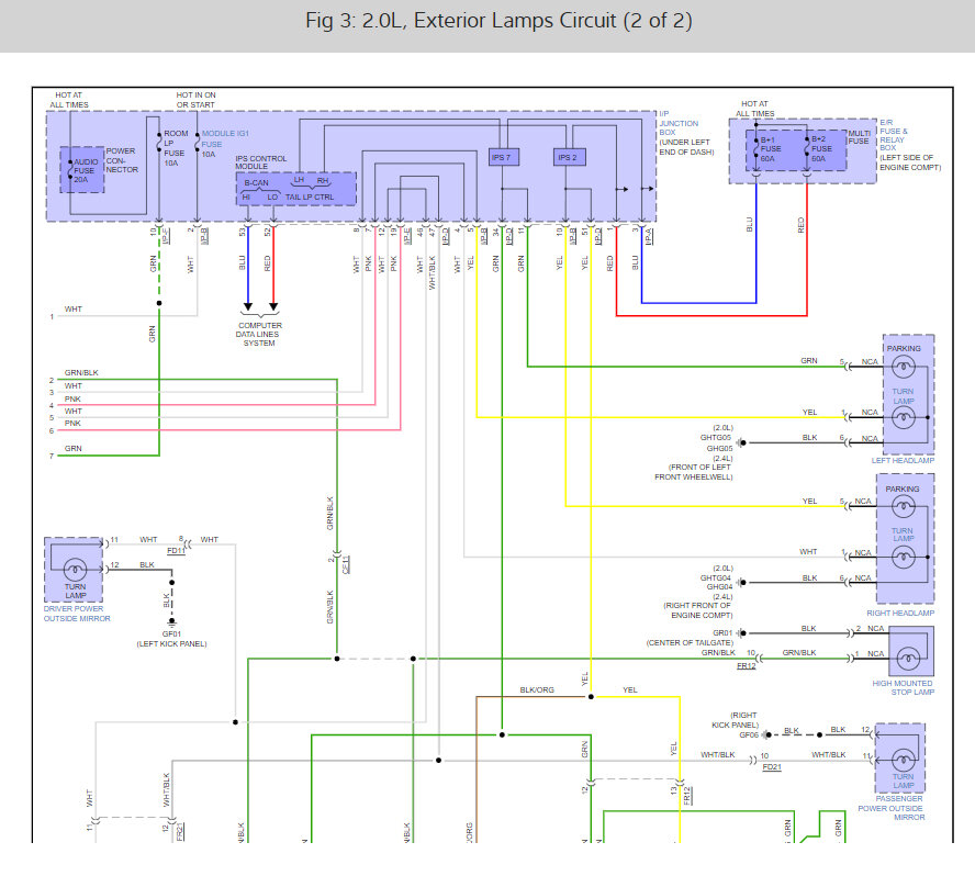
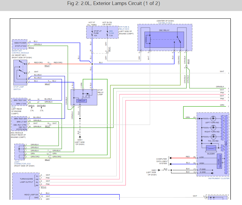
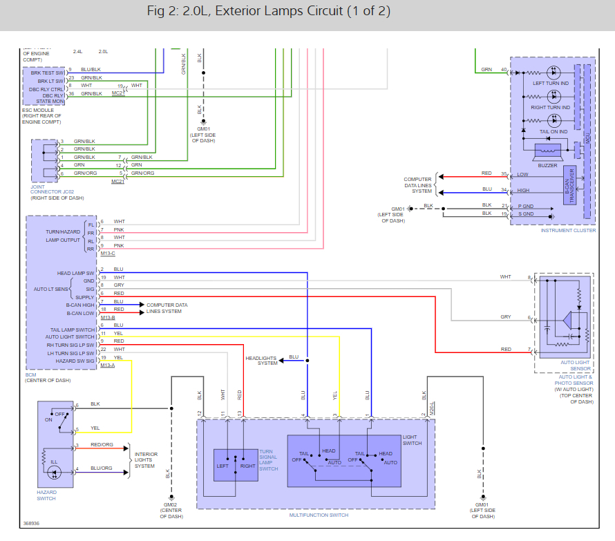
Soon as I connect the battery comes on the brake lights stay on even with the key out. We tried brake switch and seemed to be same problem. I've seen online where it could be a rubber bit on the brake switch but seeing that the brake switch replaced it can't be that or could it? The fluid isn't low either as we checked so I'm not sure what it could be.
Sunday, November 6th, 2022 AT 7:38 AM








