Brake lights not working, although the third brake light does work?

Tiny
GOLDENBOY1178
  • MEMBER
  • 2005 HONDA ACCORD
  • 4 CYL
  • 2WD
  • MANUAL
  • 99,000 MILES
Checked fuses, and bulbs, all good. Since the third brake light above the trunk works, not checked the brake light switch. Horn, turn signals and back up lights all work. What could be wrong?

Thank you!
Friday, August 26th, 2022 AT 9:45 AM

1 Reply

Tiny
KEN L
  • MASTER CERTIFIED MECHANIC
  • 55,335 POSTS
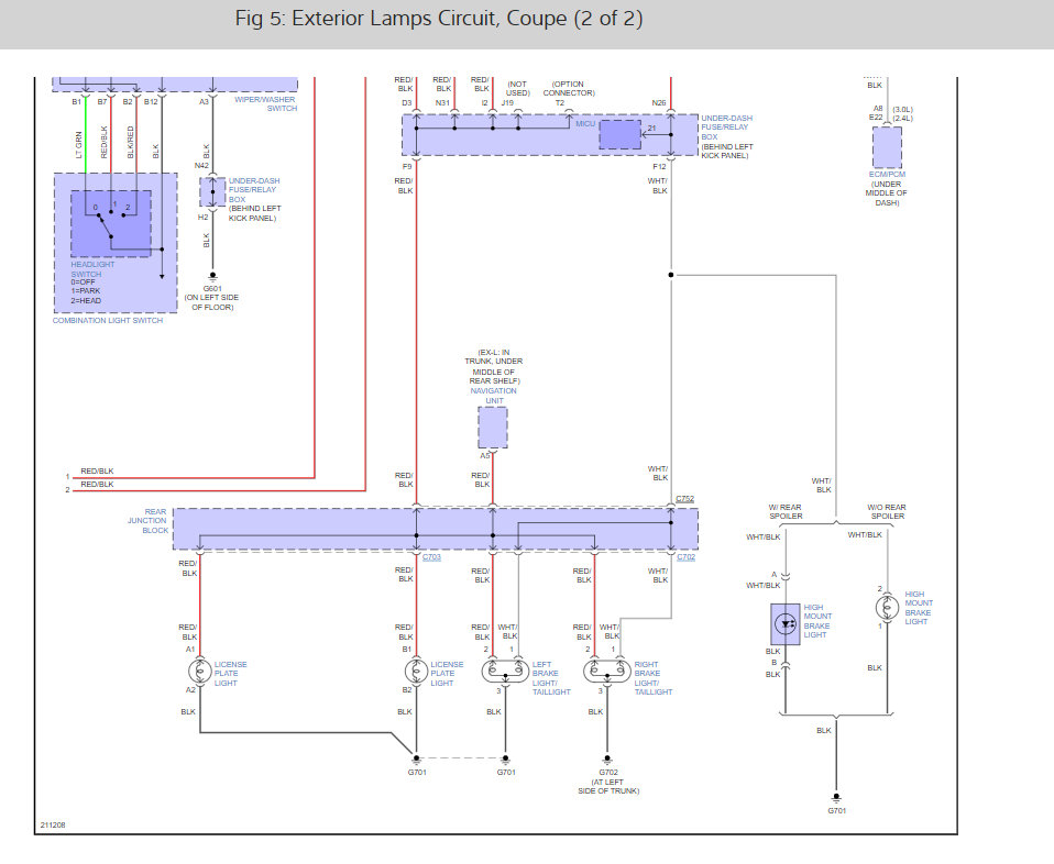
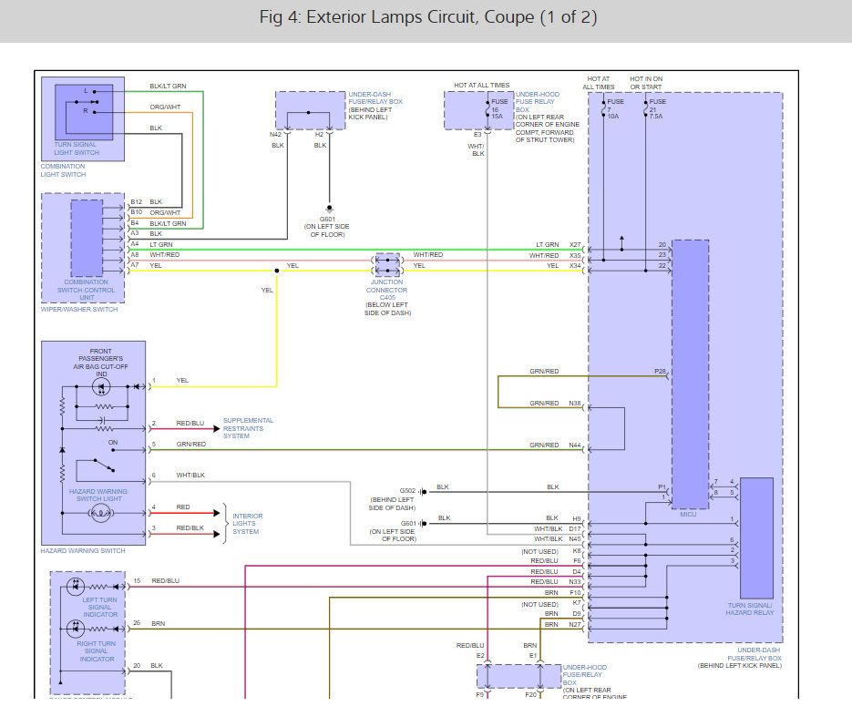
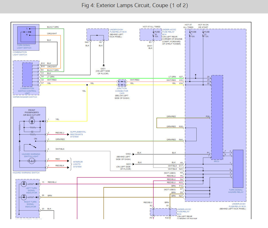
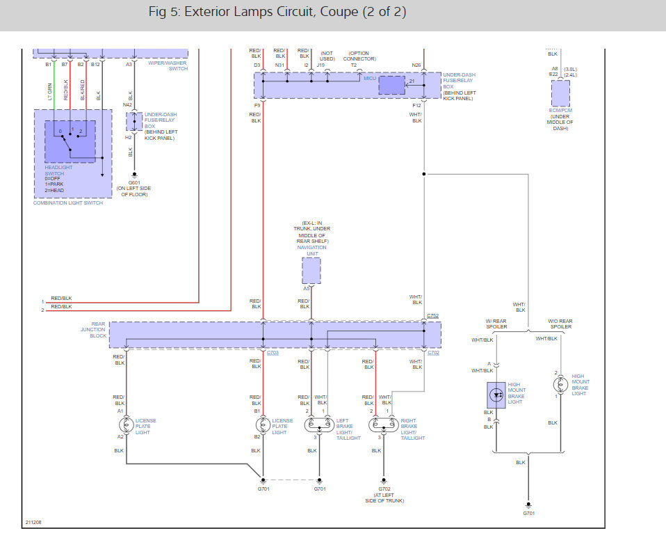
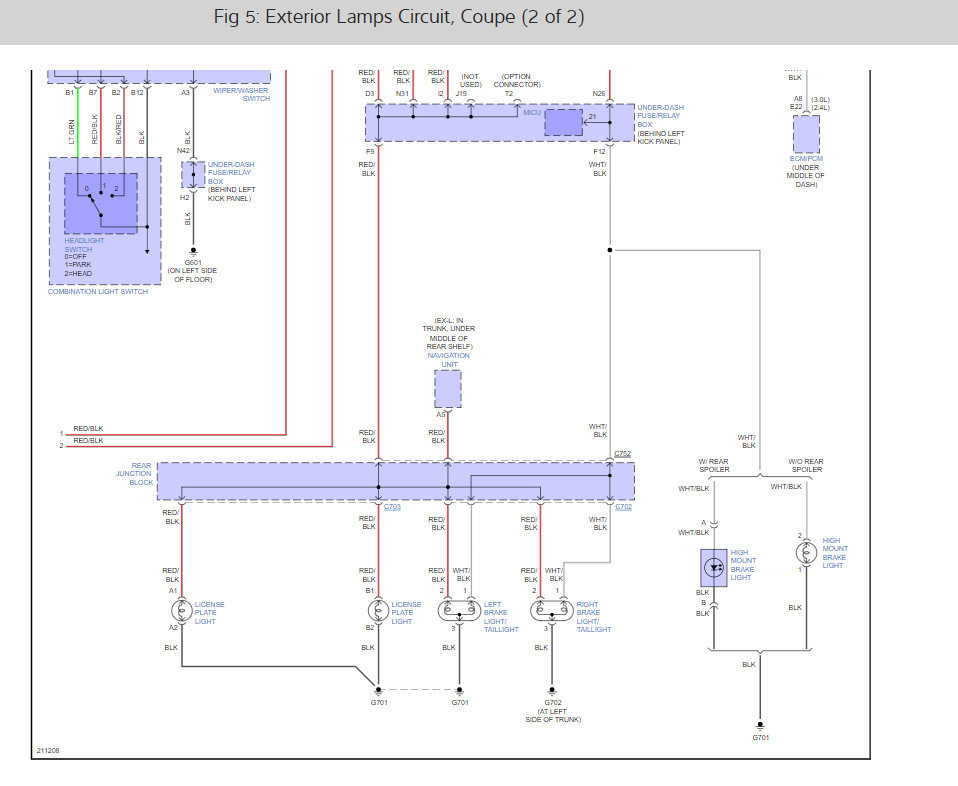
Yep, this happens when the left side of the dash fuse panel MICU goes out. Here are the brake light wiring diagrams so you can see how the brake lights work, you can see the brake light switch splits off from the upper brake light to the two lower ones. Here is how to change out the MICU as well which is integrated inside the fuse panel. Check out the images below and let me know what happens.
Was this
answer
helpful?
Yes
No
Friday, August 26th, 2022 AT 11:34 AM

Please login or register to post a reply.