Thursday, September 24th, 2020 AT 5:23 PM
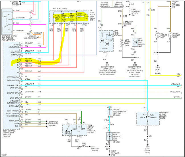
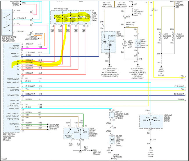
Recently my brake lights will not shut off with the key on. I have replaced the brake switch with a new OEM switch. I started removing fuses to see what was powering the lights. When I remove the LT stop trn, RT stop trn fuses the respective side brake light shuts off and just the running lights stay on, however the brake lights will not work when pedal is depressed. Not sure if It is potentially a shorted wire or possibly bad control module?




