The brake lights are always on?

Tiny
SIERSEMA
  • MEMBER
  • 2001 INFINITI QX4
  • 3.5L
  • 6 CYL
  • 2WD
  • AUTOMATIC
  • 175,000 MILES
Replaced brake light switch, no help. Check and topped off brake fluid, no help. I have removed the fuse to conserve the battery.
Tuesday, November 8th, 2022 AT 3:42 PM

4 Replies

Tiny
JACOBANDNICKOLAS
  • MECHANIC
  • 110,194 POSTS
Hi,

I need you to try something. Since the lights go off when you remove the fuse, I suspect the switch is actuated and allowing power to pass.

Install the fuse and disconnect the brake lamp switch and let me know if the light turns off. If it does, remove the switch. Reconnect the switch to power. See if the lights turn off with the switch removed from its mount. By hand actuate the switch on and off to see if the lights respond.

It could be an adjustment issue with the switch.

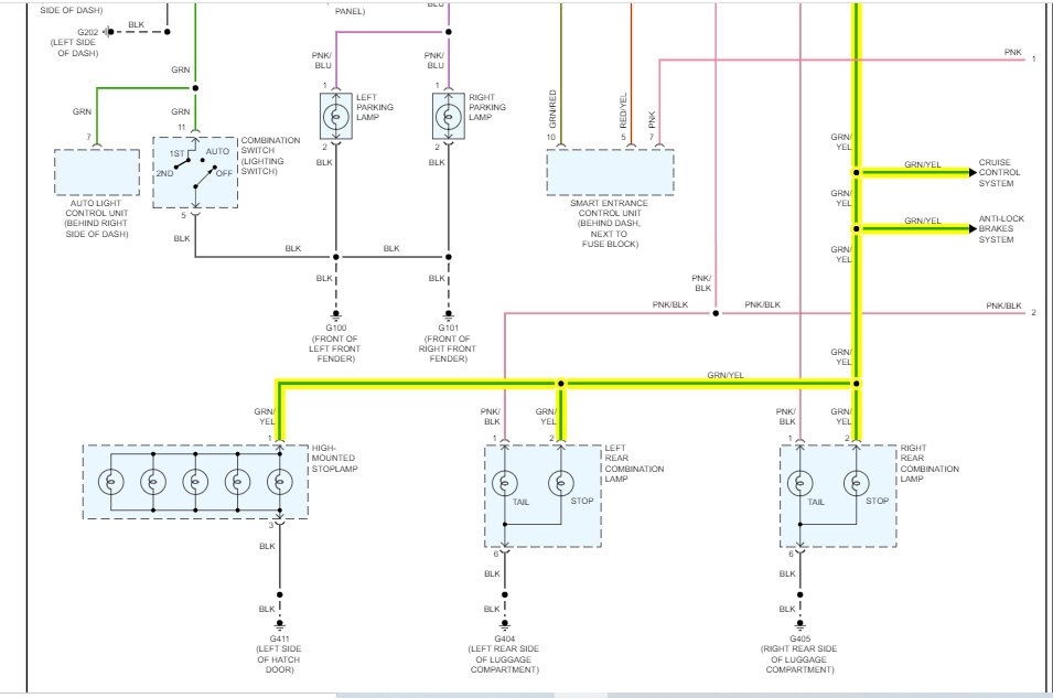
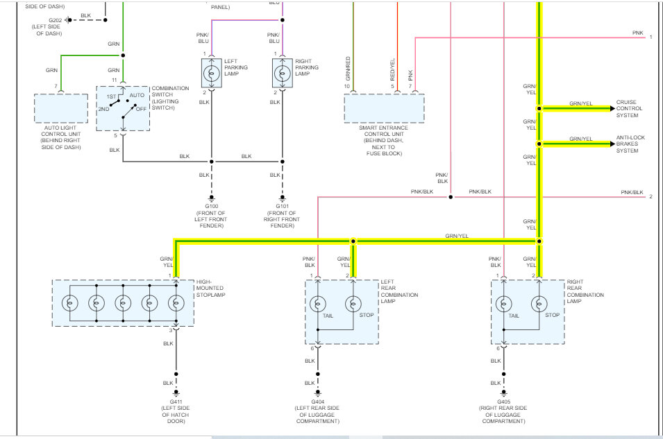
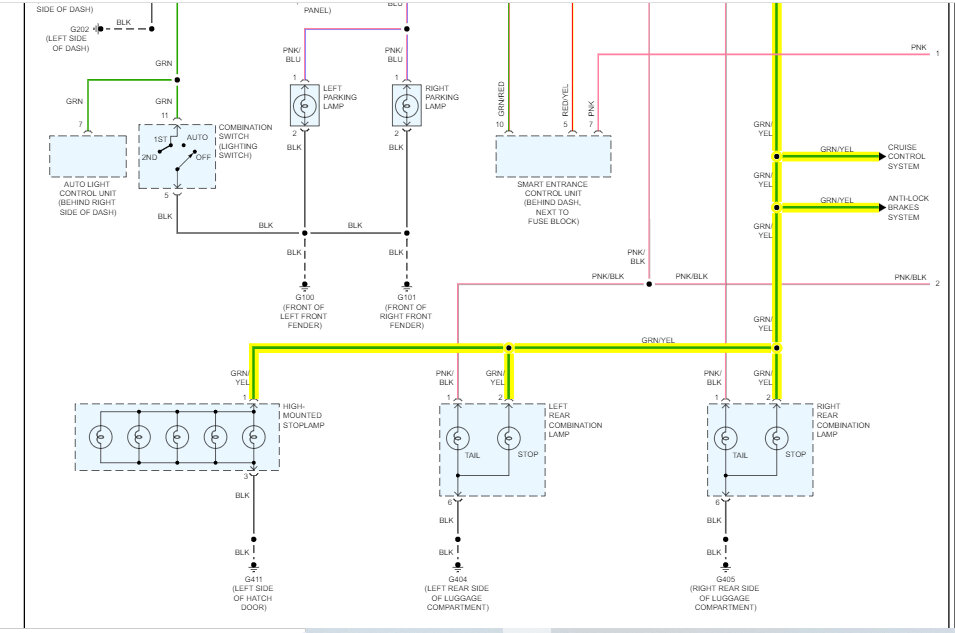
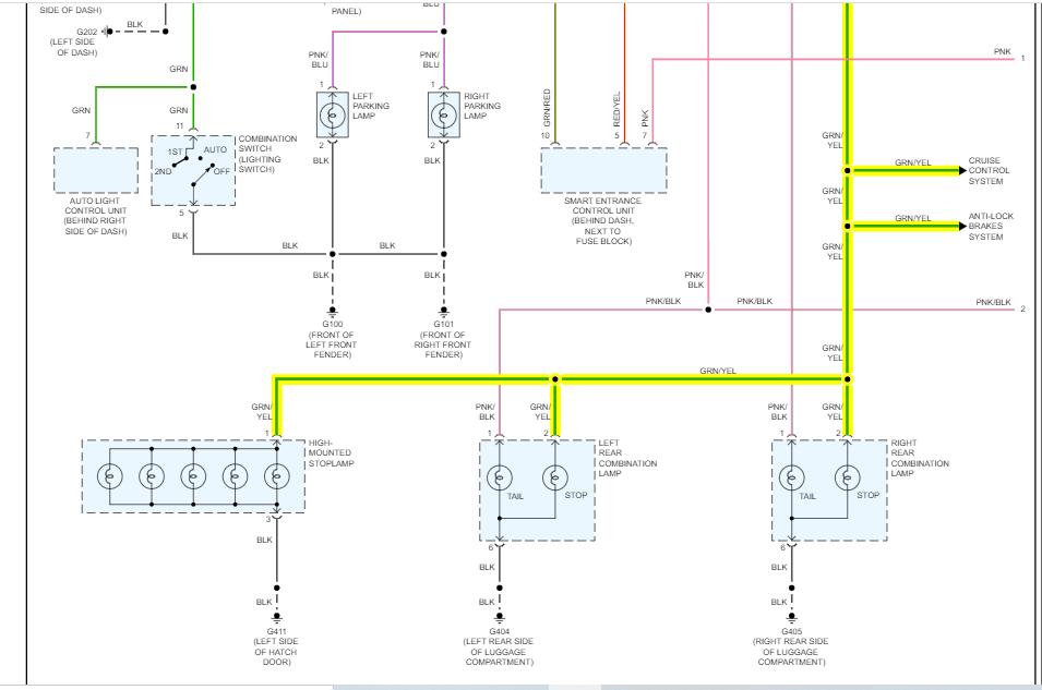
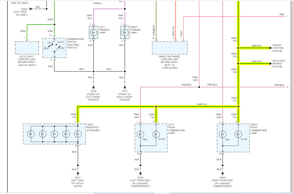
Let me know what you find. Keep in mind, power comes from fuse 14 in the interior fuse box. It goes directly to the switch and then is distributed to the lights. So, make sure the connector at the switch isn't damaged allowing a short to power.

I attached the wiring schematic below, so you have a reference. I had to cut the page in half to make it readable for you. I did overlap the two so you can follow from one to the next.

Take care,

Joe

See pics below.
Was this
answer
helpful?
Yes
No
Tuesday, November 8th, 2022 AT 9:15 PM
Tiny
SIERSEMA
  • MEMBER
  • 4 POSTS
Lights are always on. Disconnected switch, still on. Manually activated switch, still on. Took brake reservoir sensor off, lights on. Took wire to short, lights still on.
Was this
answer
helpful?
Yes
No
Wednesday, November 9th, 2022 AT 7:00 AM
Tiny
SIERSEMA
  • MEMBER
  • 4 POSTS
Rubber Pedal STOPP. Stopper Rubber.
Part Number: 46584-5P010 on the switch next to brake switch is for the cruise control. Found rubber on the floor and put a bumper in place and the lights work normally. Thanks for your help.
Was this
answer
helpful?
Yes
No
Wednesday, November 9th, 2022 AT 11:29 AM
Tiny
JACOBANDNICKOLAS
  • MECHANIC
  • 110,194 POSTS
Hi,

Thanks for the update. I'm glad to hear you got it taken care of.

Please feel free to come back anytime in the future. You are always welcome.

Take care,

Joe
Was this
answer
helpful?
Yes
No
Wednesday, November 9th, 2022 AT 4:56 PM

Please login or register to post a reply.