Hi,
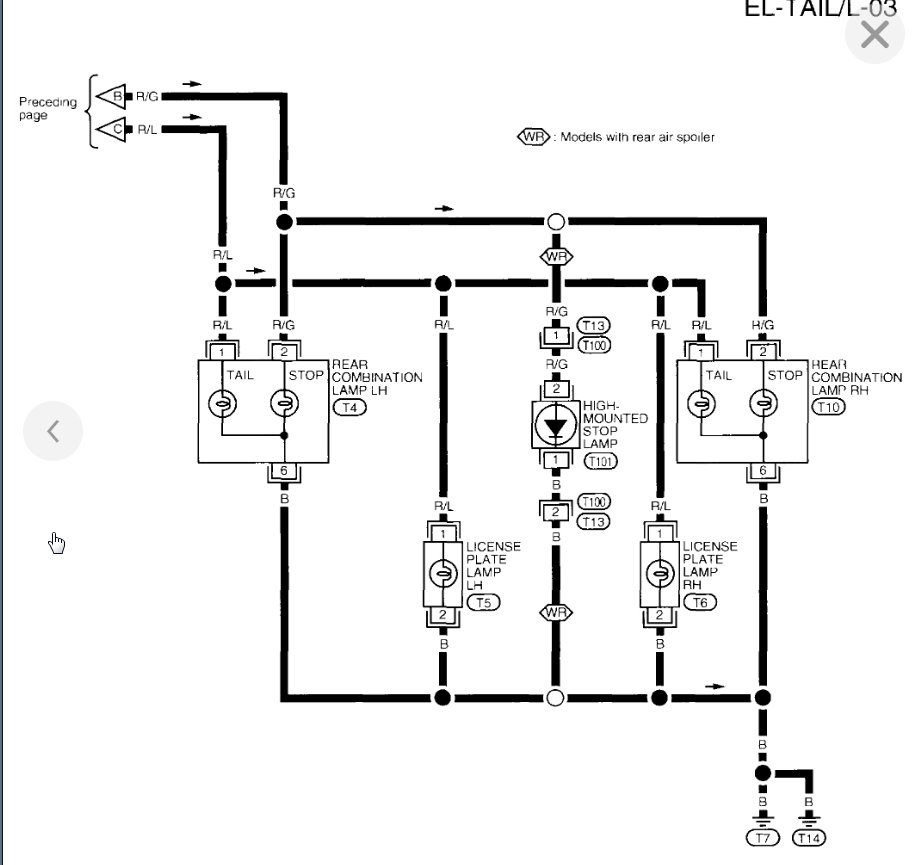
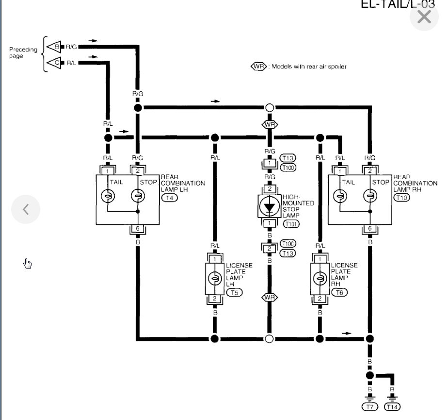
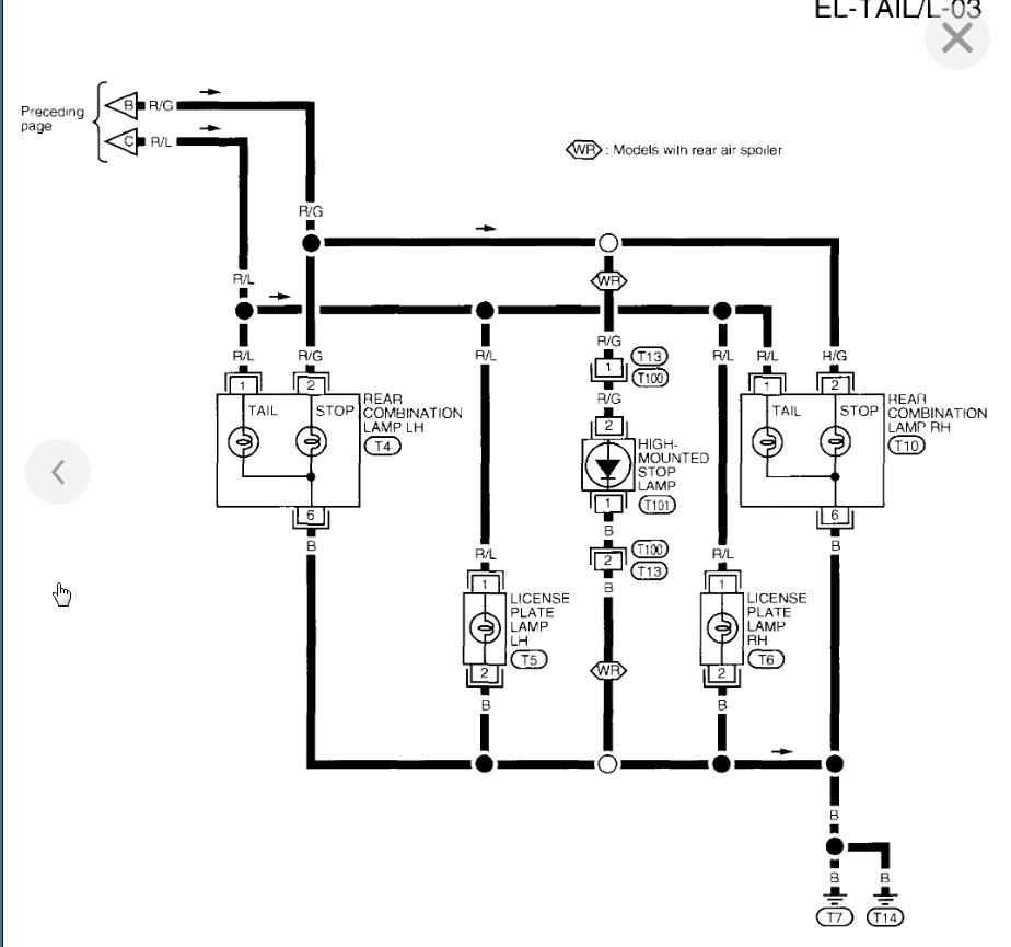
I noticed my brakes lights stayed on after the car was cut off and the lights were off as well. I had the brake switch changed and the lights are still on.
Help, please
I noticed my brakes lights stayed on after the car was cut off and the lights were off as well. I had the brake switch changed and the lights are still on.
Help, please
Nov 14, 2019 at 12:07 PM

