Brake lights are not working?

Tiny
SAMGREW
  • MEMBER
  • 1996 CHEVROLET LUMINA
  • 3.1L
  • V6
  • 2WD
  • AUTOMATIC
  • 290,000 MILES
Brake light in rear window works fine. No brake lights on rear of vehicle. Running lights and turn signals all work fine.
Tuesday, March 18th, 2025 AT 9:20 AM

3 Replies

Tiny
KEN L
  • MASTER CERTIFIED MECHANIC
  • 55,404 POSTS
I would check the bulbs first; one can go out and then the other down the road. Here is a guide to help with the problem so you can go over it:

https://www.2carpros.com/articles/brake-lights-not-working

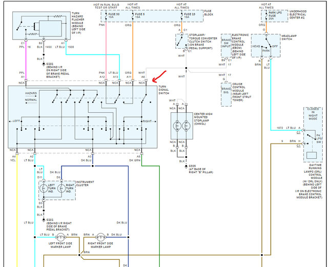
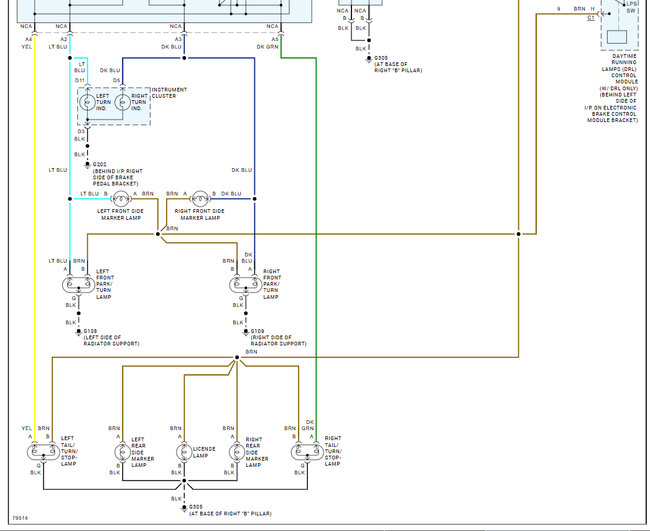
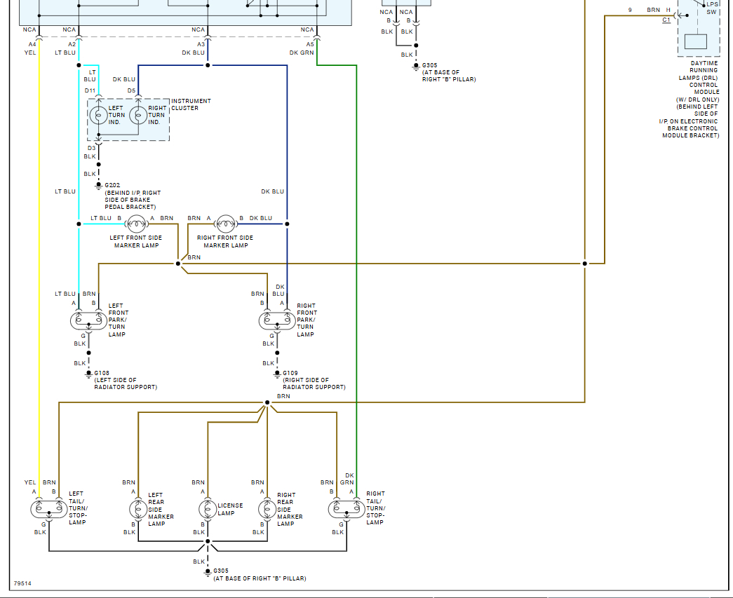
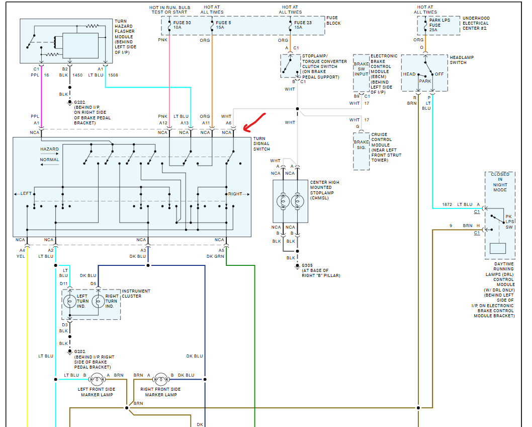
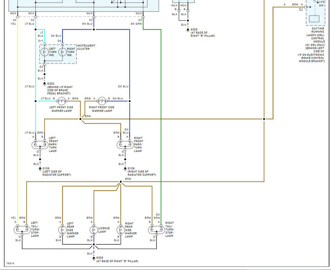
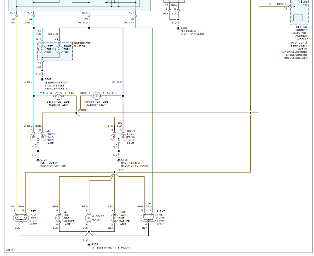
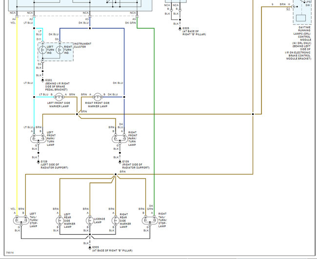
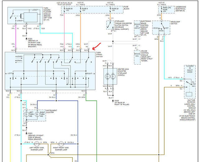
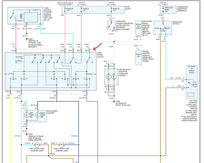
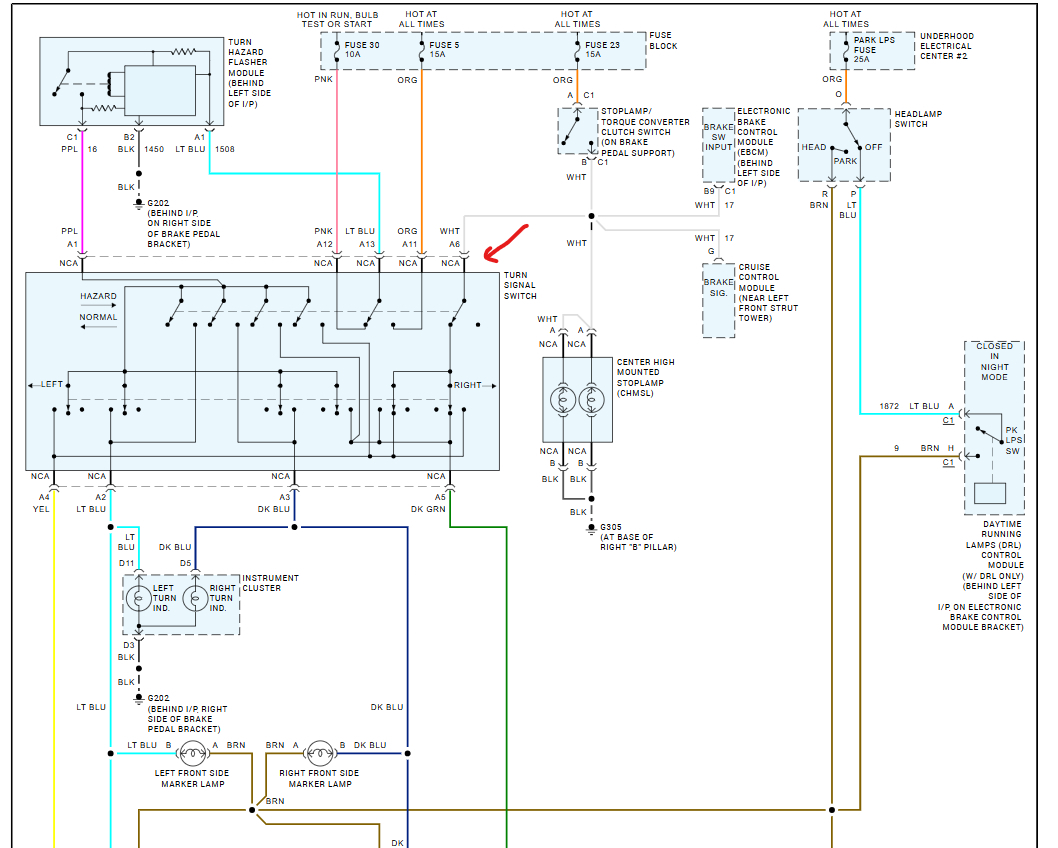
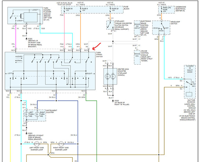
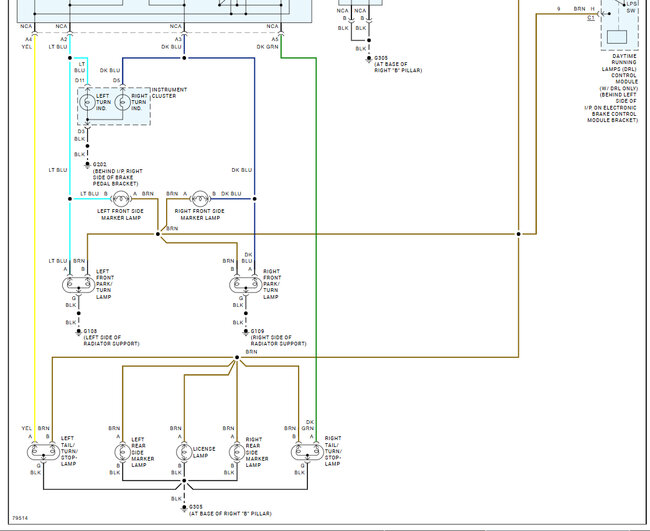
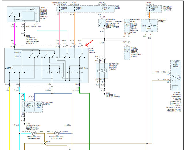
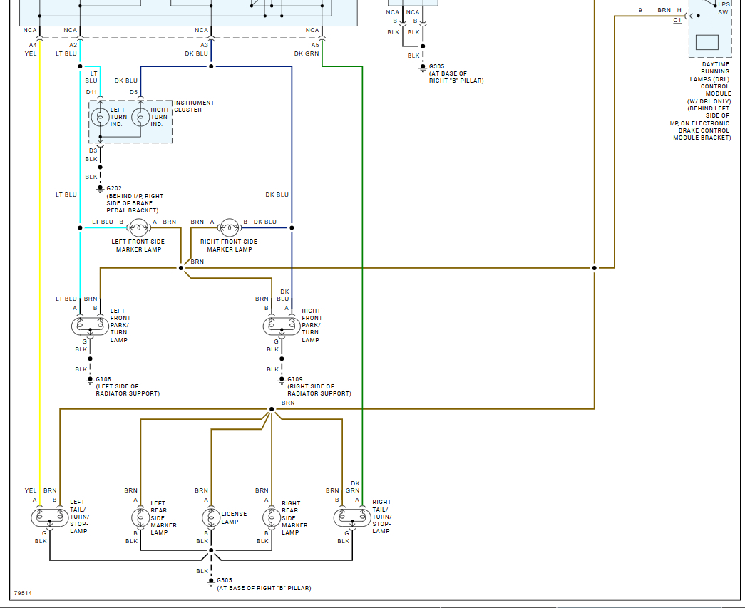
If the center brake light works, then the only other item that can fail is the turn signal switch. Here is a wiring diagram for the system so you can see how it works. Also, I have included how to change the switch out. Check out the images (below). Let us know how it goes.

Was this
answer
helpful?
Yes
No
Tuesday, March 18th, 2025 AT 11:58 AM
Tiny
SAMGREW
  • MEMBER
  • 54 POSTS
Changed multi-function switch, brake lights work fine. New problem. Drove car to get gas. When I started to accelerate, I heard a sound like fan blades hitting something. Car slowly picked up speed and will not shift unless you let off the gas. Changed filter and fluid with no change.
Was this
answer
helpful?
Yes
No
Monday, April 7th, 2025 AT 10:22 AM
Tiny
KEN L
  • MASTER CERTIFIED MECHANIC
  • 55,404 POSTS
Good job getting the brake lights fixed. Sorry, we only handle one problem per thread, please post your new question here, you must be logged in.

https://www.2carpros.com/questions/new

Cheers, Ken
Was this
answer
helpful?
Yes
No
Monday, April 7th, 2025 AT 11:23 AM

Please login or register to post a reply.