Brake lights not working properly

Tiny
RICHARD A VERGARA
  • MEMBER
  • 2009 CHEVROLET EXPRESS
  • 4.8L
  • V8
  • 2WD
  • AUTOMATIC
  • 153,000 MILES
My brakes lights do not work if the key is not on the on position.
Saturday, December 16th, 2017 AT 6:47 AM

1 Reply

Tiny
PATENTED_REPAIR_PRO
  • MECHANIC
  • 1,853 POSTS
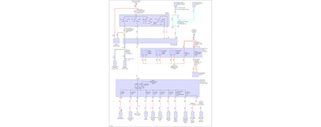
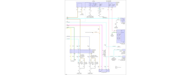
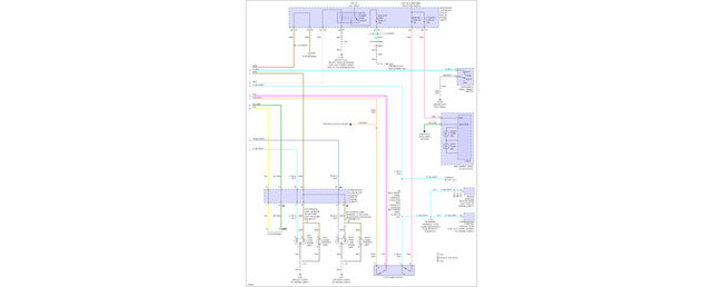
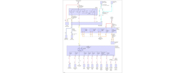
I do not think they are supposed to work without the key on run, because the "BRK SW" fuse is not hot unless the run/crank relay is energized.
The run/crank relay gets its power from the ignition switch when the key is on only run and start.
Was this
answer
helpful?
Yes
No
Saturday, December 16th, 2017 AT 6:59 AM

Please login or register to post a reply.