Sunday, September 3rd, 2023 AT 12:10 PM
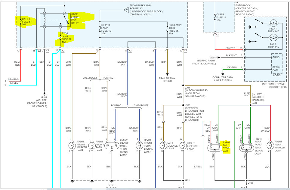
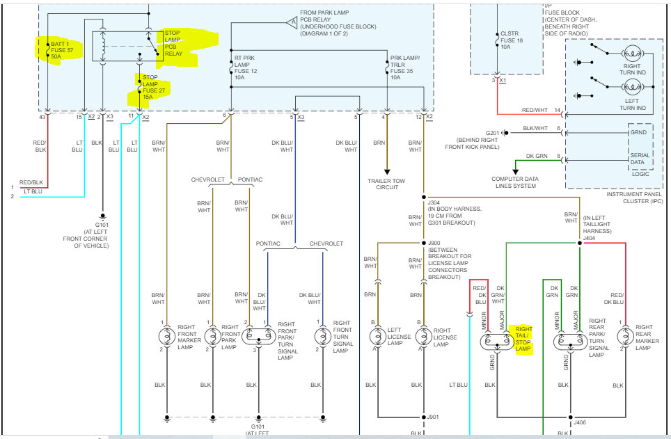
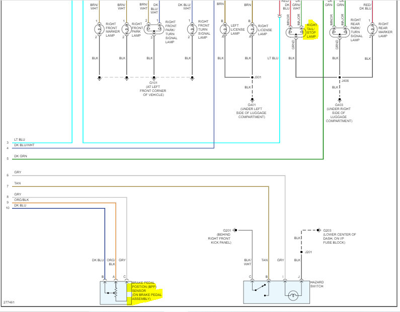
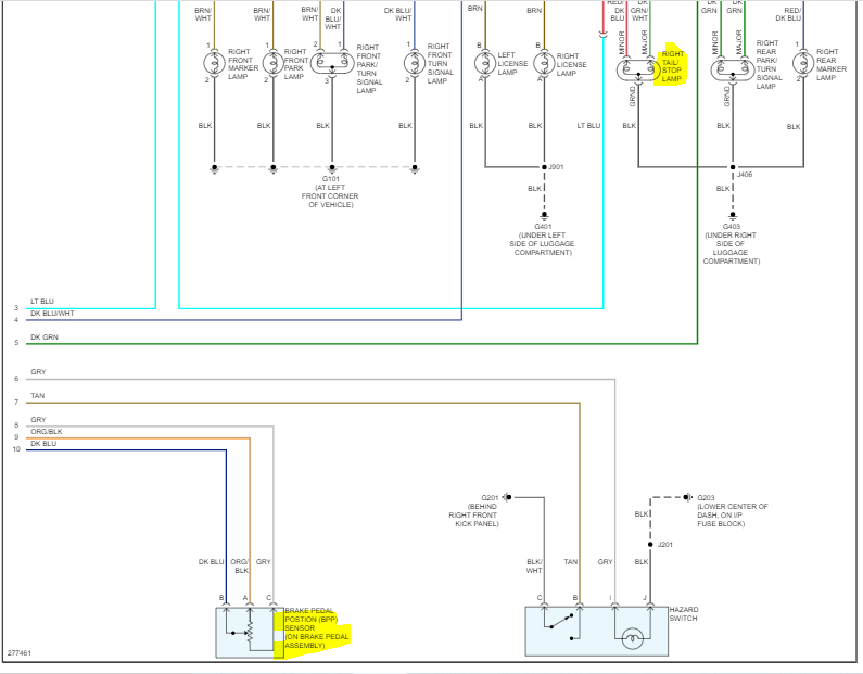
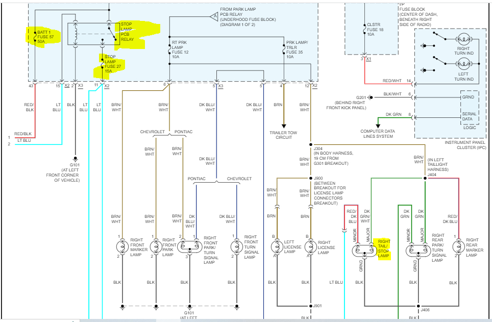
There are 4 bulbs that are my lower brake lights. 3 of them don't work. One does. The upper light also works. All taillights and turn signals work. The fuses look good, and I've switched out bulbs, but there's no change.





