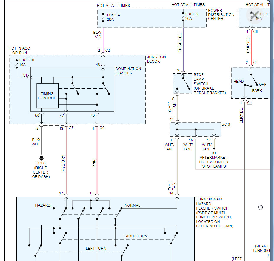
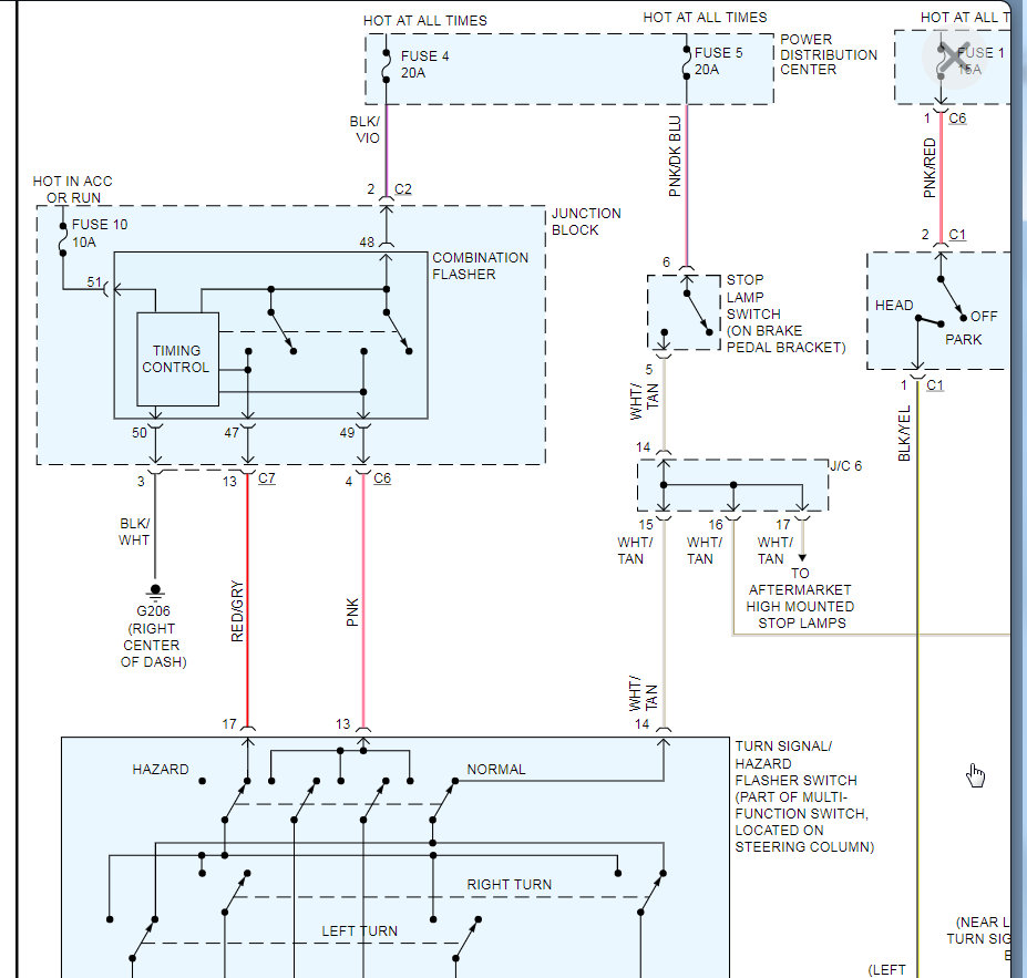
Brake lights stay on

Tiny
CINDY LONG
  • MEMBER
  • 1999 DODGE RAM
  • V8
  • 2WD
  • AUTOMATIC
  • 117,000 MILES
Brake lights won’t go off.
Thursday, March 5th, 2020 AT 12:55 PM

1 Reply

Tiny
KASEKENNY
  • MECHANIC
  • 18,907 POSTS
Have you inspected the stop lamp switch to see if it is stuck? I suspect this is stuck on and keeping the lamps on.

I would remove this from the switch and see leave it connected to the wiring and see if the light will go out after you operate the plunger a few times. Normally they will extend just enough to cause them to go out. The best way to test this is with a scan tool to see if there is voltage on the sensor in the PCM but I wouldn't expect you have this scan tool.

Let me know if you have questions. Thanks
Was this
answer
helpful?
Yes
No
Monday, March 8th, 2021 AT 12:23 PM

Please login or register to post a reply.