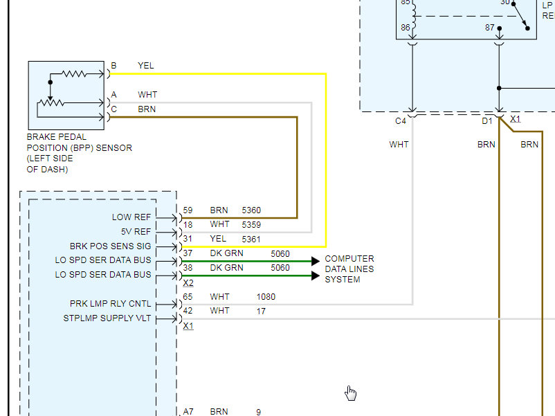
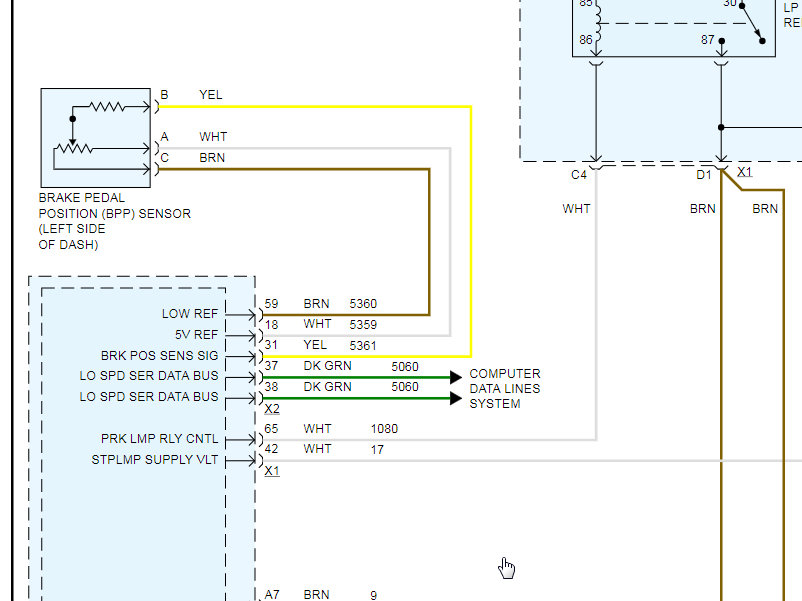
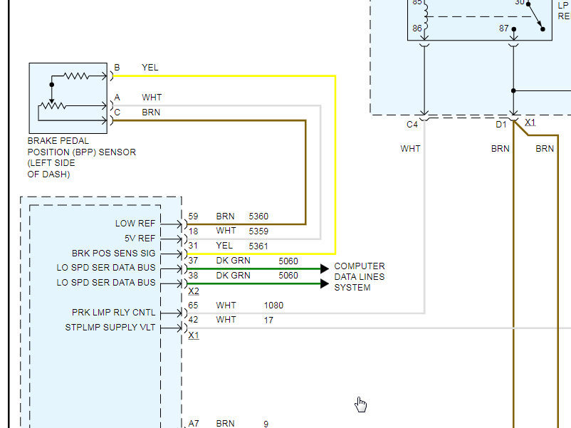
Monday, December 2nd, 2019 AT 7:43 AM
I have brought it to 2 different garages. It’s been about 6 times I have brought it back. They have replaced the brake light switch, some cable, the body control module and it has been calibrated many times. The problem is still there. I’m getting really frustrated. Any solution?





