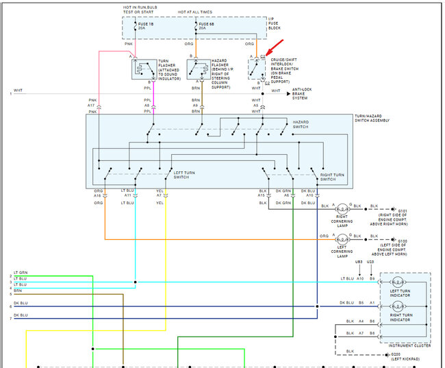
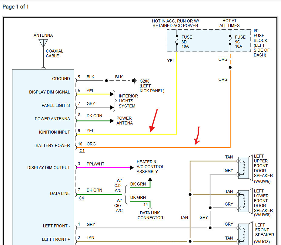
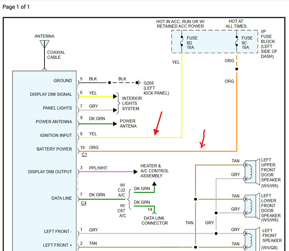
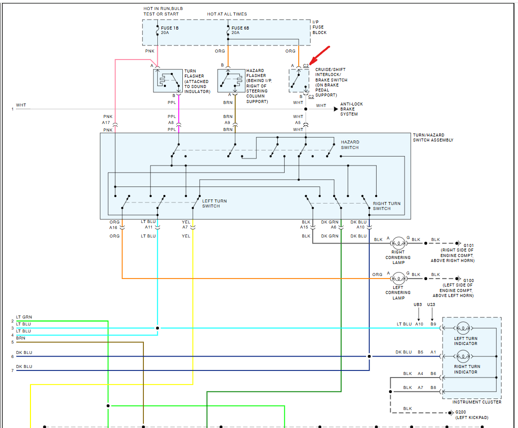
Monday, May 5th, 2025 AT 2:25 PM
When my key is off and I press the brake light, or the brake pedal, I mean my stereo comes on. I don't know how to fix it. Any help would be appreciated.





