Brake light switch location

Tiny
JJ4808
  • MEMBER
  • 1998 GMC C1500
  • 5.0L
  • V8
  • 2WD
  • AUTOMATIC
  • 202,000 MILES
No brake lights
Sunday, August 3rd, 2025 AT 4:53 AM

1 Reply

Tiny
KEN L
  • MASTER CERTIFIED MECHANIC
  • 55,469 POSTS
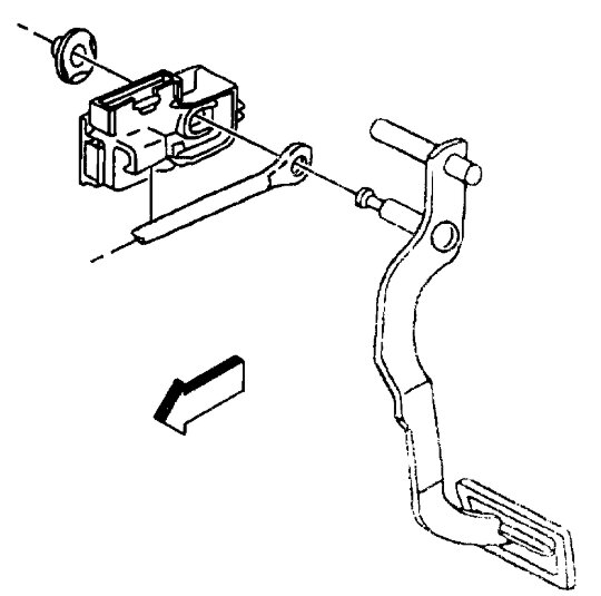
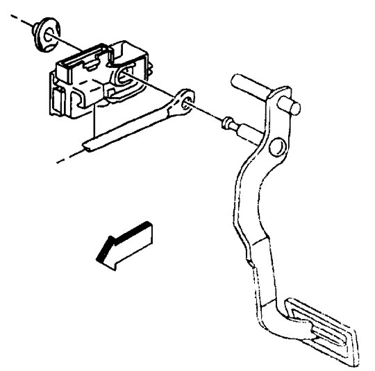
The brake light switch is located near the top of the brake pedal arm. Here is an image of the switch. I would check the MAXI fuse#2 30 amp in the fuse panel under the hood. Also, there is a stop lamp control relay in the same fuse panel I would swap out.

This guide can help as well

https://www.2carpros.com/articles/brake-lights-not-working

Check out the images (below). Please let us know what happens.
Was this
answer
helpful?
Yes
No
Sunday, August 3rd, 2025 AT 12:39 PM

Please login or register to post a reply.