I replaced all of the bulbs, and fuses (uhbec and bbec). Nothing.
Tapped into the right rear brake lamp (brown wire) and injected 12vdc directly from the battery. All of the brake lights came on. So confirmed that they work.
Installed new brake switch. Brake lights worked. Then became intermittent.
If I vigorously manipulate the brake pedal the brake lights will work occasionally.
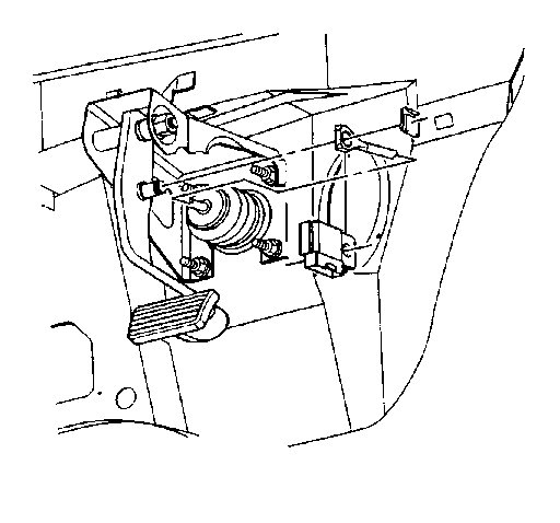
Background: about a year ago I replaced the brake booster and while doing so I notice that the brake booster linkage to brake pedal pin fitment is relatively tight. Not much more than 0.010-0.020" of clearance. The brake lights wouldn't work and the transmission shift lock wouldn't release the shifter. I changed out the brake switch at that time and it all worked, but I was concerned about the tightness of the interface then.
Back to today: in taking the older brake switch (one I just replaced) apart I see that the total switch travel is closer to 0.080" and I see that the switch has to travel around 0.040-0.050" before the contacts either make or break.
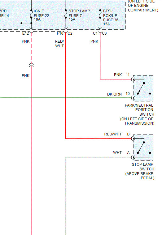
I believe that the normally open contact inside the switch is for the transmission shift lock and the the other two normally closed contacts are for the brake and something else (not sure).
I can confirm that the transmission shift lock is releasing the shifter when I depress the brake so the switch must be working.
I also can can confirm that if I depress the brake pedal relatively hard the brake lights (right, left, CHMSL) will come on, but then they turn off while holding brake pedal position. If I depress the pedal further the brake lights come on and switch off again. I can make this happen 4-5 times while depressing the pedal further each time.
Thoughts?
Saturday, February 29th, 2020 AT 4:41 PM





