Brake Lights not working?

Tiny
HOGANJONES
  • MEMBER
  • 1982 GMC C2500
  • 5.7L
  • V8
  • 2WD
  • AUTOMATIC
  • 42,000 MILES
I recently purchased the truck, and the brake lights haven't worked.

I've purchased several new switches that can't seem to get the light to work.

- Power is going to the brake switch.
- Fuse is good and tested both sides of the fuse so it's not the circuit board.
- Replaced bulbs in both outlets.
- I am receiving power to the back end as hazards and parking lights come on.
- No power to socket when brake is applied.
Thursday, September 28th, 2023 AT 1:24 PM

10 Replies

Tiny
JACOBANDNICKOLAS
  • MECHANIC
  • 110,194 POSTS
Hi,

In your third pic, what connector is that? It has two cut wires. The black is likely a ground. The yellow may be related to the brake lamps, but I need some more information.

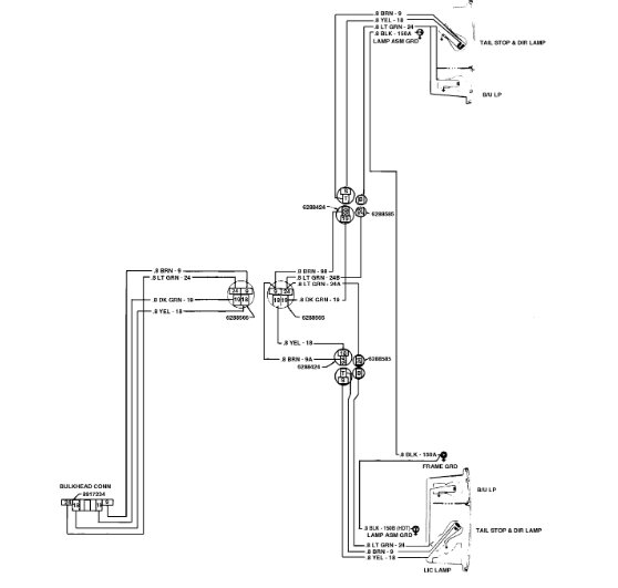
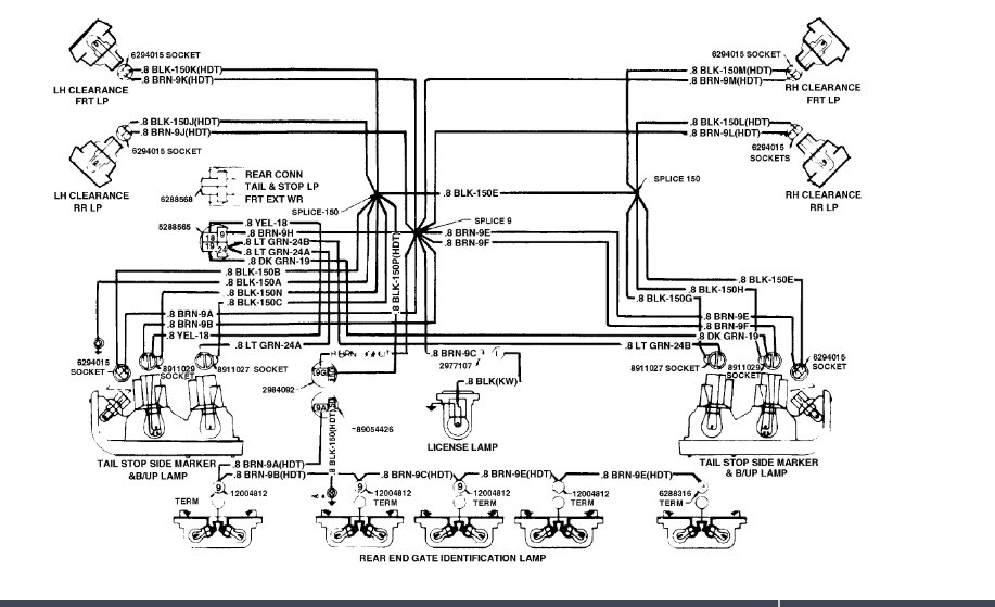
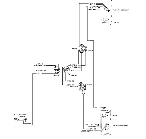
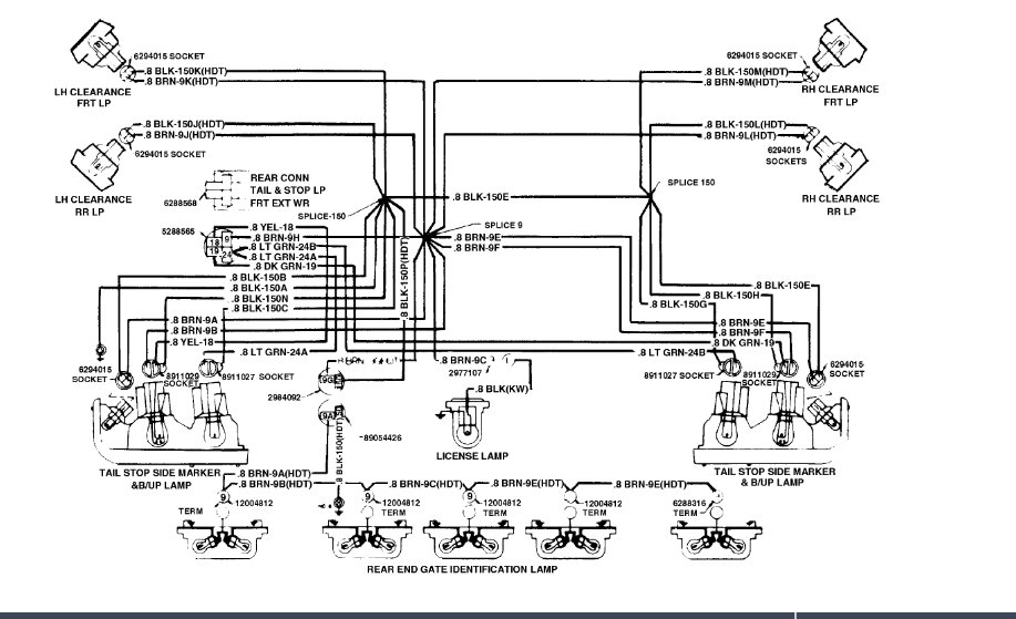
If you look below, I attached several wiring schematics all related to the rear lighting. Note that each one is different based on the body style (crew cab, regular cab, step-side, and so on). I need to know which one you have.

Take a look at them and let me know which you are dealing with. Interestingly, the pic with the cut wires appears to have another black wire along with an orange wire. Orange doesn't show up on any of the schematics.

Also, is there power out from the brake light switch?

Let me know.

Joe

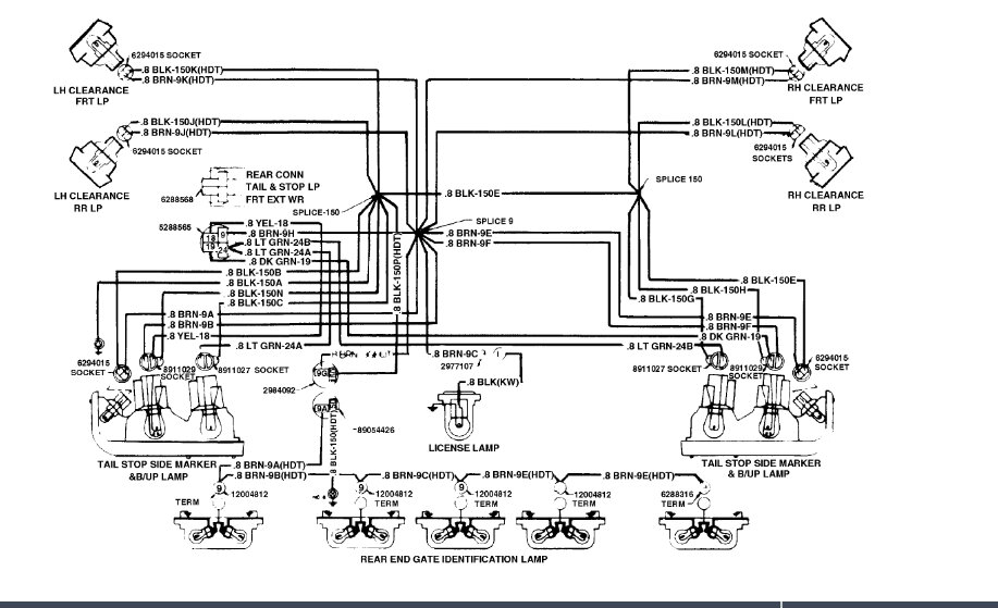
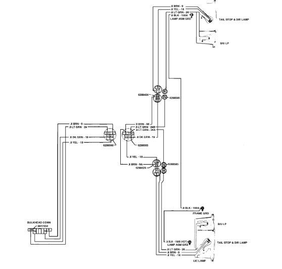
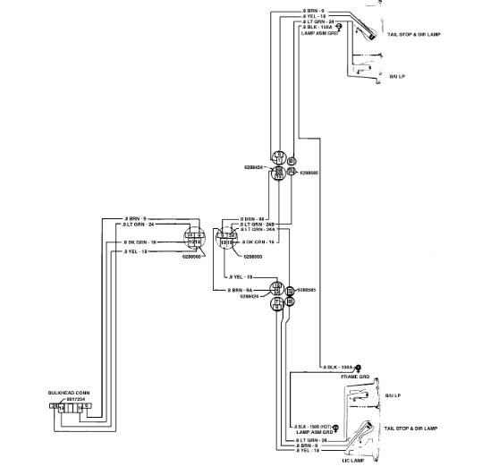
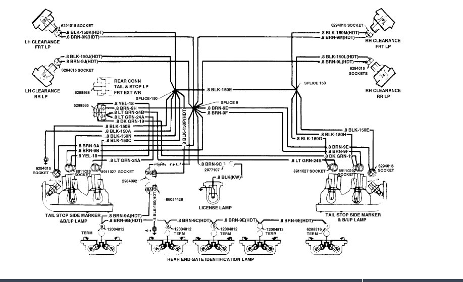
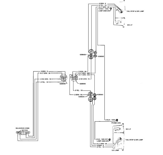
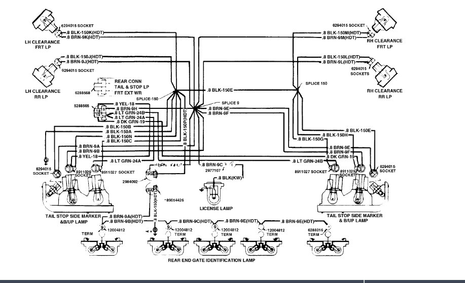
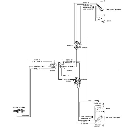
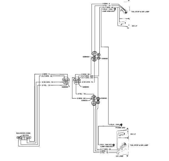
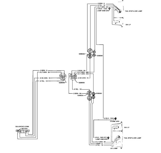
See pics below. Pic 1 - Crew Cab Rear Lighting
Pic 2 - Fleetside Rear Lighting
Pic 3 - Stepside Rear Lighting
Pic 4 - Wideside Exterior Lighting
Was this
answer
helpful?
Yes
No
Thursday, September 28th, 2023 AT 9:17 PM
Tiny
HOGANJONES
  • MEMBER
  • 16 POSTS
Joe,

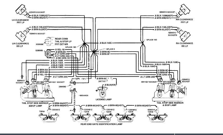
The truck is a fleetside. I was thinking the photo above with the three wires was for the radio. I attached an image below, which I pull from my1982 light duty service manual. But if you think that's it happy to try.
Was this
answer
helpful?
Yes
No
Friday, September 29th, 2023 AT 7:33 AM
Tiny
JACOBANDNICKOLAS
  • MECHANIC
  • 110,194 POSTS
Hi,

Pic 3 above is for the exterior lighting and the fleet side. Were you able to locate the connector in the rear of the vehicle? Is there power present there?

Also, you are likely correct about the cut wires. The connector looks a little off for it, but anything is possible.

Let me know.

Joe
Was this
answer
helpful?
Yes
No
Friday, September 29th, 2023 AT 10:03 PM
Tiny
HOGANJONES
  • MEMBER
  • 16 POSTS
Joe,

Yes, there is power in the rear of the truck as the parking brake and hazard lights come on.

In a wiring diagram I found it should that a wire should go from the glove box light to the brake switch (power?), But my truck doesn't have a GBL, so maybe the power should come from cigarette lighter?
Was this
answer
helpful?
Yes
No
Saturday, September 30th, 2023 AT 7:25 AM
Tiny
HOGANJONES
  • MEMBER
  • 16 POSTS
Joe,

The new information today is that I have a Cruise Control Release Switch. So, the brake switch I need is one for cruise control which I have. The cruise control release switch button seems to be moving in and out but might need to be replaced.
Was this
answer
helpful?
Yes
No
Saturday, September 30th, 2023 AT 4:05 PM
Tiny
HOGANJONES
  • MEMBER
  • 16 POSTS
Still nothing, not working.
Was this
answer
helpful?
Yes
No
Saturday, September 30th, 2023 AT 4:35 PM
Tiny
JACOBANDNICKOLAS
  • MECHANIC
  • 110,194 POSTS
Hi,

You indicated the parking brake light comes on. Are you referring to the one in the vehicle?

Also, at the wiring connectors in the rear, is there power with the brake lights on?

Let me know.

Joe
Was this
answer
helpful?
Yes
No
Saturday, September 30th, 2023 AT 9:48 PM
Tiny
HOGANJONES
  • MEMBER
  • 16 POSTS
My mistake is not the parking brake, taillights and hazards. Now I can't get power to the brake light when I press on the brake.
Was this
answer
helpful?
Yes
No
Sunday, October 1st, 2023 AT 7:51 AM
Tiny
HOGANJONES
  • MEMBER
  • 16 POSTS
Joe,

Thanks for your help, I was able to get the taillights working "Brake lights". The previous owner spliced a trailer light to the taillights. I removed all of it now we're in business.
Was this
answer
helpful?
Yes
No
Sunday, October 1st, 2023 AT 5:25 PM
Tiny
JACOBANDNICKOLAS
  • MECHANIC
  • 110,194 POSTS
Hi,

Thank you for the update. I'm glad to know you got it working. No brake lights isn't a good thing. LOL

Regardless, take care and feel free to come back anytime in the future.

Joe
Was this
answer
helpful?
Yes
No
Sunday, October 1st, 2023 AT 8:13 PM

Please login or register to post a reply.