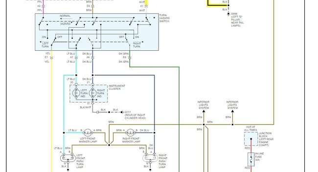
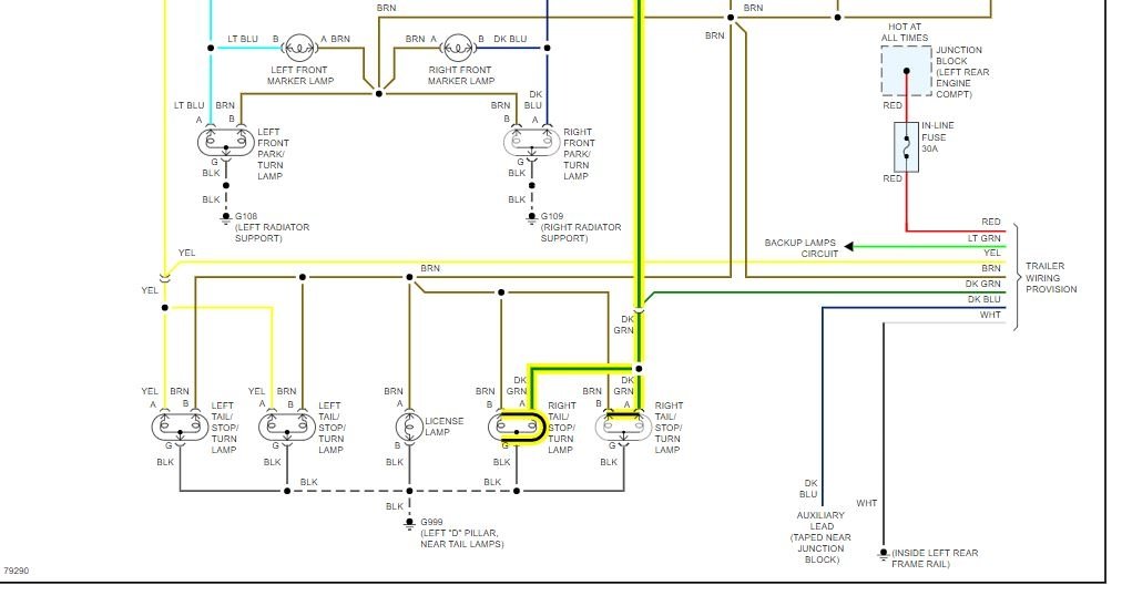
Saturday, January 4th, 2020 AT 11:57 AM
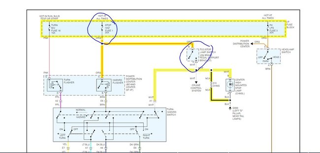
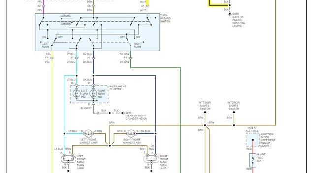
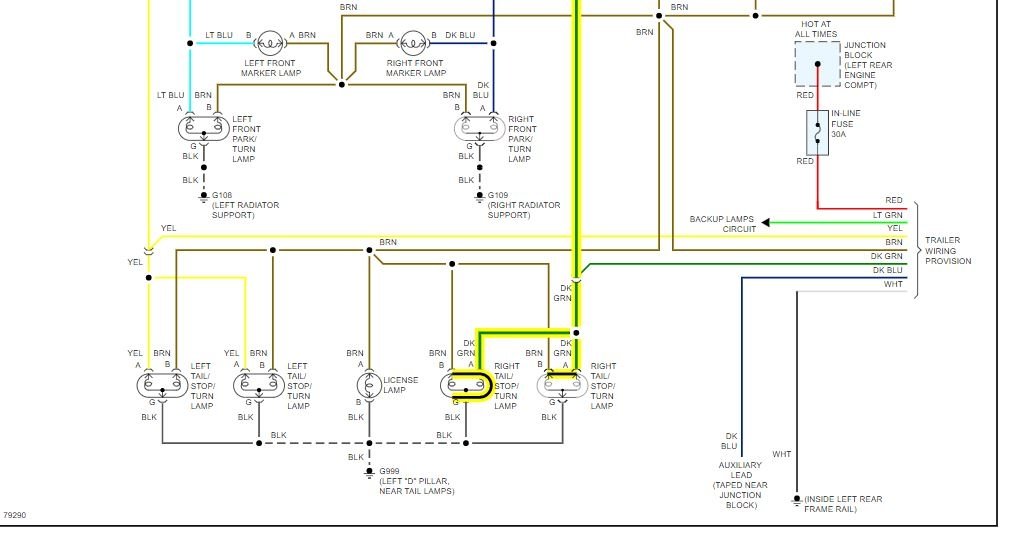
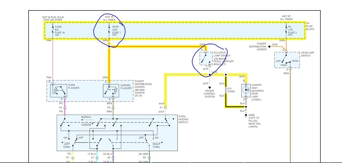
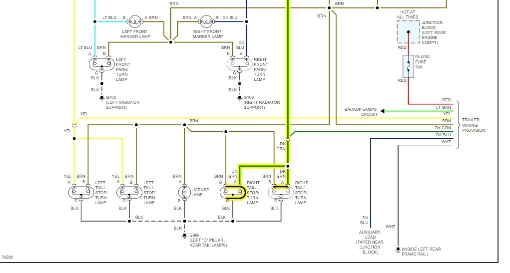
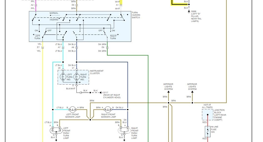
I checked the fuse it's good and I replaced the bulbs, still nothing. When I checked the turn signals the driver side both bulbs light up, and on the passenger side only the bottom bulb lights up. Same if I turn on the hazard lights. Could really use some guidance. Not very mechanically inclined when it comes to wiring. Thanks for the help.



