HOME
ASK A QUESTION
REPAIR GUIDES
BECOME A MEMBER
LOG IN
Login with Facebook
OR
Remember me
NOT A MEMBER?
FORGOT PASSWORD?
CONTACT US
PRIVACY POLICY
TERMS AND CONDITIONS
☰
Home
Buick
Rendezvous
Exterior Light
Brake Light
Fuse
Brake light fuse
JIM KARG
MEMBER
2006 BUICK RENDEZVOUS
6 CYL
2WD
AUTOMATIC
120,000 MILES
Where is the fuse for the brake lights located? Nothing is listed on the list of fuses about brake lights.
Saturday, November 4th, 2017 AT 7:08 AM
1 Reply
KEN L
MASTER CERTIFIED MECHANIC
54,137 POSTS
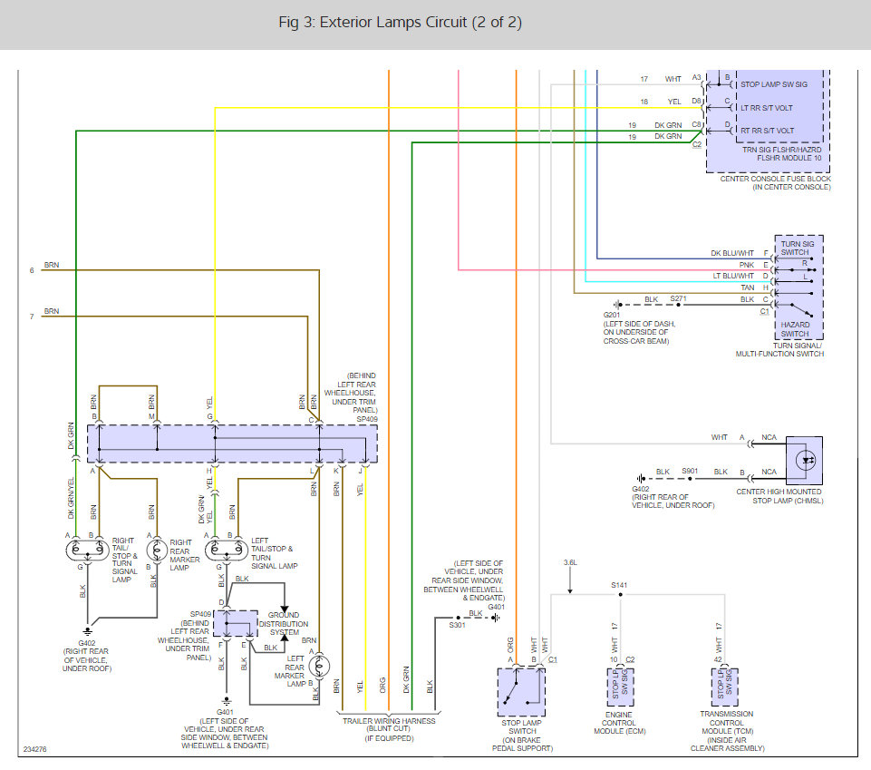
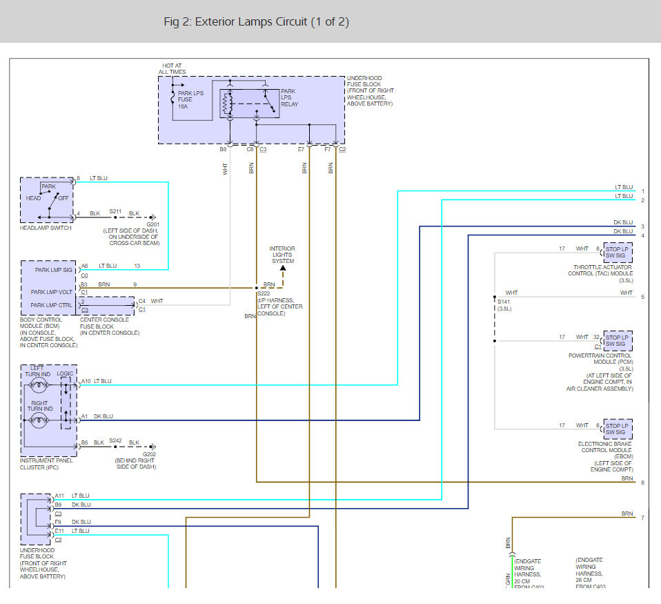
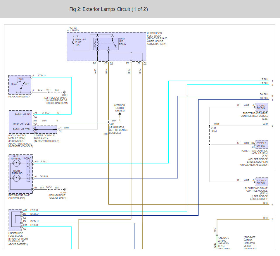
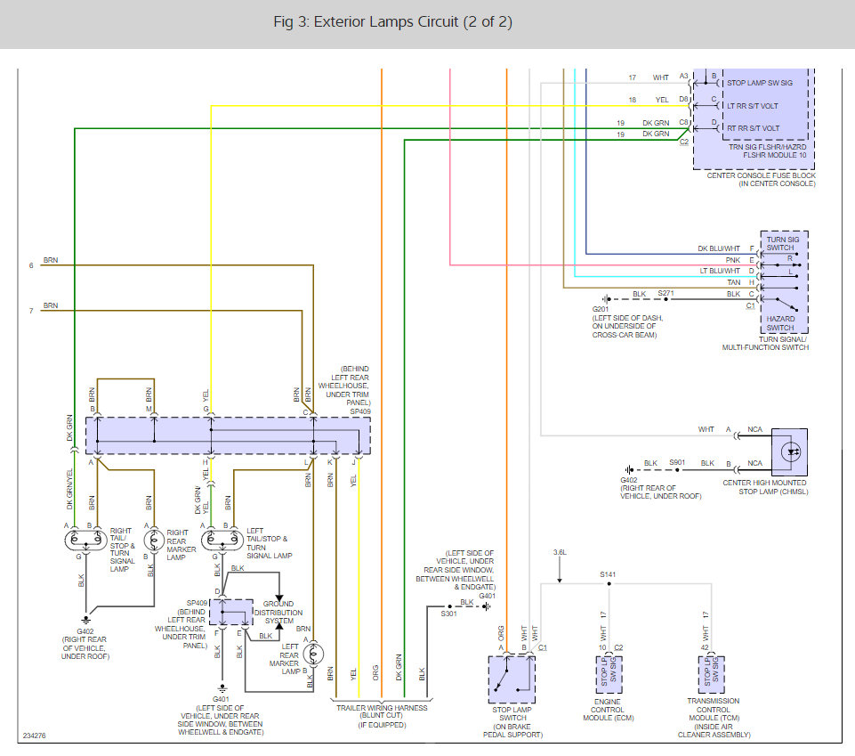
Hello,
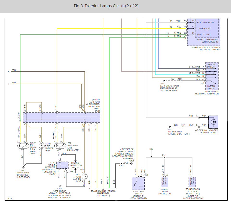
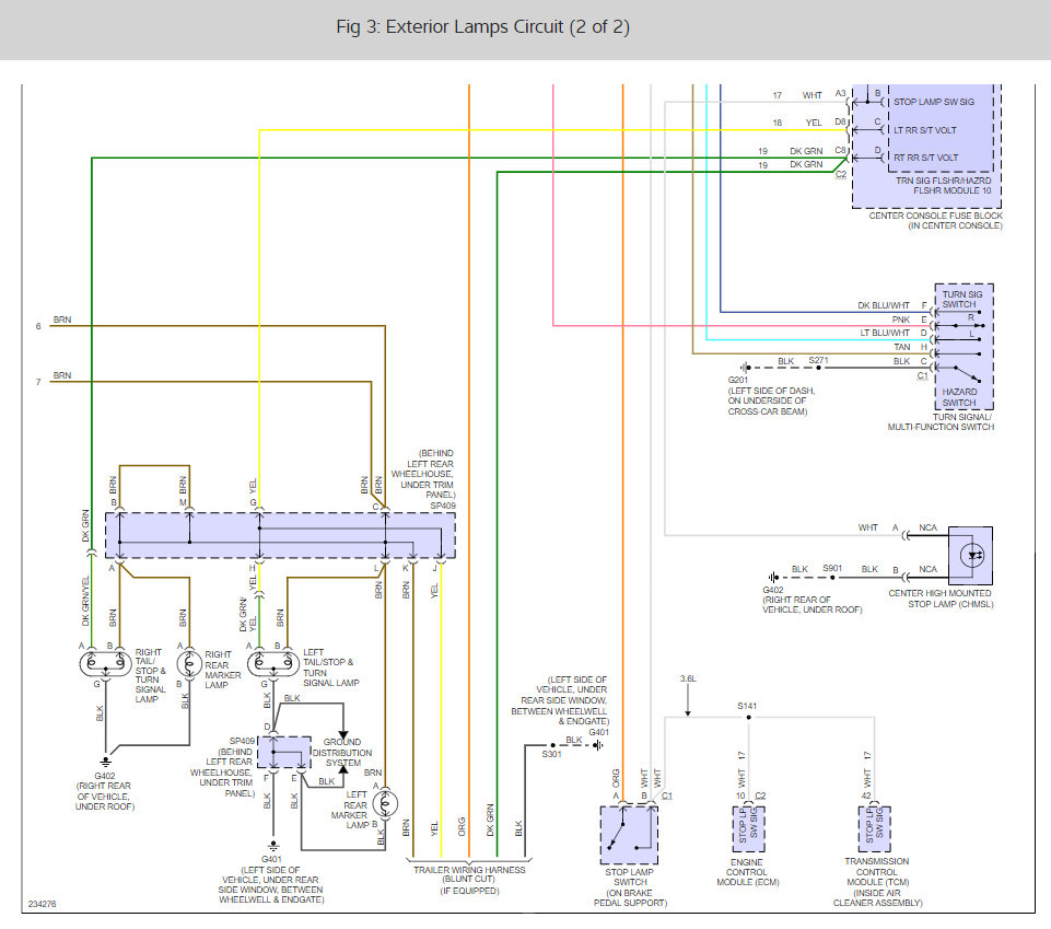
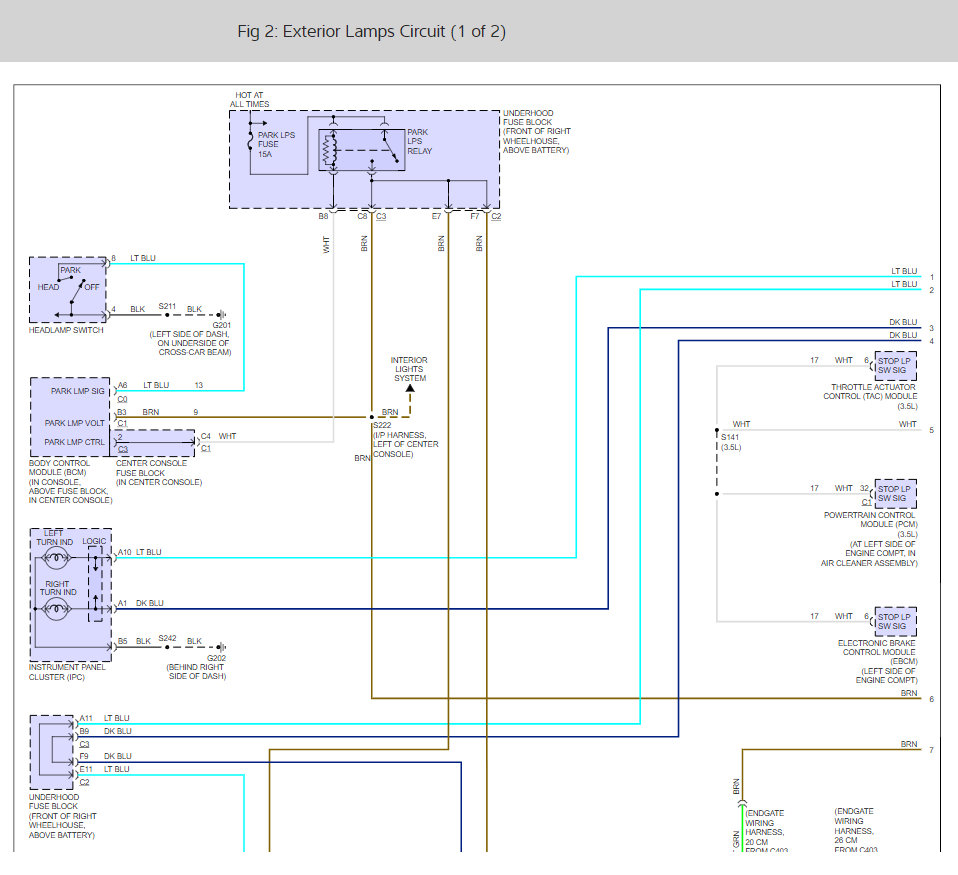
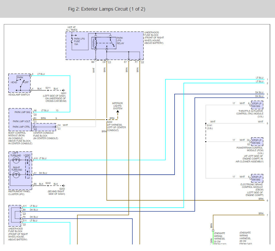
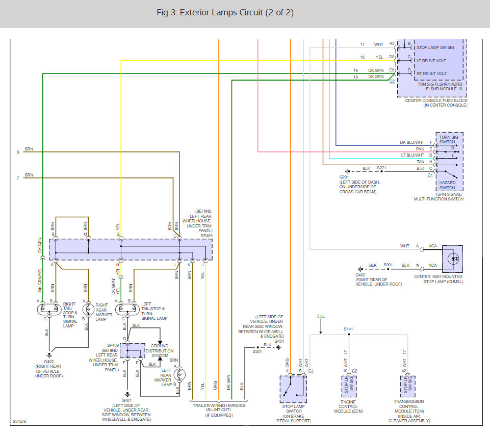
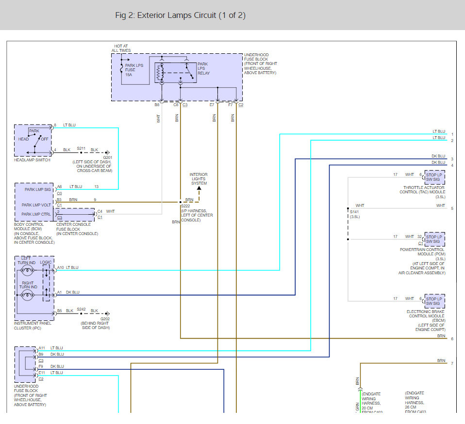
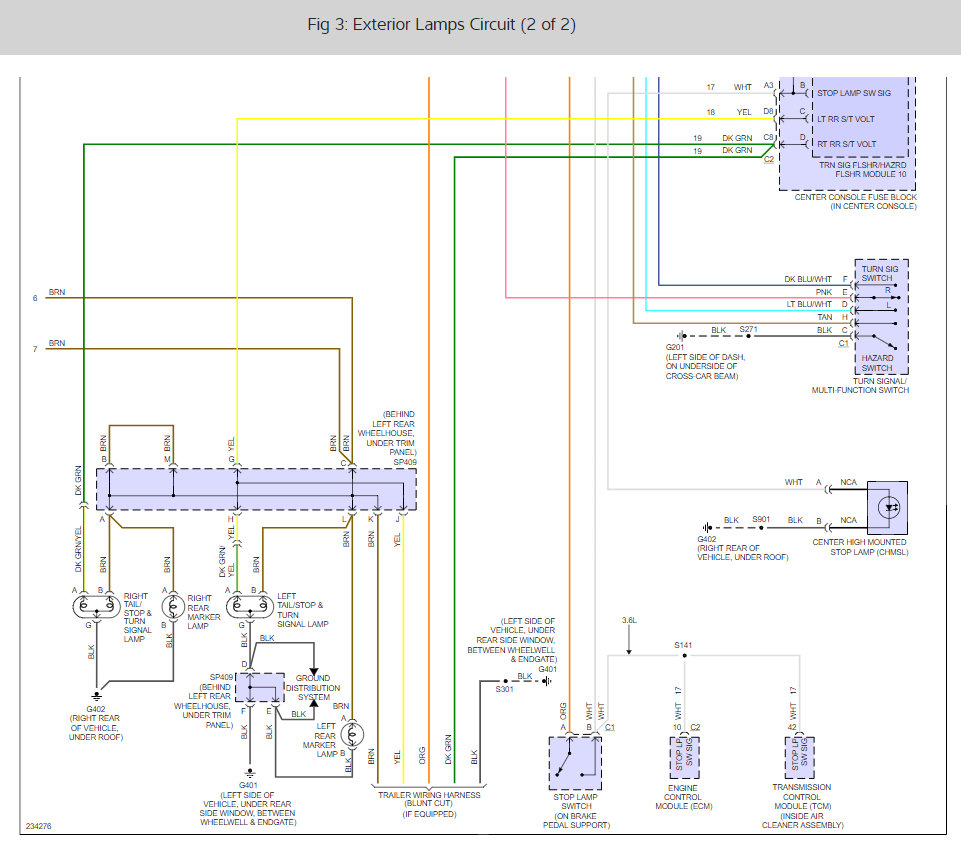
The problem is probably with the turn signal flasher module which control everything for the brake lights.
Here is a wiring diagrams and a guide so you can do a test to confirm:
https://www.2carpros.com/articles/how-to-use-a-test-light-circuit-tester
Here is the location of the flasher as well and you should check all of the fuses:
https://www.2carpros.com/articles/how-to-check-a-car-fuse
Please let us know what happens.
Cheers, Ken
Images (Click to make bigger)
Was this
answer
helpful?
Yes
No
+3
Sunday, November 5th, 2017 AT 6:18 PM
Please
login
or
register
to post a reply.
Related Brake Light Fuse Content
2002 Buick Rendezvous Control Fan Switch
The Control Fan Switch For The Heater/ac Doesnot Work Properly. We Have To Turn Up To The Third Postion For The Fan To Work. Also Water...
Asked by
giraffecrossing
·
1 ANSWER
2002
BUICK RENDEZVOUS
Park Lamp Out Message
My Rear Parking Lights Wont Turn On.
Asked by
Ignaciol
·
3 ANSWERS
2 IMAGES
2002
BUICK RENDEZVOUS
2004 Buick Rendezvous Headlights And Dashlights...
Our 04 Rendevous Lights Started Flashinf Off And On With The Headlight Control Turned To Automatic. If You Turn It To Park, It Stops. If...
Asked by
bhardgrave
·
1 ANSWER
2004
BUICK RENDEZVOUS
2005 Buick Rendezvous Dinging And Lights
We Recently Bought A 05 Rendezvous We Drove It Home And Found The Temp Gague Wasn't Working And It Was Over Heating. Then All Of A Sudden...
Asked by
djculbreth
·
2 ANSWERS
2005
BUICK RENDEZVOUS
Ask a Car Question. It's Free!
How to Use a Test Light
Turn Signals Blink Fast
Have a Dim Headlight? - Try Replacing This!