Where exactly is the ABS valve

Tiny
TRA
  • MEMBER
  • 2006 CHRYSLER 300
  • 2.7L
  • V6
  • 4WD
  • AUTOMATIC
  • 62,000 MILES
Where exactly is the ABS valve that may trip to block fluid after changing pads and rotor? And what does it look like?
Friday, December 22nd, 2017 AT 4:29 PM

5 Replies

Tiny
ASEMASTER6371
  • MECHANIC
  • 52,796 POSTS
Good morning my name is Roy and I will assist.

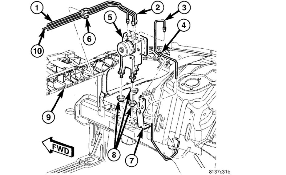
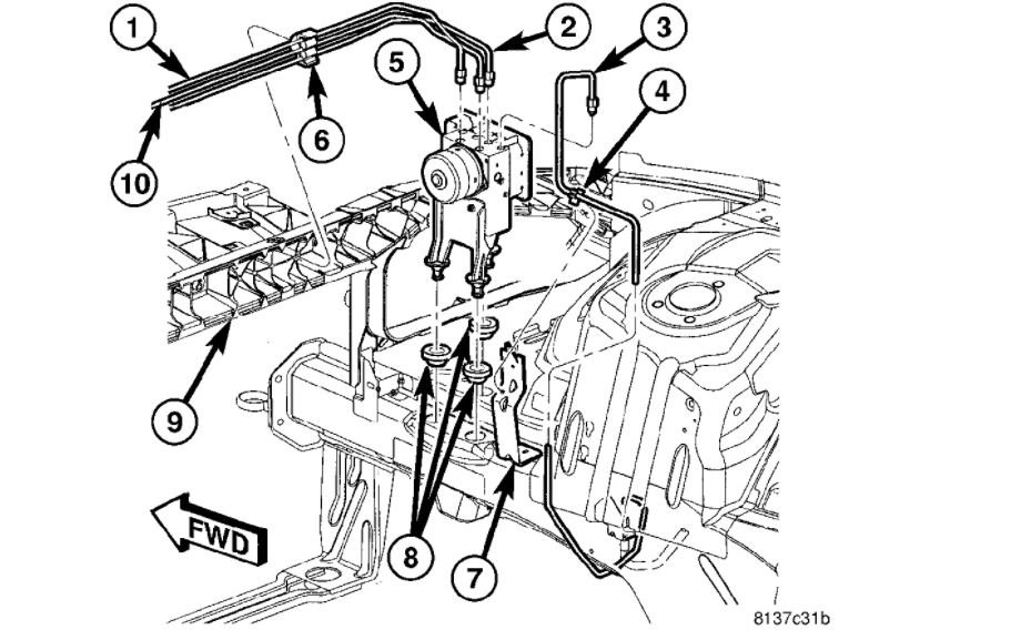
Picture attached of unit and location.

What makes you think the abs unit has failed?

Roy
Was this
answer
helpful?
Yes
No
Monday, March 15th, 2021 AT 9:56 AM
Tiny
TRA
  • MEMBER
  • 41 POSTS
Fluid is not coming to 1 wheel only after changing rotor and pads. I had a little ordeal w/the caliper for awhile, where I thought the piston was not all the way down, and it probably was fine. But, to get it out and change the boot and put it back in, I had to pump the piston out using the pump the brake w/caliper attached method. Now I can't get any fluid to that one and the master cylinder is full.

Mechanic at Brakes For Less shop said the ABS pump is bad then, and you know that can be an expensive fix. I read or saw I think on your page or somewhere that some cars have a valve that may just have tripped to prevent fluid lose and just needs to be opened back.

BTW, I can't tell a lot from that pic. Which number on there is the valve? When I find it, is it easy to open?

Thanks
Was this
answer
helpful?
Yes
No
Monday, March 15th, 2021 AT 9:56 AM
Tiny
ASEMASTER6371
  • MECHANIC
  • 52,796 POSTS
Ok, the valve you referred to is a proportioning valve. That is for vehicles without abs.

On yours, it is incorporated in the abs unit.

Yes, you need to replace the unit. You can lower the price by looking for a used unit. If it comes with the abs module, it will have to be programmed to your car.

Roy
Was this
answer
helpful?
Yes
No
+1
Monday, March 15th, 2021 AT 9:56 AM
Tiny
TRA
  • MEMBER
  • 41 POSTS
BTW, Brakes for Less didn't actually look at it. They were nice enough to give me info. Over the phone after I described the situation them. Can I not make sure first that the pump is bad by some other means of elimination? Or does it sound like it really is bad?
This is going to end up like at least $275($100 somebody's used junk yard part + 175 labor to install) + taxes for just coming from needing to change rotor and pad. Need to avoid that.
Was this
answer
helpful?
Yes
No
Monday, March 15th, 2021 AT 9:56 AM
Tiny
ASEMASTER6371
  • MECHANIC
  • 52,796 POSTS
You would need to crack the lines at the unit while bleeding to verify no pressure is coming out of the line.

Roy
Was this
answer
helpful?
Yes
No
Monday, March 15th, 2021 AT 9:56 AM

Please login or register to post a reply.