Replace the ABS module I have discs on the rear

Tiny
BOOMERBRIAN
  • MEMBER
  • 2007 CHRYSLER 300
  • 6 CYL
  • 2WD
  • MANUAL
I need to replace the ABS module I have discs on the rear and if it were drums I'd be home free. Help Thanks!
Thursday, June 16th, 2011 AT 10:46 PM

1 Reply

Tiny
ASEMASTER6371
  • MECHANIC
  • 52,796 POSTS
Good morning,

I attached the procedure below for you of the needed repair.

https://www.2carpros.com/articles/how-to-replace-a-abs-controller

Roy

REMOVAL

imageOpen In New TabZoom/Print

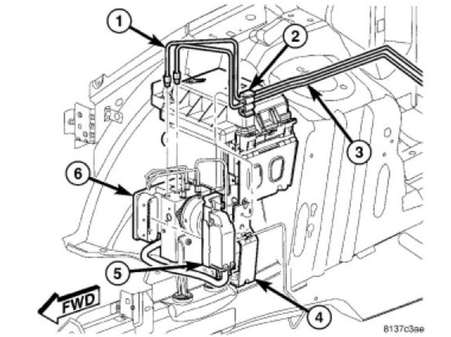
1. Disconnect negative (-) battery cable (2) from battery post and isolate.

imageOpen In New TabZoom/Print

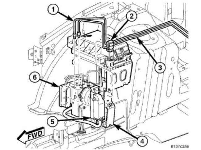
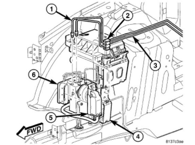
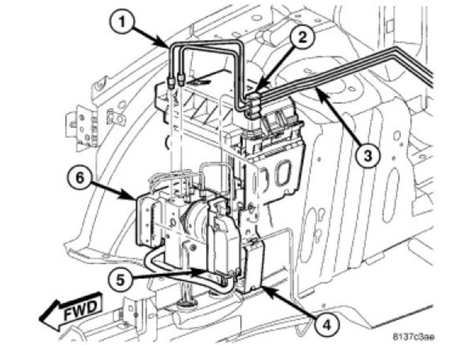
2. Disconnect 47-Way wiring connector (5) at ABM (6).

imageOpen In New TabZoom/Print

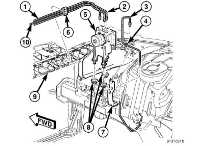
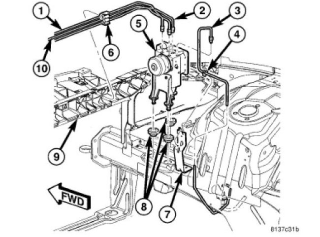
3. Unclip brake tubes (1, 2 and 10) from two routing clips (6) along upper radiator support.

4. Unclip brake tube (3) from routing clip (4) below Fuse And Relay Center.

5. Lift up on entire assembly (5) from mounting grommets (8) and move inboard allowing access to ABM attaching screws. Do not force brake tubes. Move assembly just enough to access mounting screws.

imageOpen In New TabZoom/Print

6. Remove three screws (2) attaching ABM (1).

imageOpen In New TabZoom/Print

7. Slide ABM (1) off HCU (3).

INSTALLATION

imageOpen In New TabZoom/Print

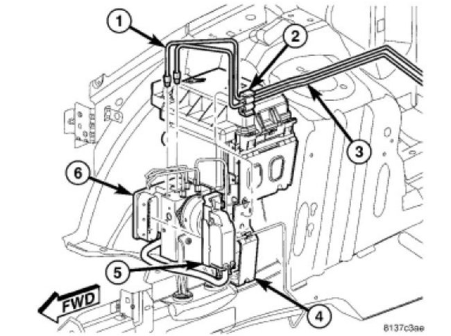
1. Align ABM solenoids and pump/motor wiring connector (4) with HCU valves (2) and connector passage. Slide ABM (1) onto HCU (3).

imageOpen In New TabZoom/Print

2. Install three screws (2) attaching ABM (1) to HCU. Tighten screws to 2 Nm (17 in. lbs.) torque.

imageOpen In New TabZoom/Print

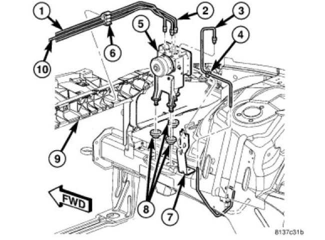
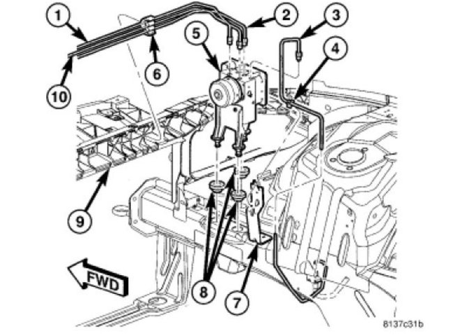
3. Position assembly (5) above mounting grommets (8) and press mounting bracket into place.

4. Clip brake tube (3) to routing clip (4) below Fuse And Relay Center.

5. Clip brake tubes (1, 2 and 10) to two routing clips (6) along upper radiator support.

imageOpen In New TabZoom/Print

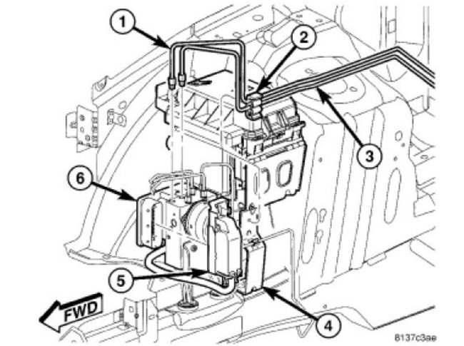
6. Connect 47-way wiring connector (5) at ABM (6).

imageOpen In New TabZoom/Print

7. Connect battery negative cable (2) to battery post. It is important that this is performed properly.

8. Perform Diagnostic Verification Test and clear any faults.
Was this
answer
helpful?
Yes
No
Monday, March 15th, 2021 AT 3:26 AM

Please login or register to post a reply.