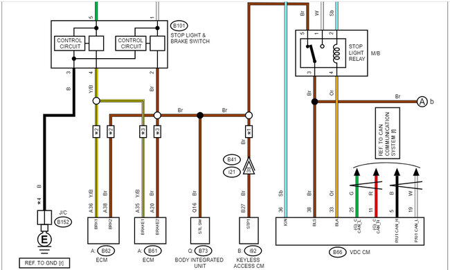
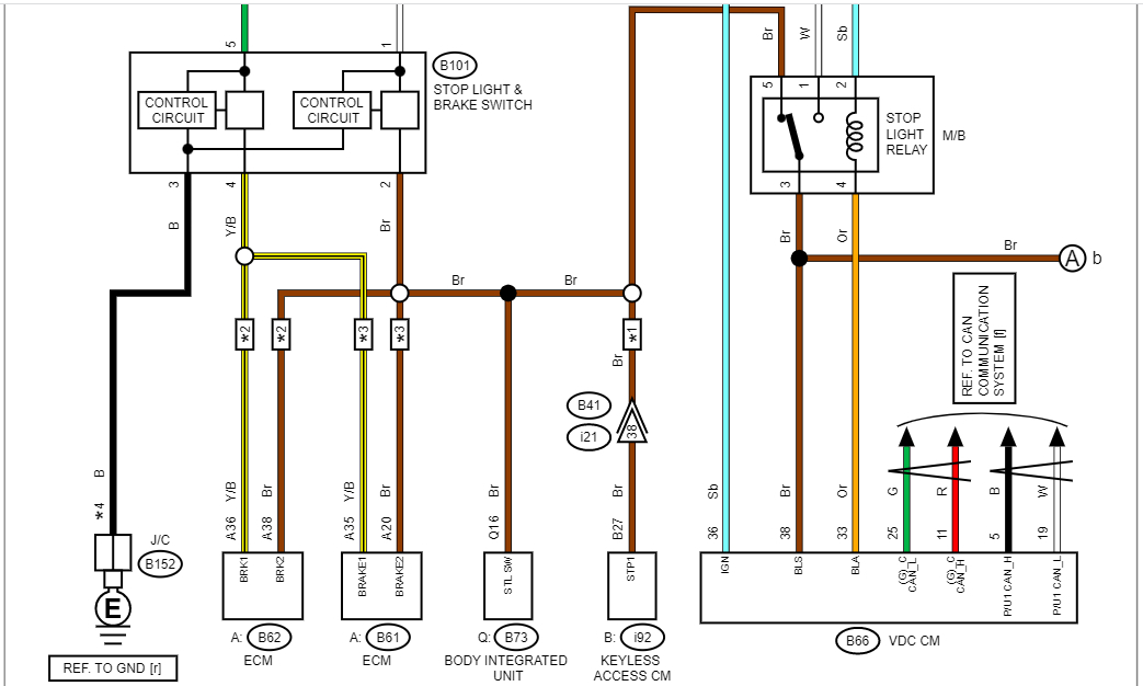
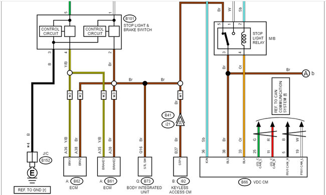
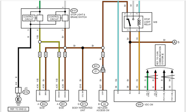
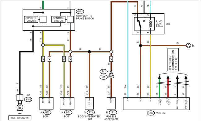
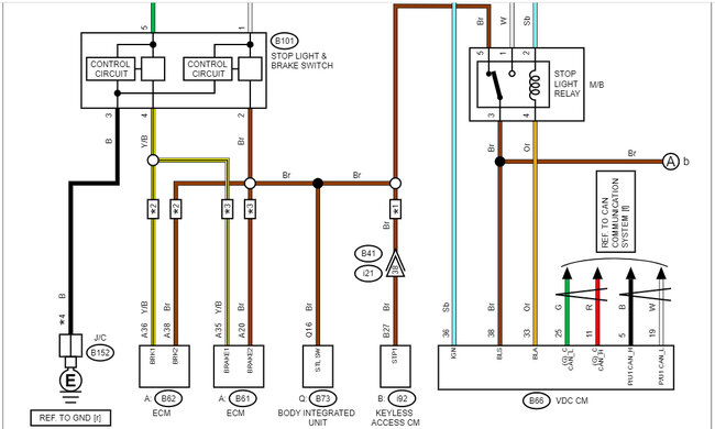
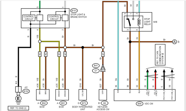
I am hooking up a Redarc brake controller and I need to find the cold wire coming from the brake pedal plunger. There are five wires, white, yellow, black, green and blue/red. In an installation video that I was following for a 2020 Outback, I was told to select the brown wire. Well, for my 2022 there is no brown wire.
I am looking for the wire that is only hot when the brake pedal is pushed. Any help will be greatly appreciated.
I am looking for the wire that is only hot when the brake pedal is pushed. Any help will be greatly appreciated.
Oct 24, 2022 at 9:18 AM



