HOME
ASK A QUESTION
REPAIR GUIDES
BECOME A MEMBER
LOG IN
Login with Facebook
OR
Remember me
NOT A MEMBER?
FORGOT PASSWORD?
CONTACT US
PRIVACY POLICY
TERMS AND CONDITIONS
☰
Home
Chevrolet
1500
Exterior Light
Turn Signal
Not Working
Brake and turn signal lights not working
HANDYHARRY2
MEMBER
1982 CHEVROLET 1500
200,000 MILES
Right rear turn signal and brake light not working. Replaced bulbs and light receptacle. Still does not work.
Tuesday, October 16th, 2018 AT 11:44 AM
1 Reply
KEN L
MASTER CERTIFIED MECHANIC
54,364 POSTS
Hello,
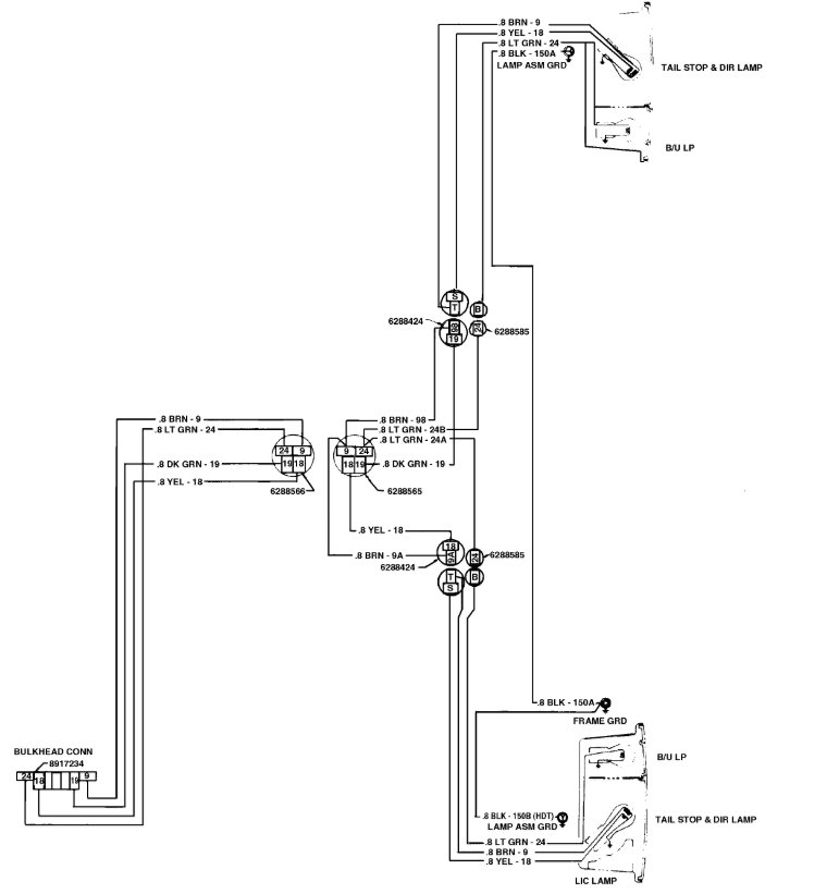
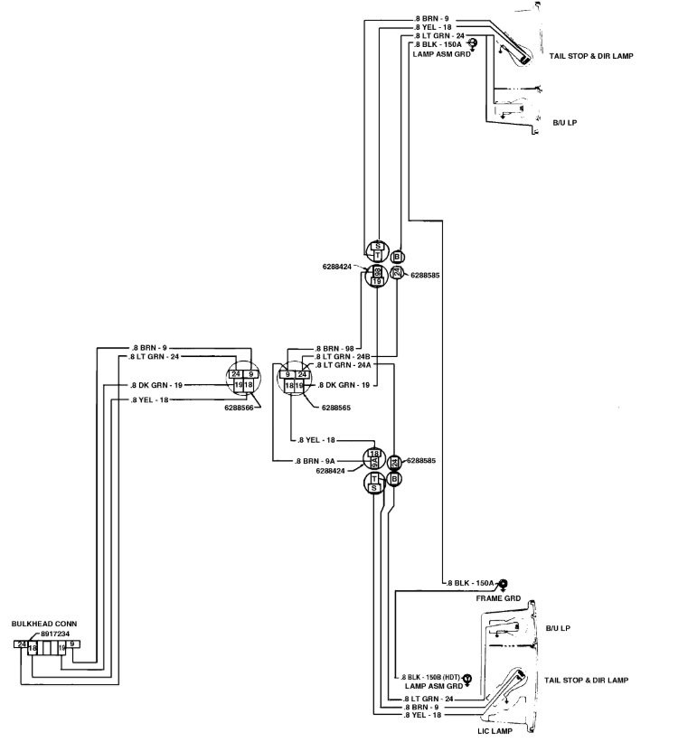
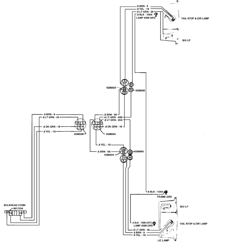
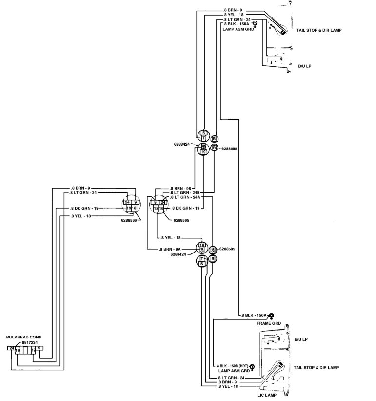
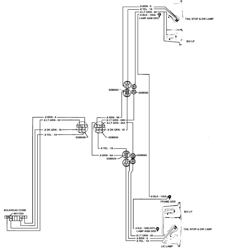
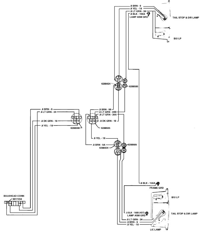
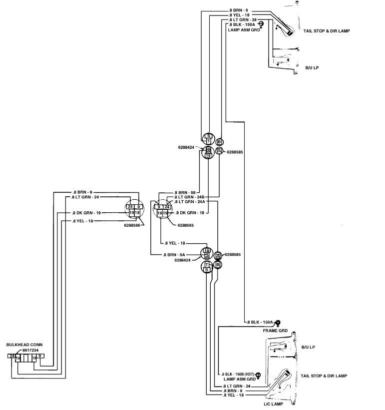
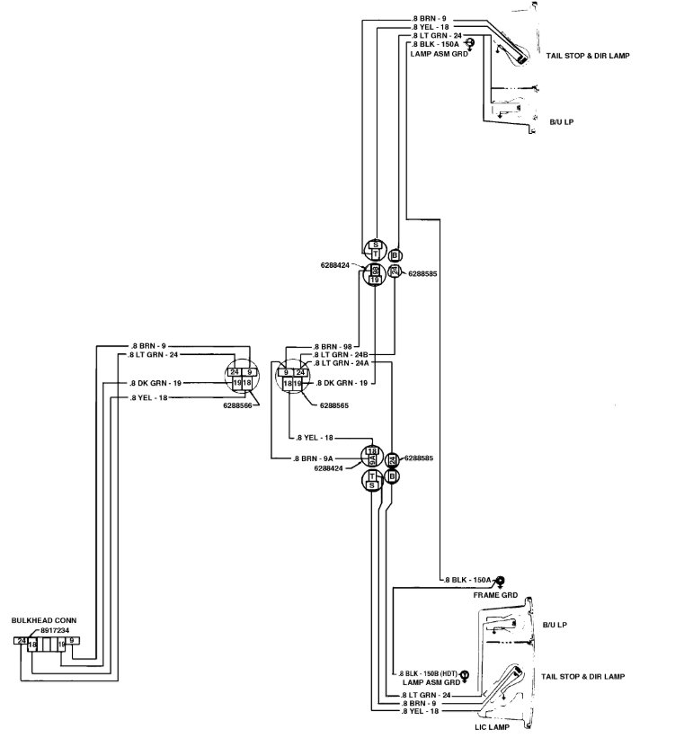
It sounds like you have a bad ground wire. Here is a guide that will help you test the grounds and power to the brake light bulb:
https://www.2carpros.com/articles/brake-lights-not-working
Here is the wiring diagrams so you can see how the system works.
Check out the diagrams (below). Please let us know what you find.
Cheers, Ken
Image (Click to make bigger)
Was this
answer
helpful?
Yes
No
Thursday, October 18th, 2018 AT 10:15 AM
Please
login
or
register
to post a reply.
Related Turn Signal Not Working Content
GUIDE
Turn Signal Problems
Turn signals are intended to help inform surrounding drivers of the vehicle's intended change in direction. Although there are a few different causes for signal failure...
Ask a Car Question. It's Free!
Turn Signals Blink Fast
How to Use a Test Light
Have a Dim Headlight? - Try Replacing This!