Brake and reverse lights

Tiny
LISA N GERALD PAHUKOA
  • MEMBER
  • 2002 FORD EXPLORER SPORT TRAC
  • V6
  • 2WD
  • AUTOMATIC
  • 140,000 MILES
Brake and reverse lights not working. Brake lights were working but stopped last night. Indicators work okay.
Saturday, June 24th, 2017 AT 8:45 AM

1 Reply

Tiny
KEN L
  • MASTER CERTIFIED MECHANIC
  • 55,488 POSTS
Hello,

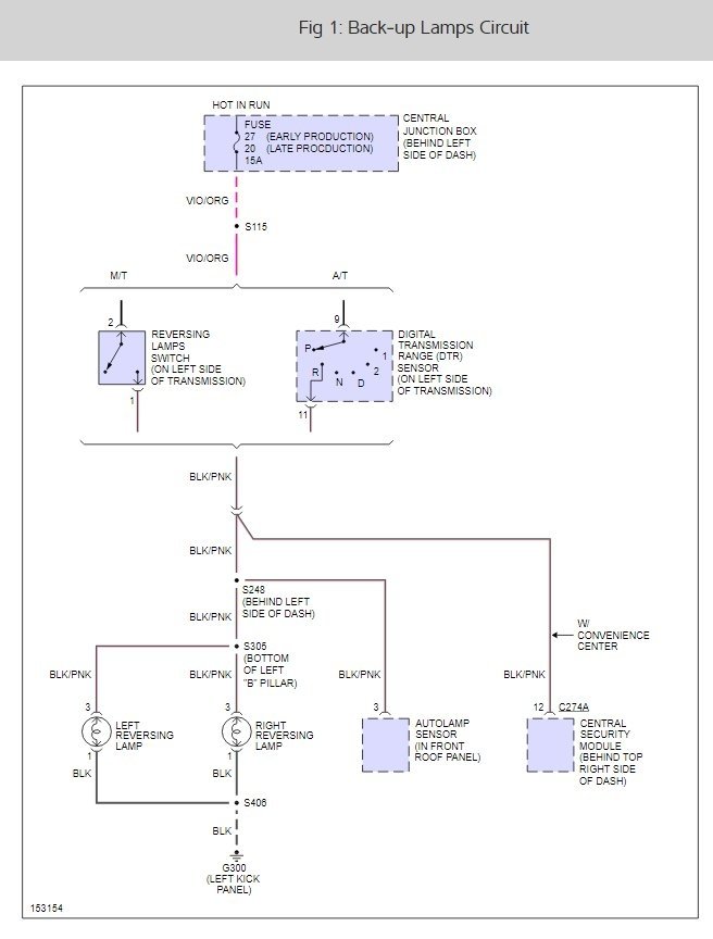
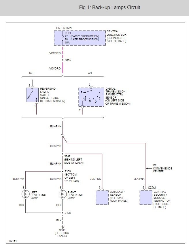
It sounds like the position switch on the transmission has gone out but to confirm we should do should testing. Here is a guide and a wiring diagram (below) please check for power at the switch and then going to the lights.

https://www.2carpros.com/articles/how-to-use-a-test-light-circuit-tester

Please run some tests and get back to us so we can continue helping you.

Cheers, Ken
Was this
answer
helpful?
Yes
No
Monday, June 26th, 2017 AT 12:56 PM

Please login or register to post a reply.