HOME
ASK A QUESTION
REPAIR GUIDES
BECOME A MEMBER
LOG IN
Login with Facebook
OR
Remember me
NOT A MEMBER?
FORGOT PASSWORD?
CONTACT US
PRIVACY POLICY
TERMS AND CONDITIONS
☰
Home
Ford
Thunderbird
Engine
Vacuum Hose Diagram
Booster line and vacuum line diagram?
JOHNFITZMORRIS51
MEMBER
1987 FORD THUNDERBIRD
2.3L
4 CYL
TURBO
2WD
MANUAL
87,000 MILES
I need to track down all the lines
Thursday, January 8th, 2026 AT 12:56 PM
1 Reply
CARADIODOC
MECHANIC
34,481 POSTS
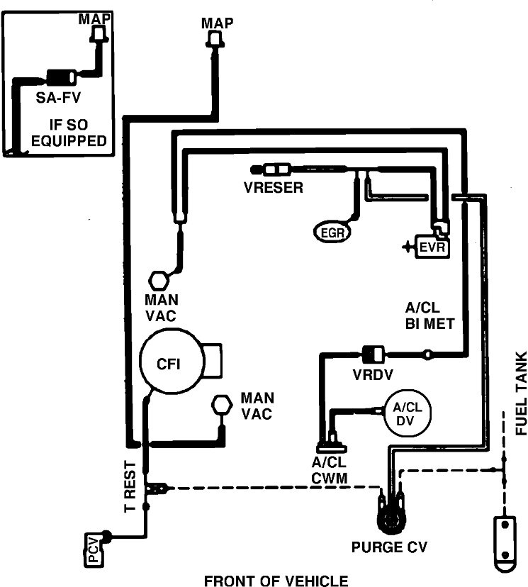
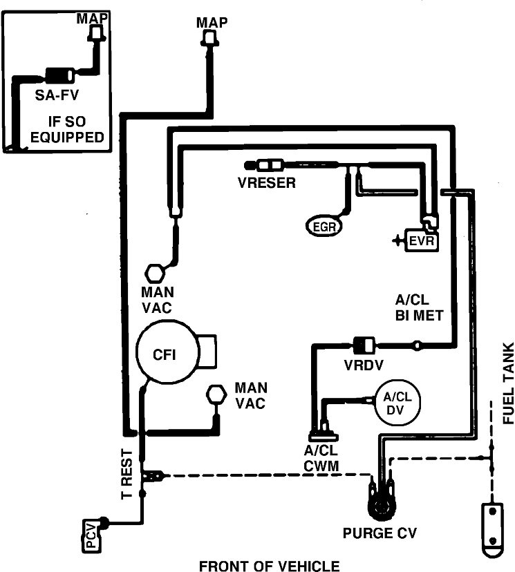
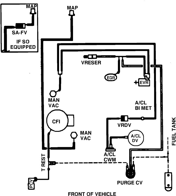
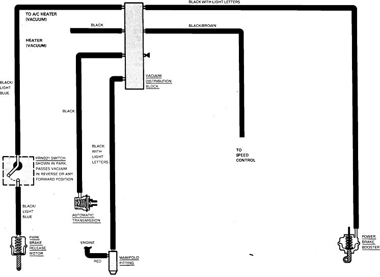
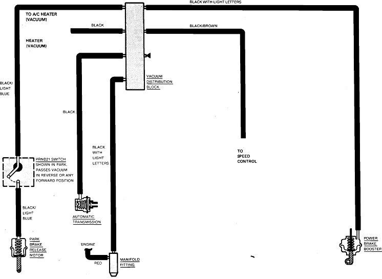
This first diagram is for Brakes and Transmission. Second one is for the cruise control system. Last two are for two versions of the emissions system, CFI and EFI.
Images (Click to make bigger)
Was this
answer
helpful?
Yes
No
Thursday, January 8th, 2026 AT 1:48 PM
Please
login
or
register
to post a reply.
Related Vacuum Hose Diagram Content
1994 Ford Thunderbird Boost Gauge
Interior Problem 1994 Ford Thunderbird 6 Cyl Two Wheel Drive Automatic My Boost Gauge On My Thunderbird Sc Does Not Work. I Checked...
Asked by
rezid214
·
1 ANSWER
1994
FORD THUNDERBIRD
Brake Issue On 1987 Ford Thunder Bird Turbo Coupe
I Own A 1987 Ford Thunder Bird Turbo Coupe And About 3 Weeks Ago I Was Driving Up An Upramp That Was Off Of The High Way. I Applied Pressure...
Asked by
Pdunkin
·
1 ANSWER
1987
FORD THUNDERBIRD
Why Do I Need To Pump The Pedal To Keep It Running?
I Have To Pump The Accelerator Pedal To Start And Keep The Engine Running On My 1987 Thunderbird With A 3.8l Throttle Body Fuel Injected...
Asked by
Frisch25
·
2 ANSWERS
1987
FORD THUNDERBIRD
How Do I Know If There Is A Crack In The Intake...
Just Put An Engine In The Car And I Had Put Wd40 In One Of The Holes To Screw A Bolt In And As I Was Screwing The Bolt In I Saw Mist Coming...
Asked by
connie25
·
3 ANSWERS
3 IMAGES
1991
FORD THUNDERBIRD
Intake Manifold Cooling Tube
There Are 2 Cooling Tubes That Run Along The Passenger Side Of The Intake Manifold. The One That Has The Coolant Sensor, Is It Pressed...
Asked by
fordtbird34002
·
4 ANSWERS
1988
FORD THUNDERBIRD
VIEW MORE
Ask a Car Question. It's Free!
How to Repair an Engine Cylinder Misfire
Misfire Random Code P0300
Vacuum Leak Symptoms