Body Control Module?

Tiny
RABOND007
  • MEMBER
  • 2012 CHEVROLET TAHOE
  • 172,500 MILES
Where on a 2012 Tahoe PPV is the BCM located?
Saturday, January 10th, 2026 AT 11:23 AM

6 Replies

Tiny
STEVE W.
  • MECHANIC
  • 15,691 POSTS
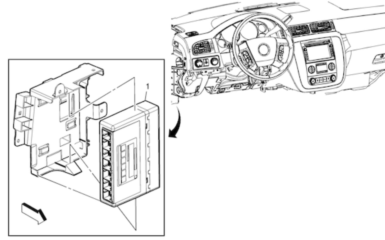
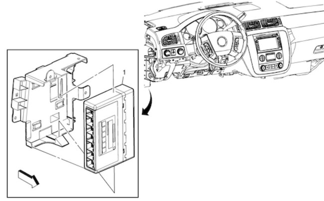
There are usually 2 on those, a main BCM and an auxiliary. The main unit is tucked behind the knee bolster trim under the left side of the dash, the other one is in the center of the dash behind the air bag assembly. What is the issue you are having?
Was this
answer
helpful?
Yes
No
Saturday, January 10th, 2026 AT 4:32 PM
Tiny
RABOND007
  • MEMBER
  • 4 POSTS
Drivers door lock/unlock. Key in ignition reminder. Headlights on reminder. No dome light when opening drivers door. Also maybe unrelated but no windows or mirror controls on drivers door master
Was this
answer
helpful?
Yes
No
Saturday, January 10th, 2026 AT 5:00 PM
Tiny
STEVE W.
  • MECHANIC
  • 15,691 POSTS
Most of those are likely not BCM related for failure. I've seen a few ex patrol vehicles that had the key in and headlights on reminders removed because of the way the vehicles are used. Do you have a good scan tool that can access live data in the BCM? That would give you a lot of help by seeing if the latch switch is working in the door. It would also let you see if the switches are sending signals to the various systems.
Was this
answer
helpful?
Yes
No
Sunday, January 11th, 2026 AT 8:10 PM
Tiny
RABOND007
  • MEMBER
  • 4 POSTS
Door controls have no ground. Probally a broken wire. Temp ground allows all DDM functions to operate. Key/Headlight has always worked.I have had the vehicle for 3 years. Scan tool shows a BCM communication problem and no signals for door latch either lock or unlock.
Was this
answer
helpful?
Yes
No
Monday, January 12th, 2026 AT 5:49 AM
Tiny
RABOND007
  • MEMBER
  • 4 POSTS
Also, dashlights wont turn off after removing key unless one of the other 3 doors are opened.
Was this
answer
helpful?
Yes
No
Monday, January 12th, 2026 AT 5:50 AM
Tiny
STEVE W.
  • MECHANIC
  • 15,691 POSTS
The broken ground can also cause all these problems as the latch uses that ground as well. The most common area that they fail in is the accordion bellows between the A pillar and the door. That would take the door module offline and cause a comm problem. They are not that hard to repair but it is much easier if you disconnect the harness and remove it from the boot to get access. To do that you remove the inner door panel and the trim at the base of the A-pillar in the left footwell, then unplug the harness and pull it back into the door. Now you can get to the wires to do a repair. Generally I will cut the broken wires back to the areas where the wires don't flex as much. Then use crimp and seal or solder and shrink tube to add in a new section. If the wire isn't visibly broken you can test them by pulling at each end and look for an area where the insulation hour-glasses over the break. Then repair them.
Was this
answer
helpful?
Yes
No
Monday, January 12th, 2026 AT 6:21 PM

Please login or register to post a reply.