Rear Wiper Washer not working

Tiny
DELPEL
  • MEMBER
  • 2005 BMW X3
  • 4 CYL
  • 4WD
  • MANUAL
  • 54,000 MILES
Hi, my rear washer/wiper has stopped working today for no apparent reason. It worked about 1 week ago when I last used it. I have checked the fuses in the glovebox mounted fuse box - both OK.

Is this a common fault? If not what are wire colours and where are the plugs/sockets in this circuit located so I can do some voltage checks.

Thank you
Friday, July 16th, 2010 AT 3:22 PM

6 Replies

Tiny
DOCHAGERTY
  • MECHANIC
  • 9,603 POSTS
Hello,

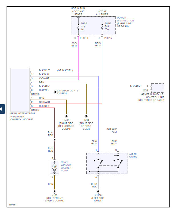
There are two fuses that run the system # F15 and F45 here is a guide to help you test them for power and the rear wiper wiring diagrams so you can see how the system works. (below)

https://www.2carpros.com/articles/how-to-check-a-car-fuse

Check out the diagrams (Below). Please let us know what happens.
Was this
answer
helpful?
Yes
No
Saturday, July 17th, 2010 AT 1:32 PM
Tiny
DELPEL
  • MEMBER
  • 2 POSTS
Thanks for the info I checked the fuses they were okay so I replaced the washer motor which did the trick thanks again.

Cheers
Derek
Was this
answer
helpful?
Yes
No
Saturday, July 17th, 2010 AT 3:41 PM
Tiny
REWART
  • MEMBER
  • 1 POST
  • 2005 BMW X3
  • 4 CYL
  • 4WD
  • MANUAL
  • 68,000 MILES
Main windscreen washers not working, I can still hear the pump working, where do the pipe connection from the bottle to nossles on bonnet go to check if there is a loose connection. Rear working okay
Was this
answer
helpful?
Yes
No
Monday, April 27th, 2020 AT 12:32 PM (Merged)
Tiny
DOCHAGERTY
  • MECHANIC
  • 9,603 POSTS
I would start by removing the pump for the windshield washers and see if the screen is blocked.
Was this
answer
helpful?
Yes
No
Monday, April 27th, 2020 AT 12:32 PM (Merged)
Tiny
ROSSBRO
  • MEMBER
  • 4 POSTS
I had the very same problem with my X3 recently and it was really easy to resolve.

At the front of the screen bottle, there are two pumps (one for front and one for the rear). They simply click forward and then lift out revealing a rubber stopper which the pump sits in.

Simply remove the rubber stoppers and attached to them is a filter which gets clogged up. Clean the filters and simply put them back in.

One thing to note. When you remove the filter, you will drain the entire content of your screen wash bottle!
Was this
answer
helpful?
Yes
No
+3
Monday, April 27th, 2020 AT 12:32 PM (Merged)
Tiny
DOCHAGERTY
  • MECHANIC
  • 9,603 POSTS
It is always nice to have someone in agreement!
Was this
answer
helpful?
Yes
No
Monday, April 27th, 2020 AT 12:32 PM (Merged)

Please login or register to post a reply.