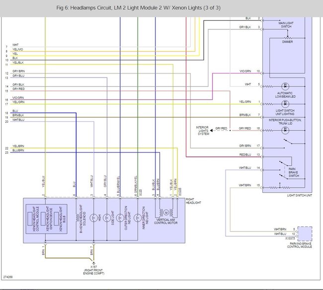
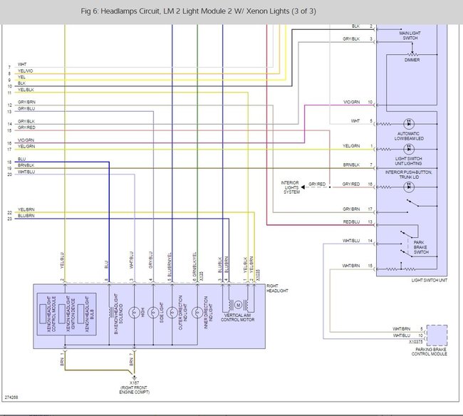
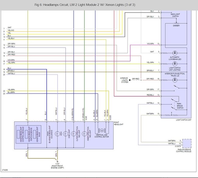
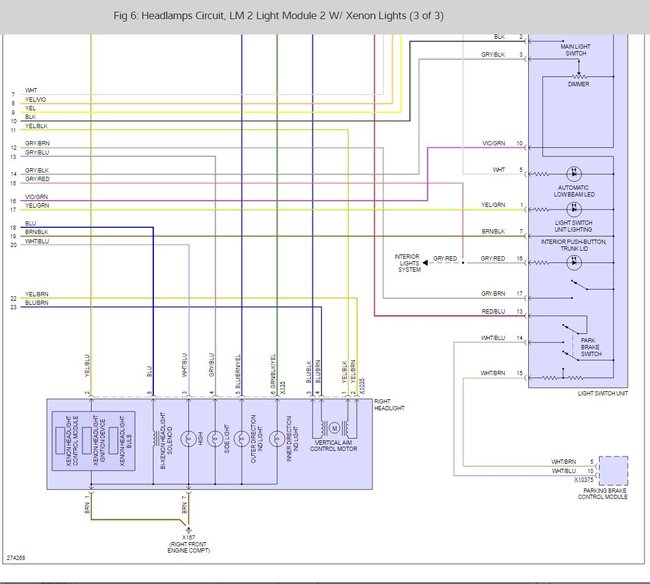
My low beam and high beam lights will not work only on drivers side. Have replace Bulbs and igniter. High beam will work when ignition is not on and lever is pulled, but ill not come on when engine is running. I do not have a fuse card or chart. I would not know which fuse.I will check all fuses. Do you have a fuse chart that you could copy and email, or could you give me an indication of which fuse to look for.
I really appreciate it. I am going to have to locate a fuse chart. They didn't make getting to the fuse panel in the dash board to easy to get o did they
I have changed the igniter and checked it on the other side of vehicle. The ignitor works fine on the other side. Will try again though because of your advice.I am still going to check the fuses. You are a great source of help.
I only have the yellow lighten that surrounds the bulbs. On the left side. Right side is ok.
Thanks again.I really appreciate you.
Thanks//
Sunday, October 24th, 2010 AT 9:01 PM





















