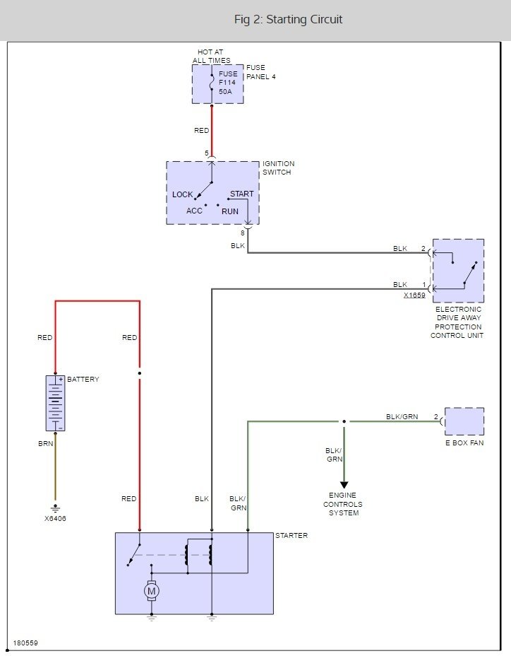
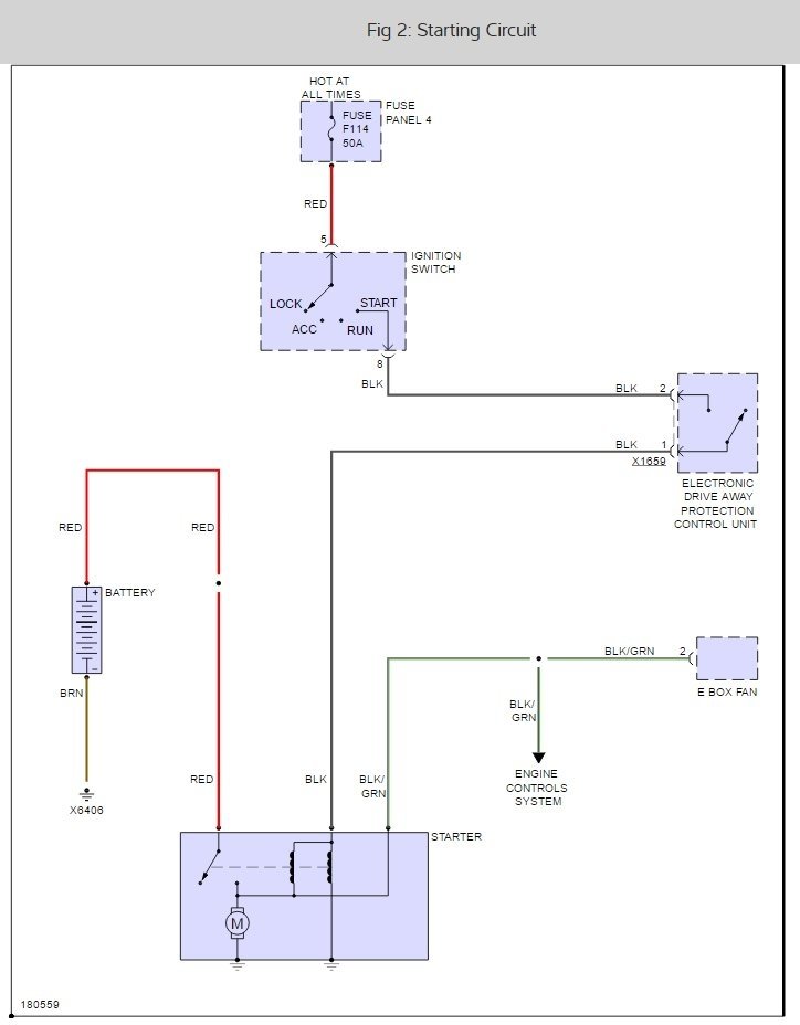
1998 BMW 528 6 cyl Two Wheel Drive Automatic
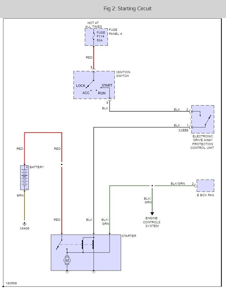
my 1998 bmw 528i wont start I check the starter and it good put new connectors on starter but still don't even click. Need to kno where would the starter relay be on my bmw?
Sunday, October 10th, 2010 AT 12:04 AM



