How many airbag sensors?

Tiny
MARYSWAN
  • MEMBER
  • 1999 BMW 328
Other Category problem
1999 BMW 328 6 cyl Wheel Drive Type unknown Automatic 82000 miles

I have 1999 328ic bmw convertible sports package. How many air bag sensors must I bag to repair the old ones?

Thanks!
Thursday, December 13th, 2007 AT 12:58 PM

2 Replies

Tiny
DOCHAGERTY
  • MECHANIC
  • 9,603 POSTS
I don't understand the question. Please tell me what you mean by "bag the sensors"
Was this
answer
helpful?
Yes
No
Saturday, December 15th, 2007 AT 12:37 AM
Tiny
KEN L
  • MASTER CERTIFIED MECHANIC
  • 55,090 POSTS
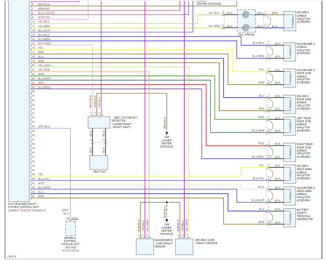
There are two impact sensors and to seat belt sensors, here is the airbag system wiring diagrams so you can see how the system works. Check out the images (below). Let us know if you need anything else.
Was this
answer
helpful?
Yes
No
Tuesday, September 10th, 2024 AT 5:55 PM

Please login or register to post a reply.