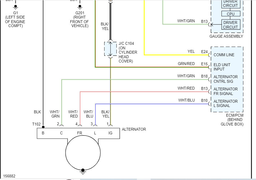
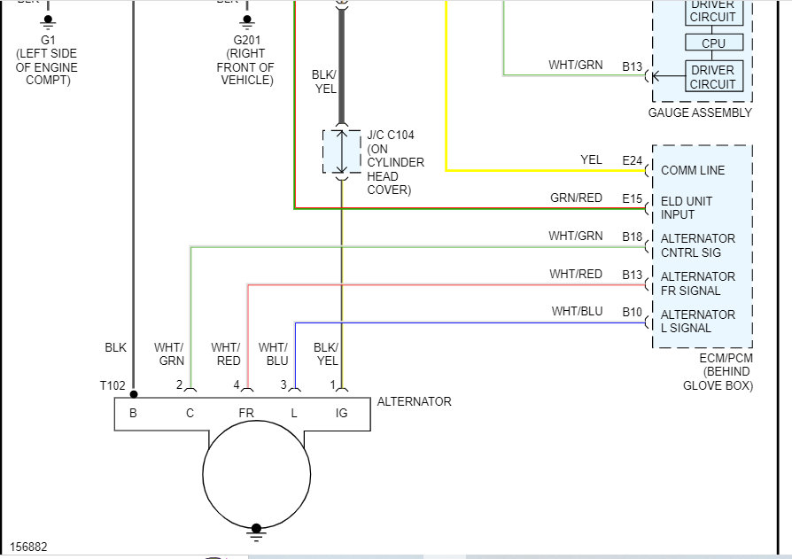
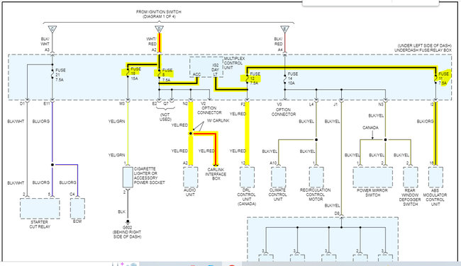
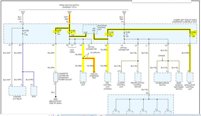
My issue is a blown 49-amp alternator fuse. Replaced battery as originally thought that was issue. Battery totally drained after a day. Researched and decided to replace alternator. All has been well for two weeks, so I thought that fixed it. Suddenly one day at car wash, the car decided to quit running. No dash light or inside light, but had headlights were still working. Looked into engine compartment fuses and found the blown 40-amp fuse (had copper side terminals that screw down). Looked at inside fuses as well, all were good. What I did notice was the fuse that was in there had the copper wings cut down to fit. I found all the newer 40-amp fuses are too large and in order to fit need to be altered. I called Honda dealer to ask if they’re specific fuses to Honda and he stated no. Not sure where to look to find the short, which I assume it is. I’m no mechanic as a friend helped me replace the alternator. Any help/insight would be appreciated! Thanks
Tuesday, August 30th, 2022 AT 11:38 AM











