Thursday, August 3rd, 2023 AT 12:34 PM
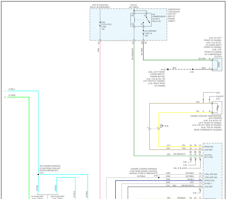
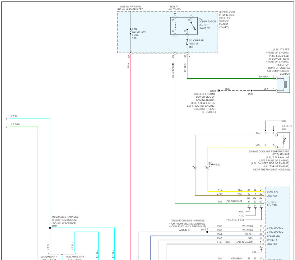
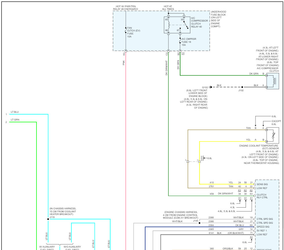
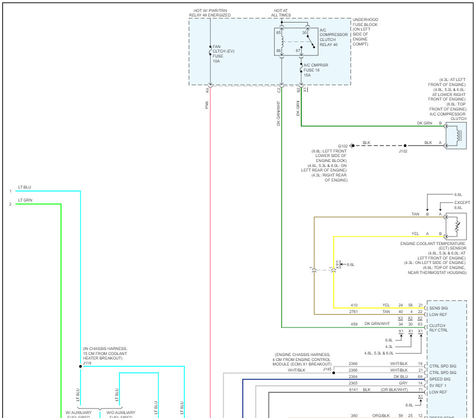
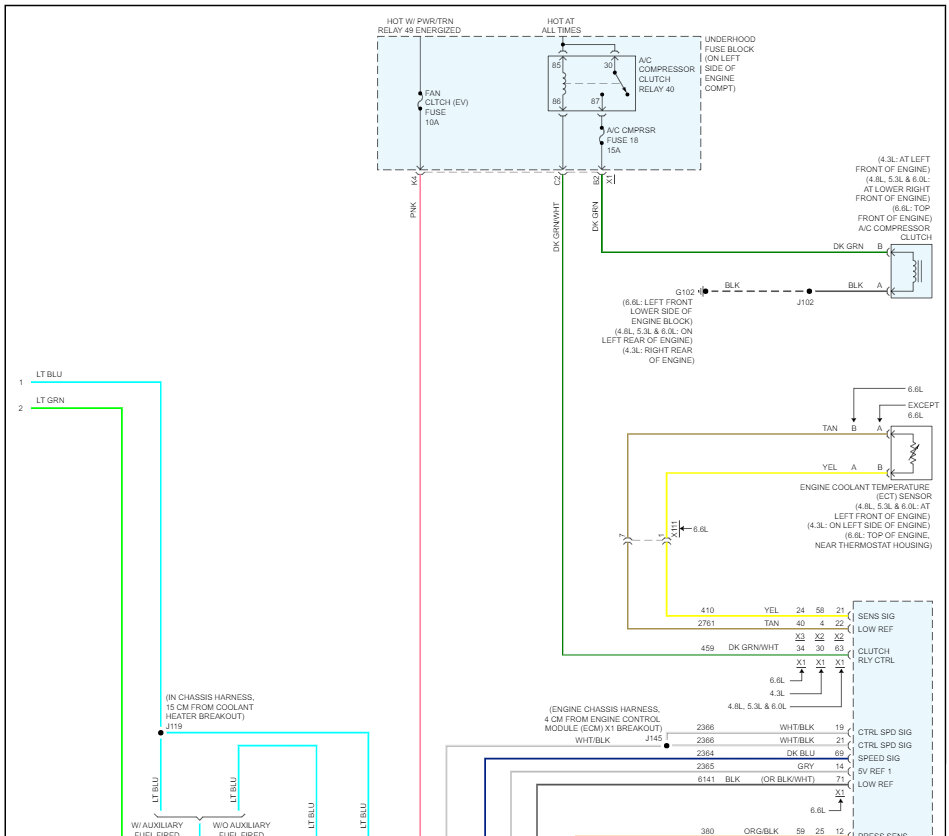
Okay, I have the vehicle listed above 3500, 15 passenger van, I have replaced the rear blower, resistor, resistor pigtail and plug, and it still keeps blowing fuses! What should I look at next? It has blown the #29 fuse more than once, before I changed the blower and resistor. The #29 fuse is the rear blower fuse, located in the under driver's seat fuse box and it is a 30-amp j-body female fuse, I believe. (Small "Lego"-looking brick with a clear lid)










