Blowing the cigarette and radio fuses?

Tiny
LHARMON207
  • MEMBER
  • 1990 SUZUKI SIDEKICK
  • 1.6L
  • 4WD
  • MANUAL
  • 189,000 MILES
Hello, so while driving my vehicle listed above just quit running after inspecting, I found a fuse was blown and it was the cig radio fuse I replaced the fuse and about two blocks later it died again and now won't start or even turn on without blowing that fuse again?
Friday, June 7th, 2024 AT 9:32 PM

6 Replies

Tiny
KEN L
  • MASTER CERTIFIED MECHANIC
  • 55,440 POSTS
I would remove the cigarette power wire because they can go bad or look inside the lighter using a flashlight near the bottom to see if there is a coin inside of it. This is common, please let me know.
Was this
answer
helpful?
Yes
No
Saturday, June 8th, 2024 AT 11:40 AM
Tiny
LHARMON207
  • MEMBER
  • 3 POSTS
Already did that I disconnected both the lighter and the radio and it's popping the fuse before I can even get it in.
Was this
answer
helpful?
Yes
No
Saturday, June 8th, 2024 AT 7:37 PM
Tiny
KEN L
  • MASTER CERTIFIED MECHANIC
  • 55,440 POSTS
Can you look under the dash to see if any of the wiring has been damaged? Also, what is the condition of the fuse panel? My source does not show the wiring diagrams for this car, sorry.
Was this
answer
helpful?
Yes
No
Monday, June 10th, 2024 AT 10:27 AM
Tiny
LHARMON207
  • MEMBER
  • 3 POSTS
Yes, I pulled the steering wheel and dash off no wiring looked damaged I had an oil leak so I cleaned every ground I could find and I disconnected the starter and alternator and it still blows that fuse as soon as the key goes to on its driving me crazy.
Was this
answer
helpful?
Yes
No
Monday, June 10th, 2024 AT 1:53 PM
Tiny
STEVE W.
  • MECHANIC
  • 15,691 POSTS
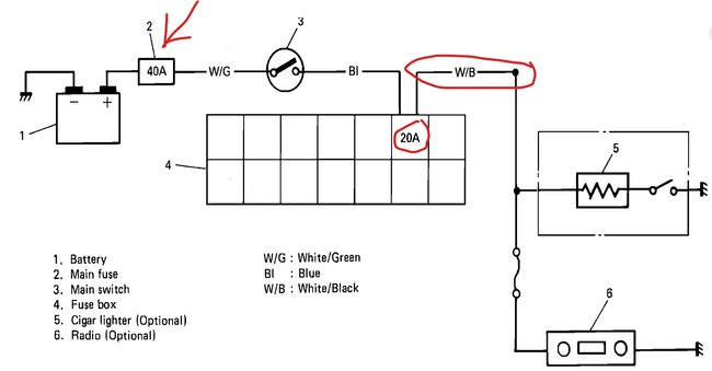
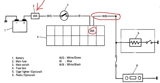
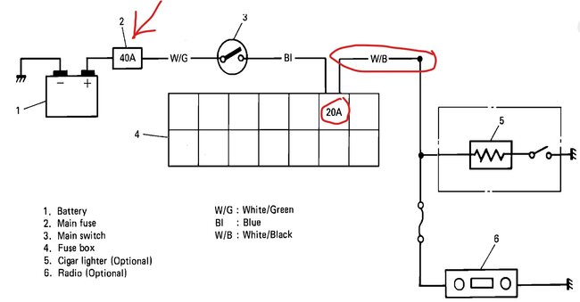
Is it the 40 amp fuse link or the 20 amp in the fuse box for the cigar lighter & radio that blows? Both of those were optional items connected to a White wire with Black stripe that comes out of the fuse block. If it kept blowing and now it won't start I would check the 40 amp fuse link under the hood. If it blew it would shut off the other power as well.
Then to find the short in the radio harness I would get either a short finder or a fox and hound unit and use those to check the wiring. My suspicion is that the harness is shorted inside the tape at one of the places it is fastened. Saw that on one I had. The wires inside the harness chaffed at the splice where the radio and lighter harness was attached.
Was this
answer
helpful?
Yes
No
Monday, June 10th, 2024 AT 5:11 PM
Tiny
KEN L
  • MASTER CERTIFIED MECHANIC
  • 55,440 POSTS
The wiring sounds like it is shorted to ground, I would try repairing the wiring while looking for the problem to help confirm the fix.
Was this
answer
helpful?
Yes
No
Monday, June 10th, 2024 AT 5:12 PM

Please login or register to post a reply.