Thursday, June 16th, 2016 AT 5:44 PM
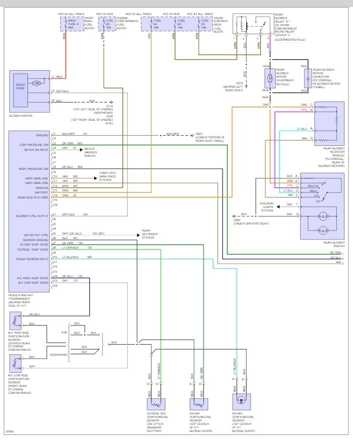
Blower stayed on after car is turned off. Also, air conditioner turns on and off when engine is on. Problem started with oe blower motor staying on after I pressed the off button and turned the vehicle off. I started off disconnecting the battery. Later I found out I could half crank the vehicle (just enough to turn over) and the blower would turn off. Well I changed the blower motor, put a brand new one on. Same issue. Well, after a tune up the blower would turn off with the vehicle, but I cannot get the air conditioner, or the blower motor rather, to stay on. It blows hard and cold then it cuts off. I tried wiggling cables and harnesses to no avail. Help me please



