Blower resistor wiring black wire gets hot and melts?

Tiny
COMPUSATLLC
  • MEMBER
  • 2006 CHEVROLET SILVERADO
  • 4.3L
  • V6
  • 2WD
  • AUTOMATIC
  • 132,633 MILES
Blower resistor.
Thursday, August 10th, 2023 AT 8:15 AM

3 Replies

Tiny
JACOBANDNICKOLAS
  • MECHANIC
  • 110,192 POSTS
Hi,

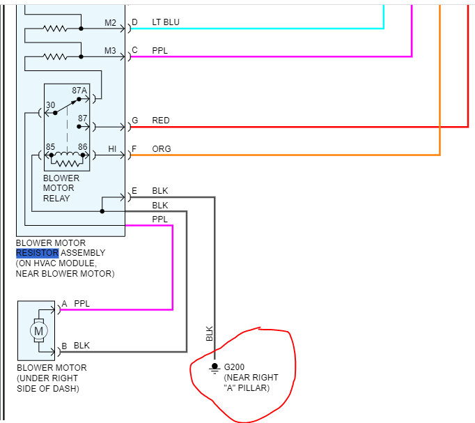
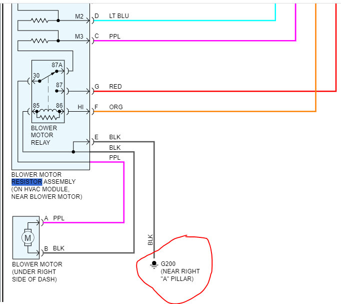
The black wire is the ground. If it is getting hot and melting, either we have a faulty blower motor (drawing too many amps) or a poor connection.

Inspect the connector to make sure the pin isn't corroded, damaged, or pushed in preventing a good connection. (See pic below) Also note that if you have already replaced the wire and it was done with a lighter gauge wire, which will cause this as well.

If that is good, locate the ground (G200) near the A-pillar. That is the left side pillar where the windshield is mounted. See pic 2. Note the location is high in the dash.

Let me know.

Take care,

Joe

See pics below.
Was this
answer
helpful?
Yes
No
Thursday, August 10th, 2023 AT 8:06 PM
Tiny
COMPUSATLLC
  • MEMBER
  • 2 POSTS
My wiring is not like that.
Was this
answer
helpful?
Yes
No
Saturday, August 12th, 2023 AT 2:42 PM
Tiny
JACOBANDNICKOLAS
  • MECHANIC
  • 110,192 POSTS
Hi,

That is what my manual is showing for an 06 1500. What is different? Let me know and I'll dig through some other schematics to see if I can match it.

Let me know.

Joe
Was this
answer
helpful?
Yes
No
Saturday, August 12th, 2023 AT 8:24 PM

Please login or register to post a reply.