Blower noise

2004 CHEVROLET TRACKER
178,000 MILES • 2.5L • 6 CYL • 4WD
Avatar
LAURIE BRADFORD
  • MEMBER
  • 1 POST
It is an awful racket, like big rocks rolling around with screeching in the background and puts out very little air. Is that the motor or the resistor?
Sep 19, 2018 at 2:11 PM
Repair Safety Notice: This information is for general instructional purposes only. Vehicle repair can be dangerous. Verify all information, follow manufacturer service procedures, use proper tools and safety equipment, and consult a qualified repair shop when needed.
Advertisement
Avatar
ASEMASTER6371
  • CAR REPAIR CONTRIBUTOR
  • 52,796 POSTS
Good afternoon.

That is the blower motor itself. It has bearings inside that fail over time.

Roy

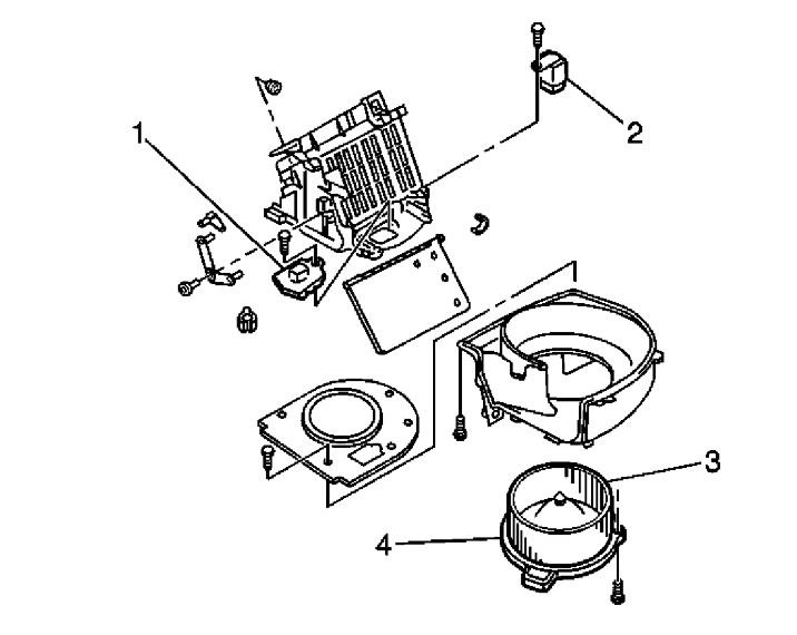
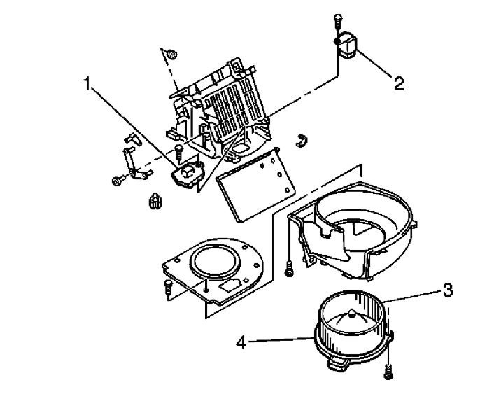
REMOVAL PROCEDURE
1. Disconnect the negative battery cable.

CAUTION:
- Refer to SIR Caution in Service Precautions.
- Refer to Battery Disconnect Caution in Service Precautions.

2. Disconnect the blower motor electrical connector.
3. Remove the PCM.


imageOpen In New TabZoom/Print

4. Remove 3 screws and the blower motor and fan (4) from the blower case.
5. If necessary to remove the blower case, refer to Heater Case Replacement.
Sep 19, 2018 at 2:54 PM
Advertisement