Here is what I’ve done so far:
- Replaced the blower motor
- Replaced the blower motor resistor
- Replaced the control switch panel (this is what the dealership told me the problem was)
- Replaced the ignition switch
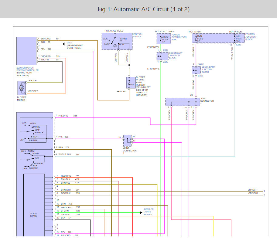
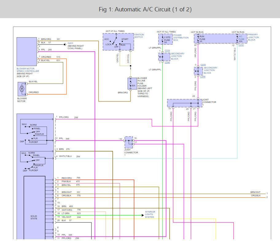
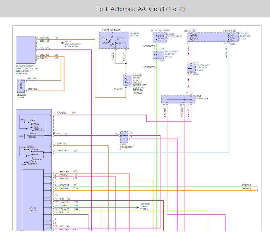
I’m not really sure what to try next. My multimeter shows no voltage at the blower motor, resistor, and the control switch. The 10A fuse under the driver's side dash has a small voltage ~0.2V and the high current 60A fuse under the hood is fine at 12.4V. Both fuses pass continuity test on my multimeter. I’m not sure what other components could be in the circuit, or what else to troubleshoot and need some help.
Sunday, June 26th, 2022 AT 3:38 PM





