Monday, August 24th, 2020 AT 6:36 PM
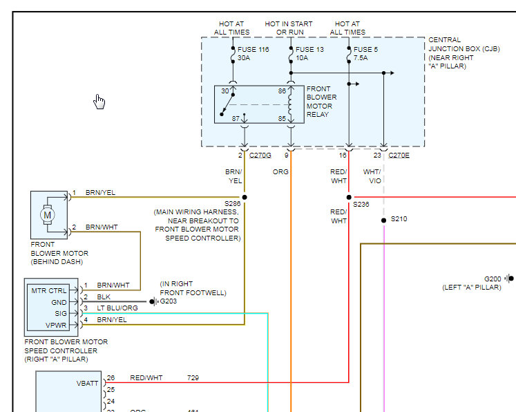
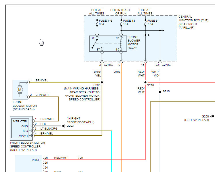
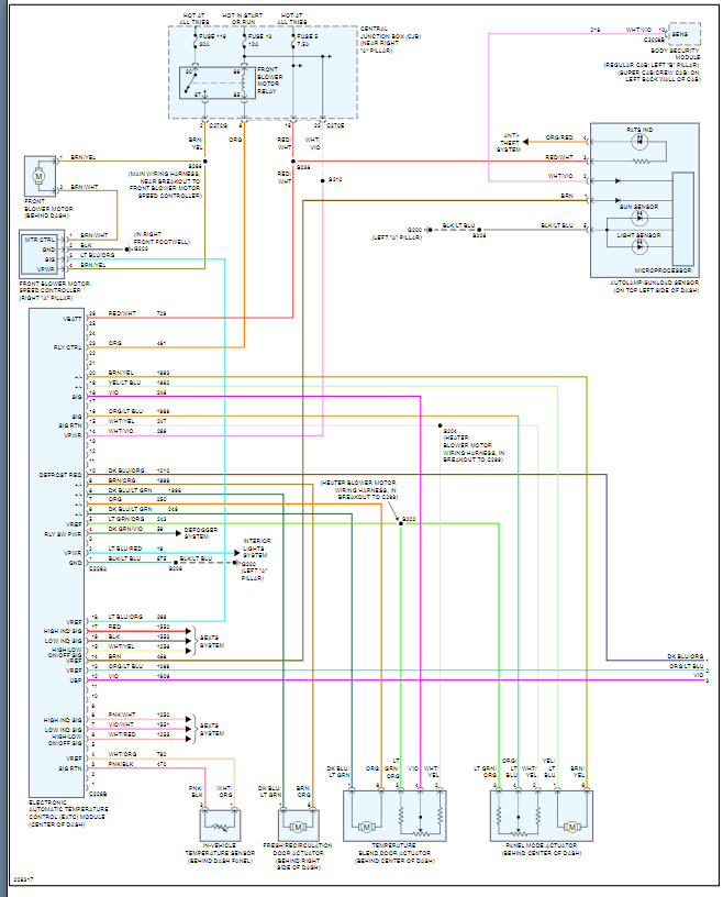
I have replaced the blower motor and the blower motor resistor. It was working on all settings, and I set it on auto A/C it slowed down then it would speed up it quit for a few seconds then went on high then it just stopped. Like I sad the motor is new, and it has a new resistor, it did the same thing with the old motor. Please help. It is a automatic transmission, not manual.




