Blower motor issues?

Tiny
JOE THE MARINE
  • MEMBER
  • 2002 CHEVROLET BLAZER
  • 4.3L
  • 6 CYL
  • 4WD
  • AUTOMATIC
  • 194,000 MILES
With the blower motor on high and A/C on max, as I give it more gas, the motor slows down in speed. When I am idling and not running it blows on the high speed. This is a new AC Delco motor and resistor and relay. Could this be a electrical problem somewhere in the engine compartment? Oh, also the HVAC has been replaced also. How can I figure this issue out?
Thursday, August 1st, 2024 AT 6:04 AM

11 Replies

Tiny
JACOBANDNICKOLAS
  • MECHANIC
  • 110,192 POSTS
Hi,

Is it the fan slowing down or is it a loss of airflow? The only thing that should affect the blower motor speed is the resister.

If it seems like it is losing airflow pressure, see if it starts to come from a different location such as the defroster or the floor vent.

Let me know.

Joe
Was this
answer
helpful?
Yes
No
-1
Thursday, August 1st, 2024 AT 7:22 PM
Tiny
JOE THE MARINE
  • MEMBER
  • 86 POSTS
Thanks for staying with me on this issues I have been having, the air flow drops as I use the gas pedal going up a hill or go faster, but the blower motor still has force blowering. Could it be the relay thats causing this? Its on high speed when it slows down. Should I change the resistor again, its brand new and the relay is also and the blower motor. What a mind blowing thing, hun?
Was this
answer
helpful?
Yes
No
Monday, August 5th, 2024 AT 1:04 PM
Tiny
JACOBANDNICKOLAS
  • MECHANIC
  • 110,192 POSTS
Hi,

No, the resister isn't the issue. At some point in the system, there is an engine vacuum leak. The mode door actuator that controls air flow direction operates with engine vacuum. When you go up hill and your foot is heavier on the throttle, it causes vacuum to drop in the engine simply because the throttle plate is opened further.

When that happens, there is less available vacuum to the mode door actuator which is causing it to move or change the airflow direction to a different location. In most cases, it is to the defroster.

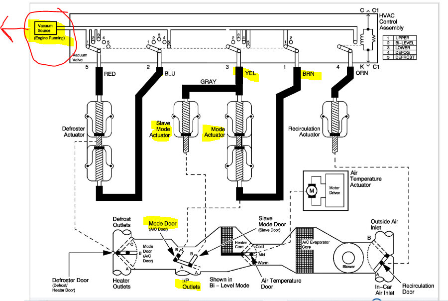
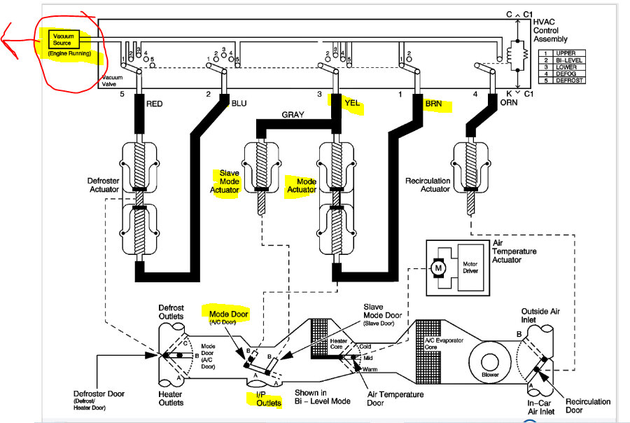
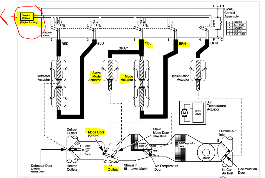
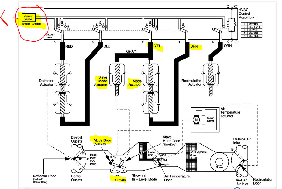
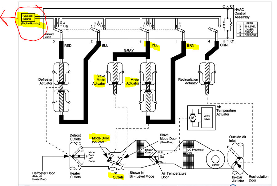
First, with the engine running, turn the fan on low and change the airflow direction to see if you hear a hissing sound or anything that sounds like a vacuum from under the dash. The actuator is on the passenger side under the glove box. I attached a picture of what it looks like and highlighted the vacuum hoses.

Pic 2 shows the entire system. I highlighted the mode actuators. Note the Plastic vacuum hoses to them are known to dry out and break. Also, the arrow in the upper left of the picture shows the vacuum supply is from the engine. We may have a leak under the hood as well.

Start with this and let me know if you find an issue.

Take care,

Joe

See pics below.
Was this
answer
helpful?
Yes
No
Monday, August 5th, 2024 AT 8:30 PM
Tiny
JOE THE MARINE
  • MEMBER
  • 86 POSTS
Thanks for the feedback, 1st I checked under the hood and seen that the round vacuum ball hose was not connected, and I see that this was why the low and high speeds as explained in my question, but your diagram did help and will keep for future references. So far, I been checking all the vacuum lines and found one that had trannny fluid inside, not much, but on the one actuator(# 52470773) the plunger is not working. Inow have to find and locate on, which are discontinued, nobody has these, and are hard to find. So I will have to blow out the line with very little air, again (2nd time ) and start my hunt for the part. Thanks for all the feedback so far and will try to solve this weak air issues in my vents. Too hot to be working outside ( 95 - 100 Degrees) the past 30 days here in PA. Will keep you update, Thanks again and god bless for the research you do for me.
Was this
answer
helpful?
Yes
No
Tuesday, August 6th, 2024 AT 8:19 AM
Tiny
JACOBANDNICKOLAS
  • MECHANIC
  • 110,192 POSTS
Joe,

No problem whatsoever. I'm near Pittsburgh, so I totally understand the heat and humidity we've been having.

Take care and stay in touch.

Joe
Was this
answer
helpful?
Yes
No
Tuesday, August 6th, 2024 AT 6:16 PM
Tiny
JOE THE MARINE
  • MEMBER
  • 86 POSTS
Back again. I was wondering, if I replace the blend door actuator located in the glove box and with the new one I get, can I just plug it in b4 I installed it to see if it is working and moving b4 I put it back on top of the door? I know it crazy, but the door does move when I turn it and watching a lot, I mean a lot of YouTube videos, it drives me crazy what to do and mind is manual, do I have to calibrate it? I see a lot say, pull this fuse out and wait 10- 30 seconds with the key on and so on and so on. What is the correct way? I was going to take the blower motor resister out and look and see it the door opens and closes and the close one side to see if the air comes out the vents much better than it has been. This I will do when I get the blend door part today from Amazon. This is really driving me nuts. Yesterday I was out and I turned the A/C on and hot air was coming out and at the foot well. Nuts hu? This morning I turned the a/c on and cold air came out. Man, it this really driving me up the wall. Any thoughts on what I was going to do? My last resort is to tilt the dash and follow my son's advice and make him happy to prove his point and my loss on this one if he is right. He knows I like challenges and he likes to prove his point. Will see. Thanks for your time and your answers on this. I hope to get this issue resolved in the next week. And when I do, I owe you more than a drink!
Was this
answer
helpful?
Yes
No
Friday, August 9th, 2024 AT 6:13 AM
Tiny
JACOBANDNICKOLAS
  • MECHANIC
  • 110,192 POSTS
Hi,

The blend air door actuator won't prevent airflow or change the direction 0f the airflow. Based on the airflow change when the engine is under load, that tells me it is a vacuum related issue.

As far as a relearn, do what you indicated if needed. You should be able to just replace it on this vehicle.

Let me know.

Joe
Was this
answer
helpful?
Yes
No
+1
Friday, August 9th, 2024 AT 1:42 PM
Tiny
JOE THE MARINE
  • MEMBER
  • 86 POSTS
Ok, back in action. Well, I solved the problem of the weak air flow from the vents. It took time omn my end, son didnt help, checked on alot of YouTubes and came across a video of blower motors by accident. Iwatch it and tryed it and bam, it works. Guess you never guess. Reverse the 2 wires that go into the blower mower! Inever knew it was sucking in air, not blowing it. Once I did that. Holy molley, that god, poped open a beer and ordered a pizza and enjoyed myself. Now, all I have to do is put the new blend door actuator on inside the glove box. Here is the last and final question for you. Do I have to caliber this once its in? I have the manual havc.? All yours now, will wait for a follow up. Tks
Was this
answer
helpful?
Yes
No
Tuesday, August 13th, 2024 AT 5:18 PM
Tiny
JACOBANDNICKOLAS
  • MECHANIC
  • 110,192 POSTS
Hi,

LOL! I'm glad you got it working. How did the wires get switched? That certainly would change the polarity from the battery and cause the motor to run backwards, but I would think the connector should have prevented it from happening.

As far as a relearn or the actuator, it should do it when power is sent to it automatically.

Let me know how things work out for you.

Joe
Was this
answer
helpful?
Yes
No
+1
Tuesday, August 13th, 2024 AT 8:35 PM
Tiny
JACOBANDNICKOLAS
  • MECHANIC
  • 110,192 POSTS
Joe,

It sounds like we live the same life. Nothing ever is simple for me as well. Regardless, if I was of any help, I'm glad and you are very welcome. Please feel free to come back anytime in the future. You are always welcome here.

Take care,

Joe
Was this
answer
helpful?
Yes
No
+1
Wednesday, August 14th, 2024 AT 9:04 PM
Tiny
JOE THE MARINE
  • MEMBER
  • 86 POSTS
Running smooth and will never know how the wires got switch, all was a plug in the back of the blower motor and when I reverse the wires, bingo, full force air, back to normal. I will never know, and now, as long as its working. Thanks again. Will be back if any other problems arise.
Was this
answer
helpful?
Yes
No
Thursday, August 15th, 2024 AT 5:27 PM

Please login or register to post a reply.