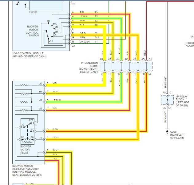
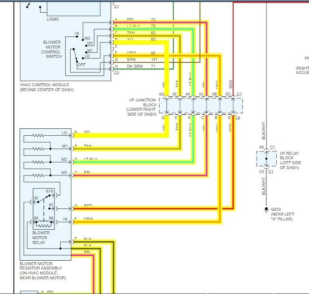
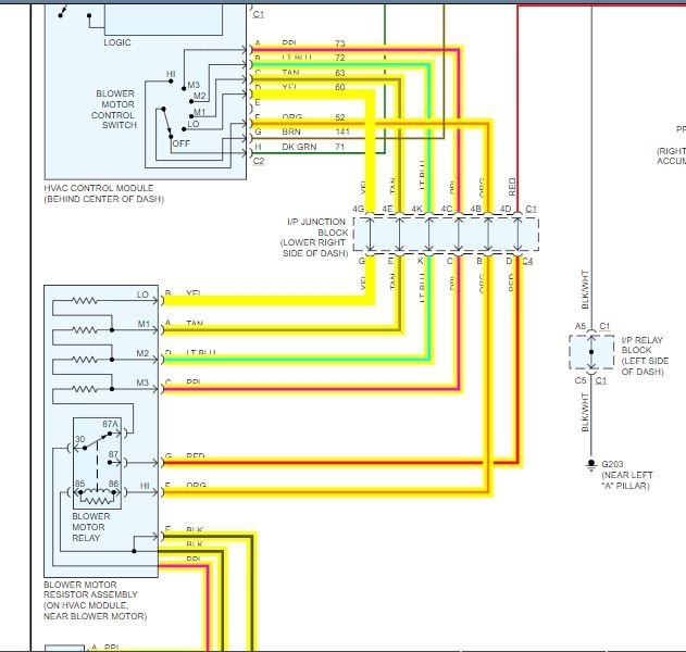
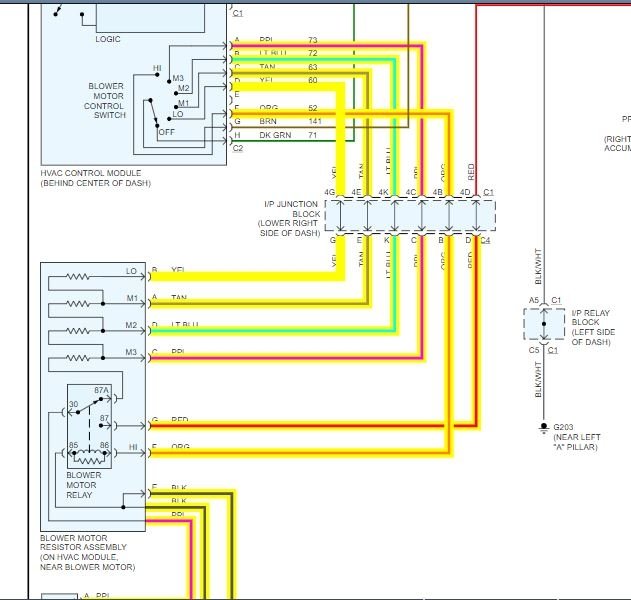
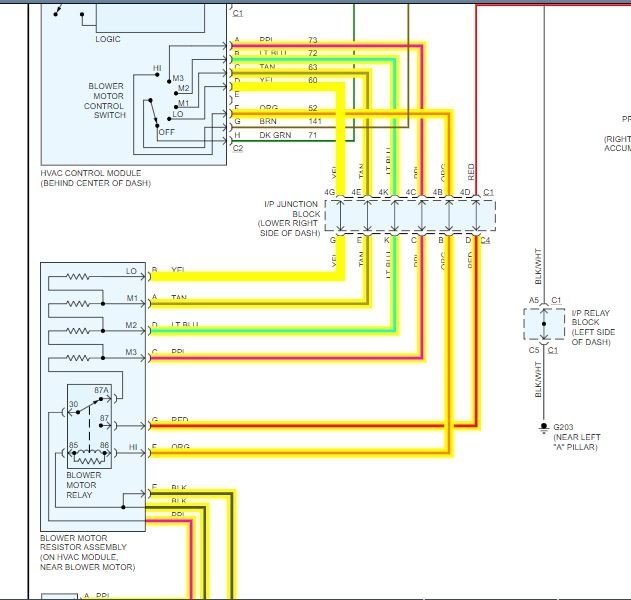
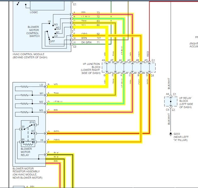
Power to blower motor resistor is good. Ground is good and I added a piggy back line off of it to ensure. Purple variable voltage line leaving control module has power and adjusts with increase and decrease of speed setting.
voltage leaving blower motor resistor reads 12 volts constant. When I plug in the blower motor I get nothing.
i jumped the blower motor using a different ground lead and the positive resistor terminal. Blower motor turns on.
Friday, April 17th, 2020 AT 11:15 AM




