Saturday, October 14th, 2017 AT 1:19 PM
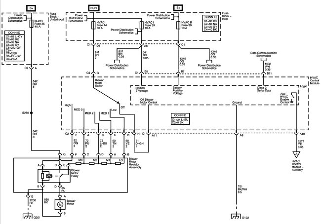
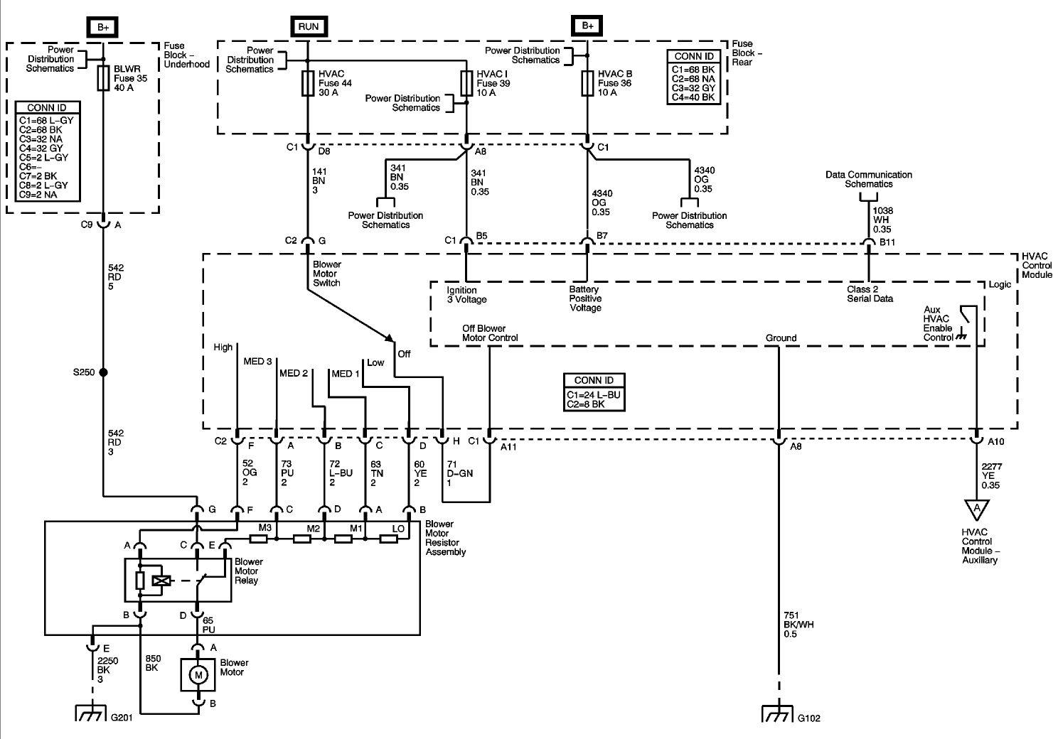
The dash indicator lights come on when you turn the blower fan to one to four and blower will not turn on. But lights shut off when you turn it to five and the fan comes on. I have replaced the blower and the resistor now I am at a loss. Please help I need truck badly. Thank you



