Blower motor and relay

Tiny
JOBYHUX
  • MEMBER
  • 1995 ISUZU TRUCK
  • 2.3L
  • 4 CYL
  • 2WD
  • MANUAL
  • 178,532 MILES
An aftermarket alarm was wired in prior to my purchase of the vehicle. It was a disaster of a wiring job, so I removed and fixed all wires to factory. Upon fixing the steering column wiring, I noticed a red/black wire from the turn signal switch (which seems to be for the headlights) is completely burnt. The wire is still making contact and working but the blower motor relay has completely burnt terminals. The blower motor does not work and all the wires to the motor and resister have signs of over heating.
Wednesday, May 6th, 2020 AT 5:34 PM

17 Replies

Tiny
JACOBANDNICKOLAS
  • MECHANIC
  • 110,194 POSTS
Hi,

What you described is likely caused by a blower motor that is drawing too much power or the connections are poor causing an arcing of power, which in turn causes excessive heat. What I suggest is to replace all damaged wiring or at a minimum, insulate them. Next, clean all connectors what appear overheated and make sure a good connection is made. Last, I would recommend replacing the blower motor because it is the likely cause of the issues.

___________________________________

Take a look through this link. It explains what causes a blower motor to fail and in general how to test one and replace one.

https://www.2carpros.com/articles/blower-fan-motor-works-on-high-speed-only

__________________________________

If you find the motor is the culprit, here are directions specific to your vehicle.

1995 Isuzu Truck Pickup 2WD L4-2.3L (4ZD1)
Removal and Installation
Vehicle Heating and Air Conditioning Blower Motor Service and Repair Procedures Removal and Installation
REMOVAL AND INSTALLATION
1. On models equipped with airbag system, refer to Technician Safety Information for system disarming and arming procedures.
2. Disconnect battery ground cable, then disconnect electrical connector from blower motor.
3. Remove blower motor cover to housing attaching screws.
4. Remove cover, motor and impeller assembly from blower unit.
5. Remove snap ring securing impeller, spacer and impeller.
6. Reverse procedure to install. Use spacer to maintain proper clearance.
7. On models equipped with airbag system, refer to Technician Safety Information for system disarming and arming procedures.

________________________________

Let me know if this helps or if you have other questions.

Take care,
Joe

Was this
answer
helpful?
Yes
No
Wednesday, May 6th, 2020 AT 8:51 PM
Tiny
JOBYHUX
  • MEMBER
  • 9 POSTS
Okay. Thank you for the reply. I wasn’t sure if the blower motor relay was some how connected to the poor wiring job of the aftermarket alarm since the turn signal switch wire was burnt as well.

Upon more diagnosing, I found that all wires coming from heater switch are grounded when key is on, along with all wires coming from heater resistor except for the blue/black wire coming from resistor to blower motor plug. It is completely dead.
Was this
answer
helpful?
Yes
No
Wednesday, May 6th, 2020 AT 8:59 PM
Tiny
JACOBANDNICKOLAS
  • MECHANIC
  • 110,194 POSTS
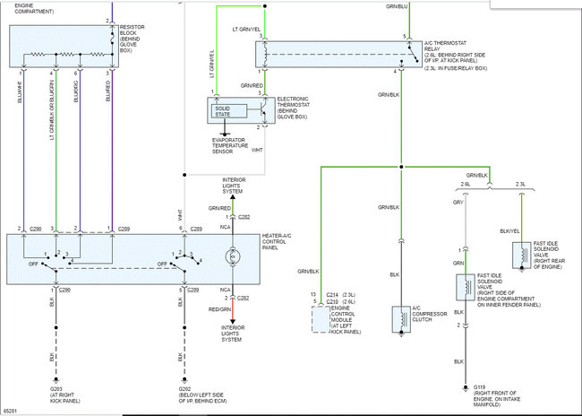
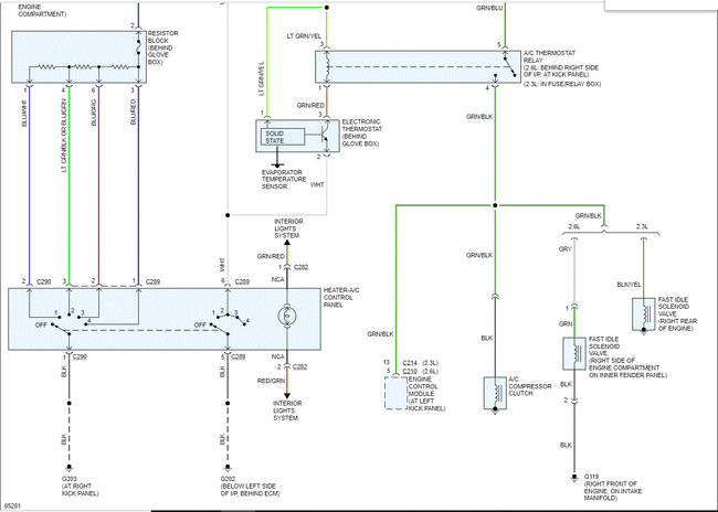
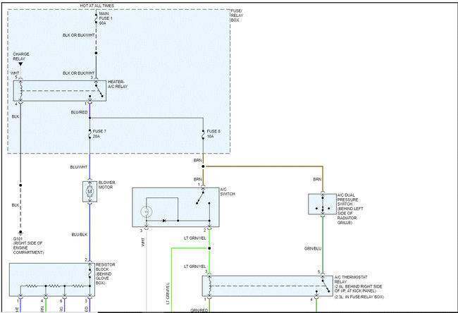
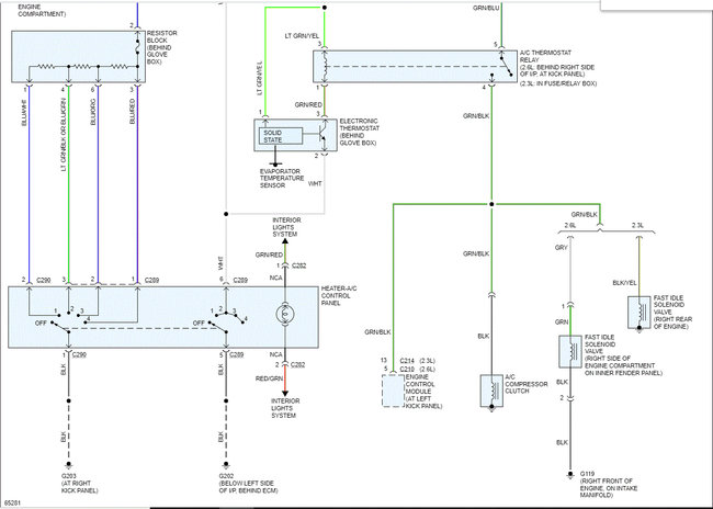
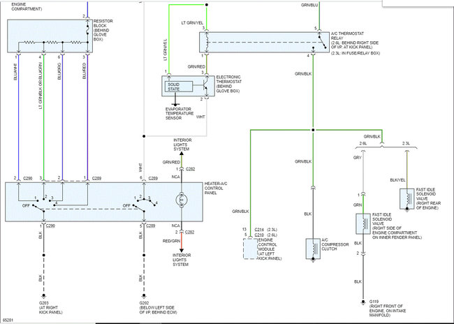
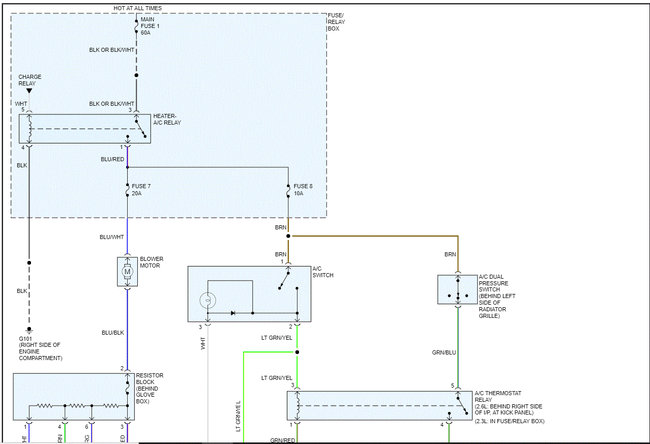
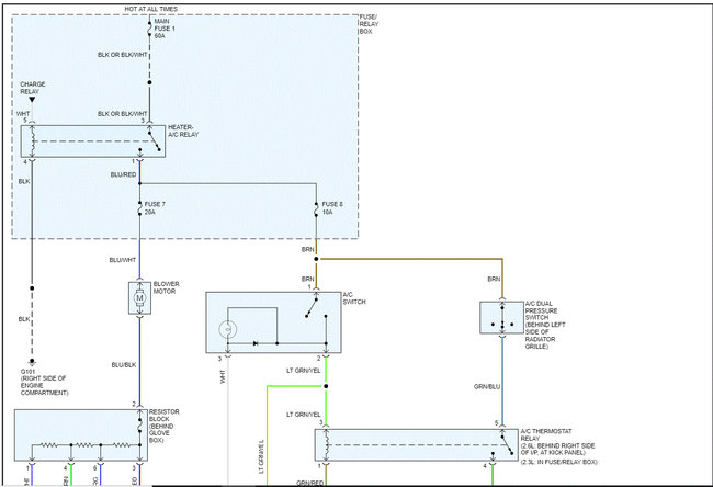
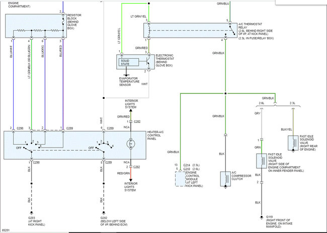
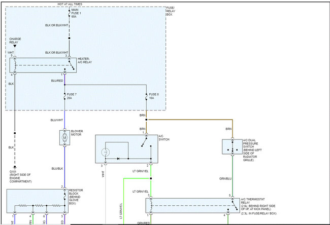
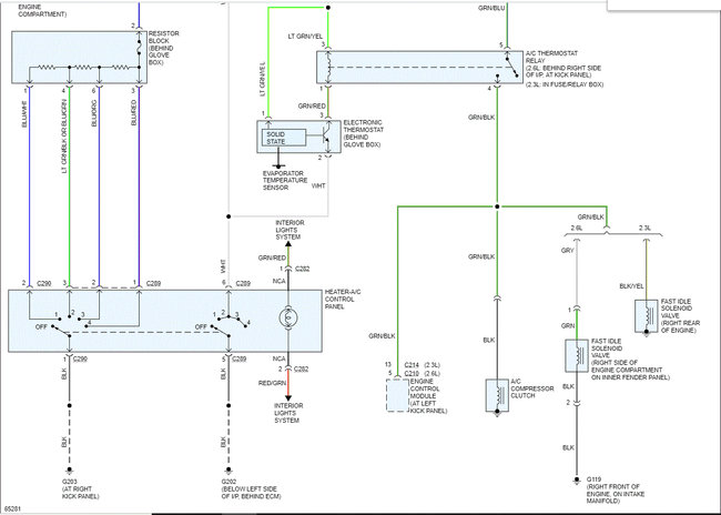
I attached a wiring schematic below. If you are checking between the motor and the switch, you should have ground to all. The power to the motor is through the relay to the motor, and then through a resister at the switch. Then ground is after the switch. Is that how you are checking it? As far as the blue/black wire, that should have power. Is there power to the going into the blower motor? If not, check fuse 7 in the fuse/relay box.

Let me know.
Joe
Was this
answer
helpful?
Yes
No
Thursday, May 7th, 2020 AT 7:25 AM
Tiny
JOBYHUX
  • MEMBER
  • 9 POSTS
Okay, I was looking at it half backwards. Blue/white from fuse to motor has power, so does blue/black wire from motor to resistor. I thought blue/black was suppose to be ground from resistor to motor. So sounds like a faulty resistor.

One more issue. Upon further diagnosing of the burnt terminals on the heater relay, I took the fuse block apart and the heater relay wires have been cut off completely. There is no sign of the original wires to the heater relay, so I will tear into the wire loom to hunt them down. Do you have a wiring schematic of how this relay is to be wired?
Was this
answer
helpful?
Yes
No
Thursday, May 7th, 2020 AT 8:03 AM
Tiny
JACOBANDNICKOLAS
  • MECHANIC
  • 110,194 POSTS
Hi,

I attached everything I have on the wiring for this circuit. Let me know if it helps.

Joe
Was this
answer
helpful?
Yes
No
Thursday, May 7th, 2020 AT 8:58 AM
Tiny
JOBYHUX
  • MEMBER
  • 9 POSTS
From what I can tell, the heater and A/C relays were linked together from the factory. The blower motor must have faulted and caused the heater relay to burn up, so someone cut the wires from the heater relay, put on new terminals (which are; white, black/white and blue/red) then plug them into the A/C relay.
Was this
answer
helpful?
Yes
No
Thursday, May 7th, 2020 AT 10:19 AM
Tiny
JACOBANDNICKOLAS
  • MECHANIC
  • 110,194 POSTS
Wow. Where do we start. If they took power from the A/C relay, the only time the blower motor would work would be with the A/C on. (I think? I'm trying to picture what has been done.)

Are you able to rewire it using the schematics I provided?

Let me know.
Joe
Was this
answer
helpful?
Yes
No
Thursday, May 7th, 2020 AT 9:06 PM
Tiny
JOBYHUX
  • MEMBER
  • 9 POSTS
I could but I’m not sure how the heater - A/C relays were originally connected together. My local junk yard only has one pick-up but it’s carbureted, so the wiring under the fuse block is different. The blower motor on my truck is still getting power but from the main fuse#2, which is a 30a. From what I can tell, that is factory set up, just missing the relay in between. The heater relay was suppose to get its power from main fuse#1, which is a 60a but all those wires are now on a/c relay. So I guess the question would be, what all did the A/C relay have on it originally?
Was this
answer
helpful?
Yes
No
Thursday, May 7th, 2020 AT 9:48 PM
Tiny
JACOBANDNICKOLAS
  • MECHANIC
  • 110,194 POSTS
Let me understand. You have power to the blower? Does power make it to the switch?
Was this
answer
helpful?
Yes
No
Saturday, May 9th, 2020 AT 7:44 PM
Tiny
JOBYHUX
  • MEMBER
  • 9 POSTS
Power to blower and power to resister but nothing to switch, which points to a bad resistor. It was wasn’t long after I bought the truck that the blower quit working. So I’ve just been scratching my head as to why the heater relay was completely cut out and the wires repaired and relocated to a/c relay. I'm just trying to make sure there is no other underlying problem that I may be overlooking.
Was this
answer
helpful?
Yes
No
Saturday, May 9th, 2020 AT 7:58 PM
Tiny
JACOBANDNICKOLAS
  • MECHANIC
  • 110,194 POSTS
Honestly, not being there with you makes this really hard. I hope you understand. If you have power to the resistor, there should be power out for high speed operation unless everything inside has fried.

Is there power out of the resister at any point?

Joe
Was this
answer
helpful?
Yes
No
Saturday, May 9th, 2020 AT 8:46 PM
Tiny
JOBYHUX
  • MEMBER
  • 9 POSTS
No, there is no power out of resistor. Not even high speed. I took the switch apart and everything seems to be normal. I’ll replace the resistor and see what happens next.
Was this
answer
helpful?
Yes
No
Sunday, May 10th, 2020 AT 7:34 AM
Tiny
JACOBANDNICKOLAS
  • MECHANIC
  • 110,194 POSTS
That sounds like where the problem is. Since you have power in and nothing out, something has failed.

I don't know if you want it, but I attached a pic below indicating how to check resistance in the relay. You may want to do this prior to replacement.

Let me know how things work out for you.

Joe
Was this
answer
helpful?
Yes
No
Sunday, May 10th, 2020 AT 8:38 PM
Tiny
JOBYHUX
  • MEMBER
  • 9 POSTS
I appreciate all the help!
Was this
answer
helpful?
Yes
No
Monday, May 11th, 2020 AT 9:06 AM
Tiny
JACOBANDNICKOLAS
  • MECHANIC
  • 110,194 POSTS
You are very welcome. I just hope something I provided was actually helpful. LOL It honestly sounds like you have your hands full. Let me know if I can help, if you have other questions, and when you get it working again.

Take care,
Joe
Was this
answer
helpful?
Yes
No
Monday, May 11th, 2020 AT 7:21 PM
Tiny
JOBYHUX
  • MEMBER
  • 9 POSTS
The wiring diagrams definitely helped. Now I know where the wiring issue it. Maybe it’ll all work fine without the heater relay. This truck is more of a restoration project than a everyday vehicle, but I still would like it to be correct. So thanks again!
Was this
answer
helpful?
Yes
No
Monday, May 11th, 2020 AT 7:55 PM
Tiny
JACOBANDNICKOLAS
  • MECHANIC
  • 110,194 POSTS
Happy to help.

Take care of yourself and let us know if you have questions in the future.

JOe
Was this
answer
helpful?
Yes
No
Monday, May 11th, 2020 AT 8:22 PM

Please login or register to post a reply.