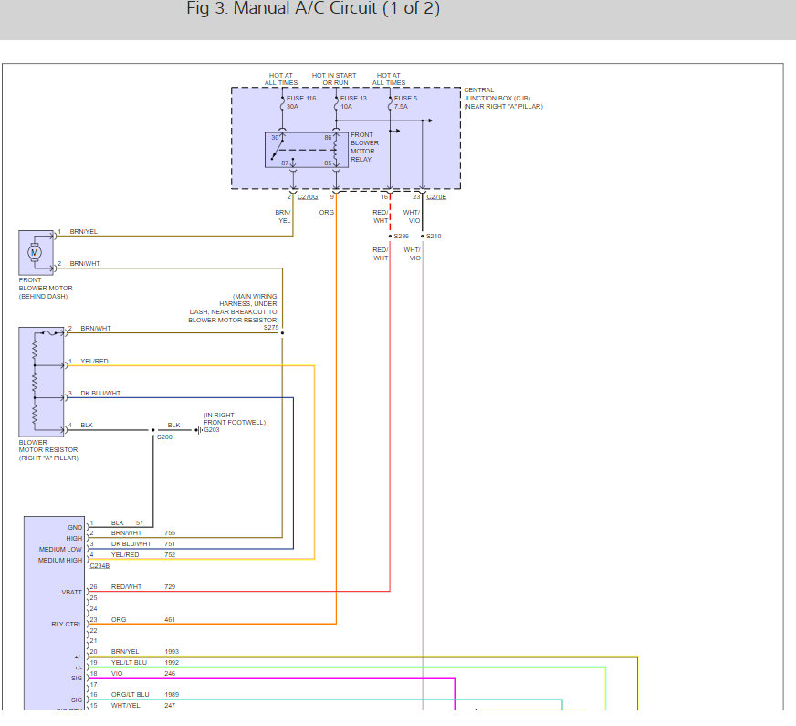
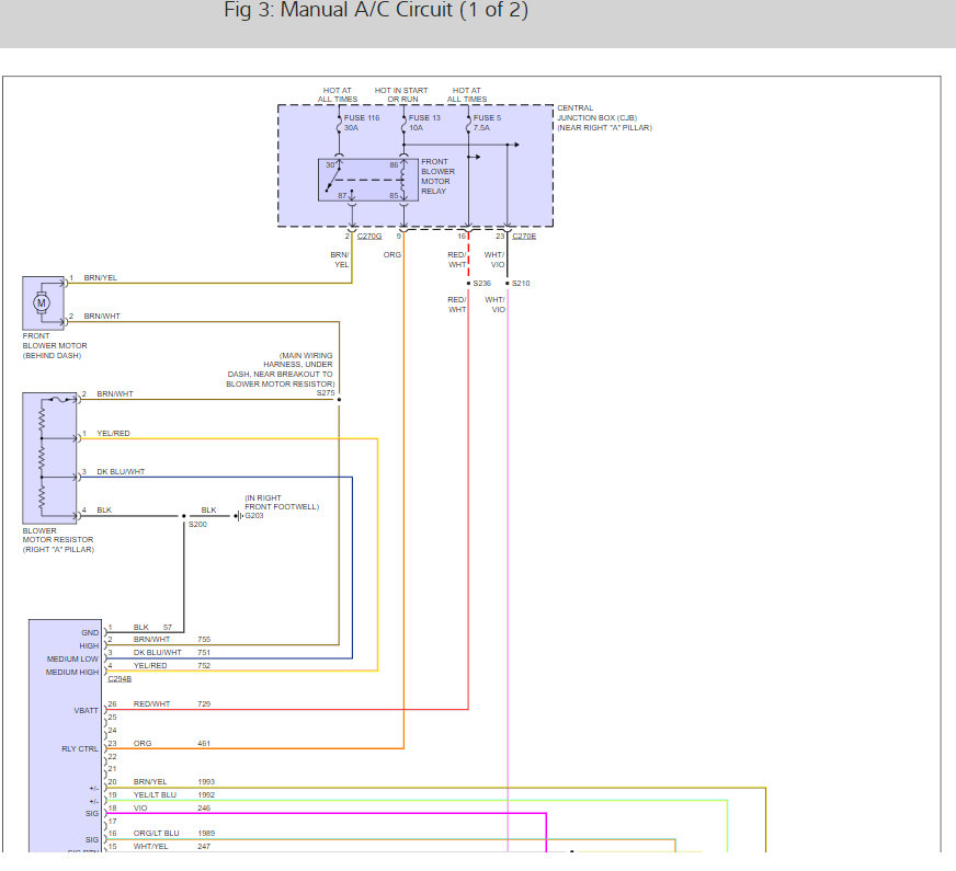
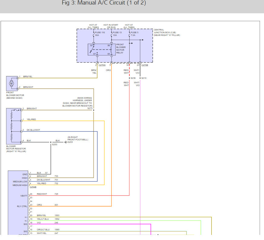
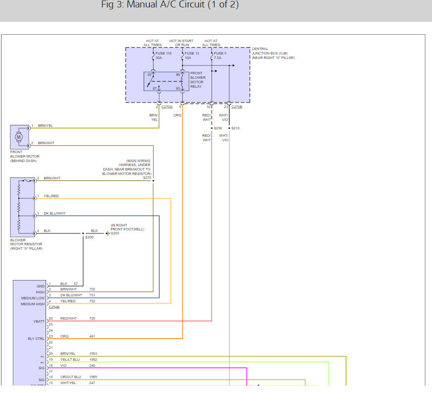
Monday, August 13th, 2018 AT 11:05 AM
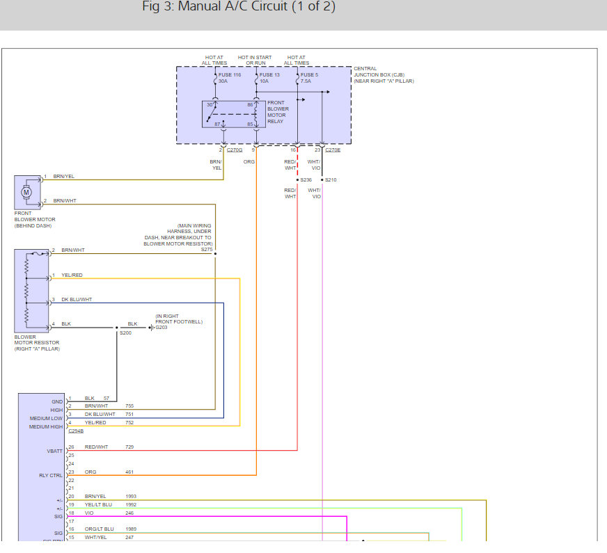
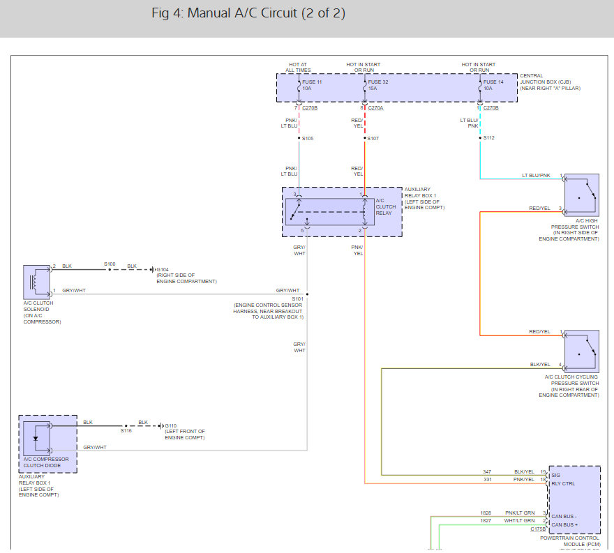
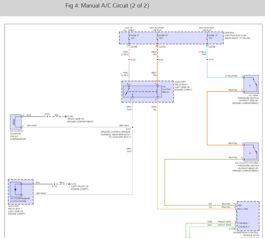
I have the manual AC/heat with three switches (blower speed, heat/cool, and diverter/on off switch. It is the last one I am having the problem with when I turn it either way the blower will start to operate than a relay will turn it and the lighter, power port off. Turning it back off the relay will reset and power will be back on to these items






