Blower motor not working properly

Tiny
BLUEMAN1
  • MEMBER
  • 2008 JEEP WRANGLER
  • 3.8L
  • 6 CYL
  • 4WD
  • AUTOMATIC
  • 80,000 MILES
Only runs on low or not at all.
Friday, February 21st, 2020 AT 10:03 AM

8 Replies

Tiny
ASEMASTER6371
  • MECHANIC
  • 52,796 POSTS
Good afternoon.

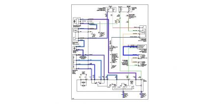
The blower resistor is what controls the speeds. I attached a picture and a procedure for you. It is behind the glove box. Check out the diagrams (Below). Please let us know if you need anything else to get the problem fixed.

Roy
Was this
answer
helpful?
Yes
No
Friday, February 21st, 2020 AT 10:30 AM
Tiny
BLUEDOG222
  • MEMBER
  • 2 POSTS
  • 2000 JEEP WRANGLER
  • 4 CYL
  • 4WD
  • MANUAL
  • 125,000 MILES
Timeline of Events:

1. Fan Stopped Working. Heat is present, just no blower (At all speeds).
2. Checked fuses, resistor, and relay. ALL 100% Functional. (Checked with good fuses, for resistor used a meter).
3. Checked switch. Which I broke during removal, so I replaced with a new one.
4. WORKED immediately with a new switch! I was happy and proud that I fixed the problem.
5. 3 Days of a warm Jeep. Suddenly NO fan again. Nothing.
6. Cold Jeep
7. Took it to local garage. Good Guys. They checked everything I did. Saying "Better off at the dealer". Could be the Blower Motor they say.
8. Called for estimate from Dealership. $526.00 Bux.
No. Recession, Man.
9. Typing here now. Hoping someone has some help or any ideas. Is it a blower motor, even though it worked fine a week ago? OR why are the switches failing?

I have replaced an exhaust manifold on this Jeep, and that is the extent of my ability to do things myself other than routine maintenance. Is this something I would want to do myself?

But first off, what is going on here?

Thanks!

Mike
Was this
answer
helpful?
Yes
No
Wednesday, December 30th, 2020 AT 11:35 AM (Merged)
Tiny
RASMATAZ
  • MECHANIC
  • 75,992 POSTS
If you can do 2/3 why not the blower motor-go find it and splice into the dark green wire on it-and power it from the battery positive terminal see if it comes On-make sure the fan switch is on. Let me know

If unreadable give me your email addy


https://www.2carpros.com/forum/automotive_pictures/12900_blower_motor_7.jpg

Was this
answer
helpful?
Yes
No
Wednesday, December 30th, 2020 AT 11:35 AM (Merged)
Tiny
BLUEDOG222
  • MEMBER
  • 2 POSTS
Hey thanks for the response!

Cant read the image though, try sending it to msullivan222@gmail. Com.

Thanks again!
Was this
answer
helpful?
Yes
No
Wednesday, December 30th, 2020 AT 11:35 AM (Merged)
Tiny
RASMATAZ
  • MECHANIC
  • 75,992 POSTS
Will do sending it now
Was this
answer
helpful?
Yes
No
Wednesday, December 30th, 2020 AT 11:36 AM (Merged)
Tiny
MMCD010
  • MEMBER
  • 2 POSTS
  • 1999 JEEP WRANGLER
  • 4 CYL
  • 4WD
  • MANUAL
  • 100,000 MILES
I try to turn on the heat and get no response. Was wondering if it could be a fuse or if there was a way for me to figure out what the problem is.
Was this
answer
helpful?
Yes
No
Wednesday, December 30th, 2020 AT 11:36 AM (Merged)
Tiny
RASMATAZ
  • MECHANIC
  • 75,992 POSTS
Check fuse no.11 40amp and blower motor relay
Was this
answer
helpful?
Yes
No
Wednesday, December 30th, 2020 AT 11:36 AM (Merged)
Tiny
MMCD010
  • MEMBER
  • 2 POSTS
Thank you for the quick response time. I checked the #11 fuse and it looked ok. What is the blower motor relay?
Was this
answer
helpful?
Yes
No
+1
Wednesday, December 30th, 2020 AT 11:36 AM (Merged)

Please login or register to post a reply.