Blower does not work except with the windows down

Tiny
FREDY01
  • MEMBER
  • 1997 LEXUS ES 300
  • 6 CYL
  • 2WD
  • AUTOMATIC
  • 220,000 MILES
The blower for my car only works in one scenario that I am aware of: when I am driving ~40 MPH or faster with my windows rolled down and the fresh air and auto buttons pressed. (I have tried this while attempting to heat the car, not cool it down.)

Other than that, warm air only leaks out of the vents and I don't believe the blower is on at all.

I do not get any error codes when running the diagnostics.

I can try replacing the resistor if you think it is best to start there. My only other hint is that there might be an issue with the ground since I get feedback through my speakers when pressing the accelerator.

Where should I start?

Thanks
Thursday, January 16th, 2020 AT 1:03 AM

5 Replies

Tiny
ASEMASTER6371
  • MECHANIC
  • 52,796 POSTS
Good morning,

There is no real connection between the 2 systems, They do share ground locations.

I have attached the location of the grounds for the 2 systems. Clean them up with a wire brush and reinstall them and try it.

Roy
Was this
answer
helpful?
Yes
No
+1
Thursday, January 16th, 2020 AT 3:14 AM
Tiny
FREDY01
  • MEMBER
  • 3 POSTS
Thanks, Roy. I'll do this Monday and update the thread.
Was this
answer
helpful?
Yes
No
Thursday, January 16th, 2020 AT 11:27 PM
Tiny
ASEMASTER6371
  • MECHANIC
  • 52,796 POSTS
You are welcome.

Keep us updated.

Roy
Was this
answer
helpful?
Yes
No
+1
Friday, January 17th, 2020 AT 1:25 AM
Tiny
FREDY01
  • MEMBER
  • 3 POSTS
Hi Roy,

It seems I misdiagnosed the problem initially. Air flows through the system while driving with the windows down and fresh air mode active, but the blower does not turn on at all.

I'll use the FSM to diagnose the blower unless you recommend a better way.

Thank you!
Was this
answer
helpful?
Yes
No
Monday, January 20th, 2020 AT 10:29 PM
Tiny
ASEMASTER6371
  • MECHANIC
  • 52,796 POSTS
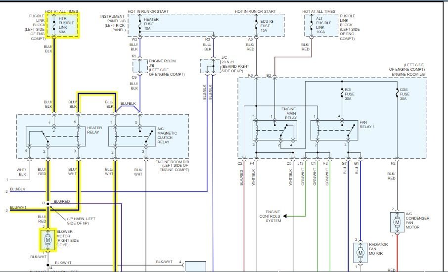
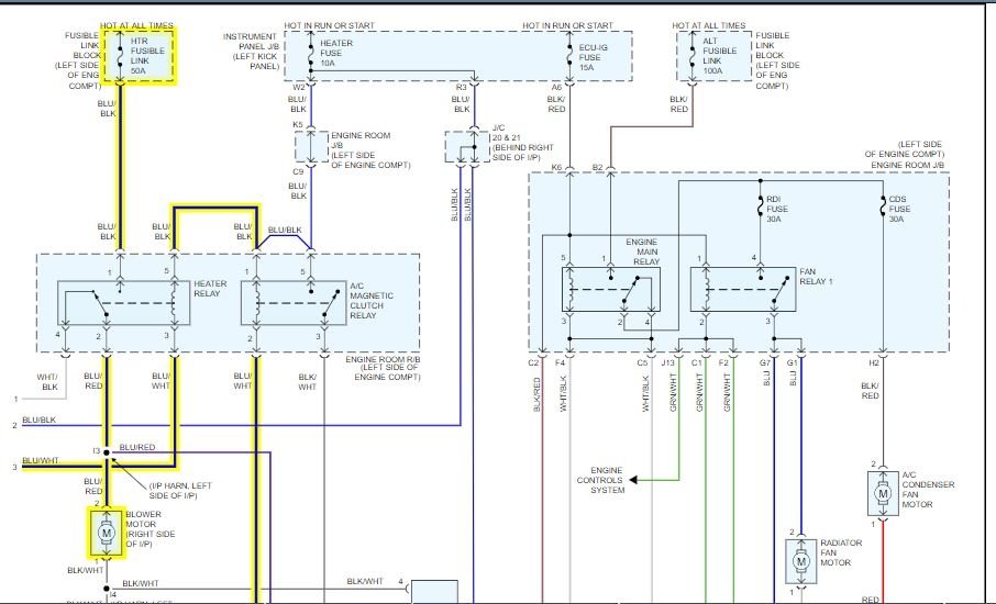
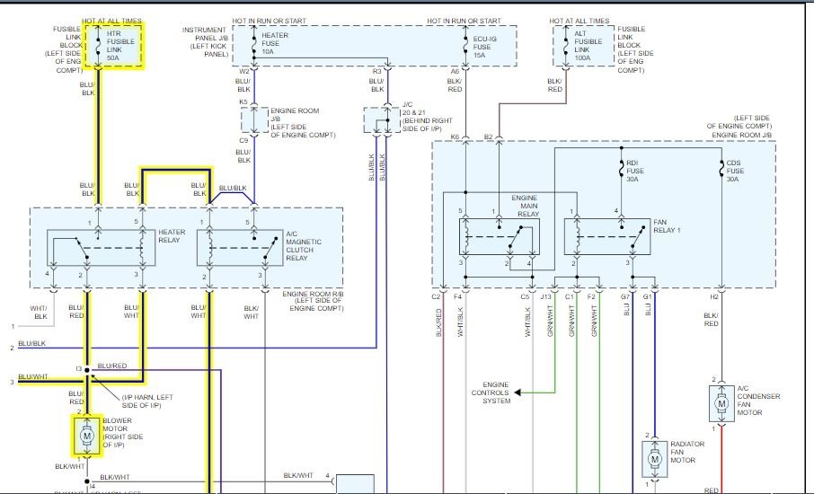
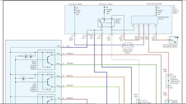
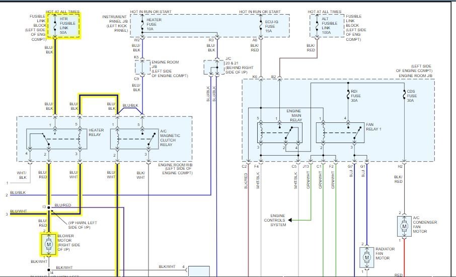
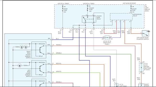
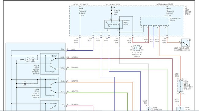
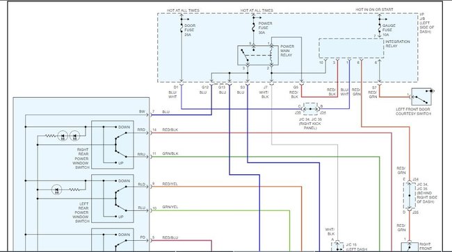
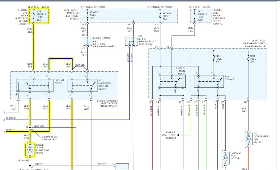
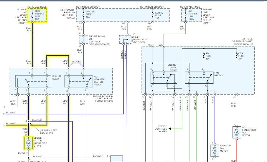
Okay, I attached the wiring diagram for you of the blower motor. You need to verify power to the motor with the key in the on position. There should be power there. After the motor will be the resistor that varies the speeds depending on demand.

I also attached the steps for checking the relay.

Roy

REMOVAL
1. REMOVE THESE PARTS:
a. Cowl side trim RH
b. Front door scuff plate RH
c. No.2 instrument panel under cover
d. Glove compartment
e. W/ CD Auto Changer:
Instrument upper finish panel
f. W/ CD Auto Changer:
CD auto changer
g. Audio amplifier
h. ECM

imageOpen In New TabZoom/Print

2. REMOVE CONNECTOR BRACKET SET SCREWS

3. REMOVE BLOWER UNIT
a. Disconnect the connectors from blower unit.
B. Disconnect the wire harness clamps.
C. Disconnect the evaporator temp. Sensor connector clamp.
D. Remove the 2 screws, bolt and nut, then remove the blower unit.
Was this
answer
helpful?
Yes
No
+1
Tuesday, January 21st, 2020 AT 5:13 AM

Please login or register to post a reply.