HOME
ASK A QUESTION
REPAIR GUIDES
BECOME A MEMBER
LOG IN
Login with Facebook
OR
Remember me
NOT A MEMBER?
FORGOT PASSWORD?
CONTACT US
PRIVACY POLICY
TERMS AND CONDITIONS
☰
Home
Toyota
Camry
Climate Control
Blower Fan
Relay
Blower motor not coming on
JOHNRUBINO
MEMBER
1997 TOYOTA CAMRY
4 CYL
2WD
AUTOMATIC
200,000 MILES
No power at fan. All fuses and relays checked.
Friday, May 24th, 2019 AT 8:45 AM
1 Reply
ASEMASTER6371
MECHANIC
52,796 POSTS
Good afternoon,
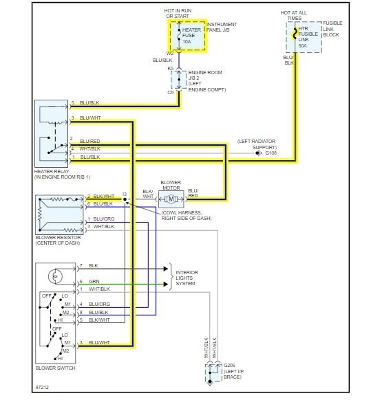
I attached a diagram for you to view. The power to the blower comes from the relay. Can you do some voltage tests at the relay with a test light or volt meter?
Roy
Image (Click to make bigger)
Was this
answer
helpful?
Yes
No
Tuesday, March 16th, 2021 AT 6:38 PM
Please
login
or
register
to post a reply.
Related Blower Fan Relay Content
Toyota Getting Hot
I Have A 98 Toyota Camry, Automatic, 4 Cylinder, 174,000 Miles, No Sounds, No Leaks, Replaced The Bushing In Alternator, And Timing...
Asked by
dnhdnh
·
1 ANSWER
TOYOTA CAMRY
Blower Motor Speed Not Working - Resistor Fan...
The Air Conditioning In My 2001 Camry Works On Medium High And High But Does Not Work On Low And Medium Low. The Medium High And High Work...
Asked by
gorams88
·
1 ANSWER
2 IMAGES
2001
TOYOTA CAMRY
1996 Toyota Camry Blower Not Changing Air Positions
The Ac/heater Works And Fan Blows However The Air Deflection Positions Have Suddenely Stopped Controlling Air Flow To The Various Vents. The...
Asked by
biocamry
·
2 ANSWERS
1996
TOYOTA CAMRY
2001 Toyota Camry Air Conditioner Fan Or Fan Switch
My Air Conditioner Fan Runs Only In The Highest Speed Setting Of The Speed Selector Switch. Would The Problem Most Likely Be In The Switch...
Asked by
joetomei
·
5 ANSWERS
2001
TOYOTA CAMRY
A/c Heater Fan
I Own A 99 Toyota Camry Le With The 2.2l Engine And 160,000 Plus Miles. For Over A Year My Climate Control Fan Would Only Work On Medium Or...
Asked by
dmcentyre
·
1 ANSWER
TOYOTA CAMRY
VIEW MORE
Ask a Car Question. It's Free!
How to Use a Test Light
How to Replace the A/C Blower Motor
Blend Door Actuator Replacement