Blend door issues only with rear vents?

Tiny
MRHEINZE10
  • MEMBER
  • 2001 CHEVROLET TAHOE
  • 5.3L
  • V8
  • 4WD
  • AUTOMATIC
  • 166,000 MILES
I have replaced both actuators up front and have full adjustment ability. My rear HVAC does not have temperature adjustment just fan speed. I pulled off the rear passenger panel to see the system and there was not a blend door or actuator.

When I run heat up front then I turn on the back system the back vents blow ice cold. Did I install it wrong or is there a blend door that is stuck?

Getting frustrated please help!
Wednesday, January 29th, 2025 AT 7:44 PM

3 Replies

Tiny
JACOBANDNICKOLAS
  • MECHANIC
  • 110,194 POSTS
Hi,

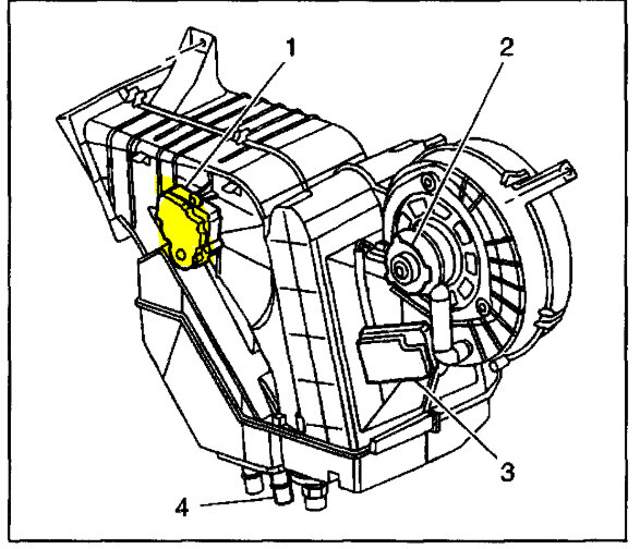
There is an air temperature actuator for the rear HVAC. It is located behind the passenger side rear trim panel.

If you look below, I attached the directions for removing and replacing it. Also, the last pic provided the re-calibration process.

Let me know if this helps.

Take care,

Joe

See pics below.
Was this
answer
helpful?
Yes
No
Wednesday, January 29th, 2025 AT 8:34 PM
Tiny
MRHEINZE10
  • MEMBER
  • 2 POSTS
I took off that panel yesterday and there is no blend door actuator in that area. The controls for the rear are fan speed only.
Was this
answer
helpful?
Yes
No
Thursday, January 30th, 2025 AT 7:26 AM
Tiny
KEN L
  • MASTER CERTIFIED MECHANIC
  • 55,499 POSTS
Has the rear vents ever worked?
Was this
answer
helpful?
Yes
No
Saturday, February 1st, 2025 AT 9:34 AM

Please login or register to post a reply.