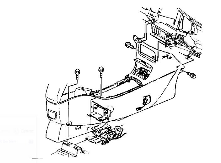
Now, my vehicle has separate driver and passenger HVAC controls. The passenger side works well when switching from cold to hot. But I noticed that the 'passenger control's don't work for the passenger side. The main(drivers side) controls do. Could it be that the lines are crossed and when I fix the problem with the blend door actuator the 'passenger controls will work for the drivers side?
Tuesday, September 24th, 2019 AT 3:26 AM










