Saturday, November 9th, 2019 AT 11:41 AM
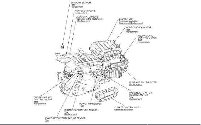
Is there a part between the blend door actuator and control part? Like an arm or rod? To connect. Also I have cold air on the driver side and warm air on the passenger. Could it be the actuator?



