Blend door access

Tiny
STERRAT
  • MEMBER
  • 2002 VOLKSWAGEN PASSAT
  • 0.5L
  • V6
  • 2WD
  • AUTOMATIC
  • 130,000 MILES
How can I verify the position of the heat blend door? I can’t seem to find it?
Monday, November 4th, 2019 AT 10:46 AM

1 Reply

Tiny
MASTERWRENCH
  • MECHANIC
  • 258 POSTS
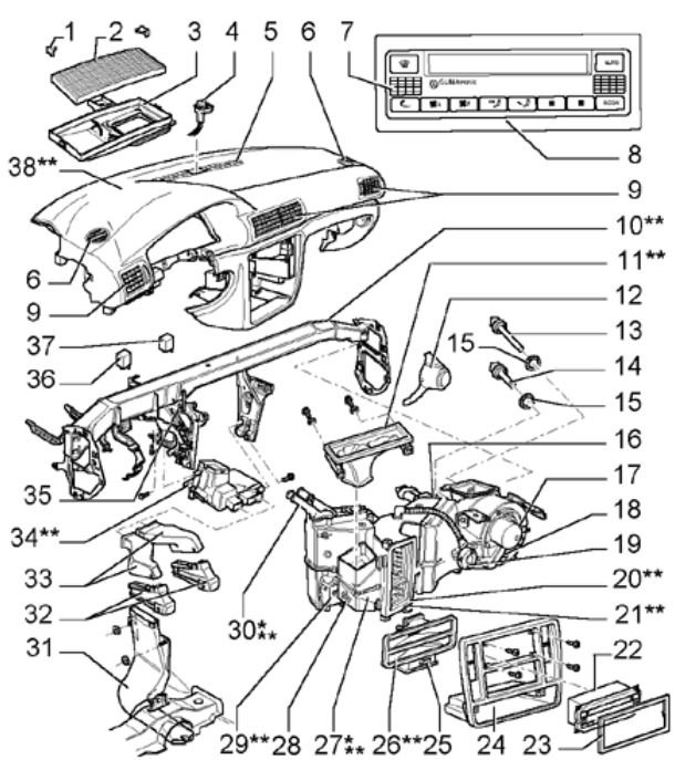
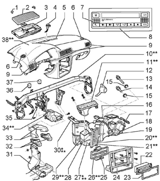
Unfortunately the blend door and actuator are only accessible be removing the entire instrument panel from the vehicle (according to the service manual). Attached is a diagram showing the location of all the heater/air conditioning system components. The blend door is item #20.
Was this
answer
helpful?
Yes
No
Monday, November 4th, 2019 AT 6:28 PM

Please login or register to post a reply.