When heat is on it only blows on drivers side

Tiny
SUSIEQ2321
  • MEMBER
  • 2002 CHEVROLET TRAILBLAZER
  • 6 CYL
  • 4WD
  • AUTOMATIC
  • 107,000 MILES
Cold air only on passenger side. And the heat doesn't blow like it should out of all areas. Had it checked by a mechanic and was told it is the blend door. Actuators are new. How can I fix this myself and in a timely manner? Or how to cut in the bottom of dash and put a board there until spring or summer?
Wednesday, October 16th, 2019 AT 11:38 AM

3 Replies

Tiny
ASEMASTER6371
  • MECHANIC
  • 52,796 POSTS
Good afternoon,

No to cutting a hole. Then you destroyed the case and will spend a lot more money.

Did you remove the passenger actuator and try moving the door by hand?

Roy
Was this
answer
helpful?
Yes
No
Wednesday, October 16th, 2019 AT 1:48 PM
Tiny
SUSIEQ2321
  • MEMBER
  • 2 POSTS
The mechanic did. He took it apart and the blend door is broke. I have a new blend door its just finding someone with the time and the right price to do it for me. I would rather do it myself if I knew how (the cold is fast approaching). The person I bought it from actually disconnected the actuator with thoughts of stopping the cold air from coming thru the passenger side.
Was this
answer
helpful?
Yes
No
Wednesday, October 16th, 2019 AT 7:23 PM
Tiny
ASEMASTER6371
  • MECHANIC
  • 52,796 POSTS
The heater case has to be removed to access the door. Then once you have it out and taken apart, you need to be sure there is no other damage to the case. You may need the case as well.

You have to remove the dashboard to access the heater box to remove it. It pays over 8 hours for this procedure which equates to 800-1000.

Roy

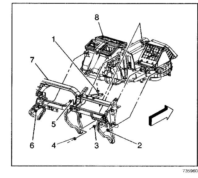
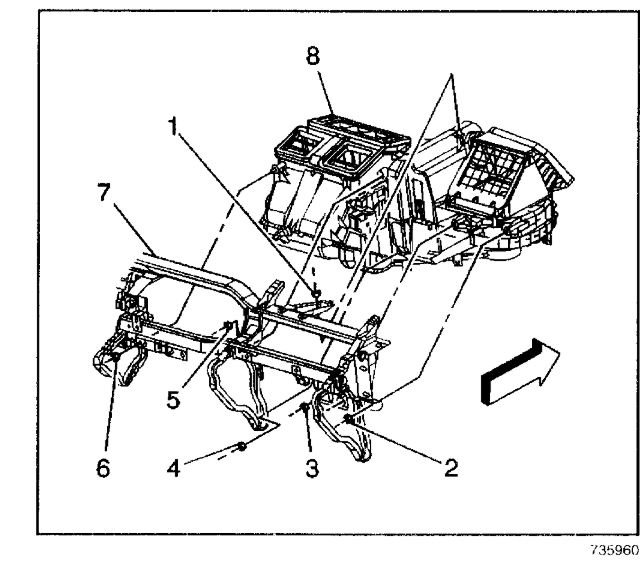
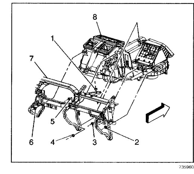
1. Drain the engine coolant. Refer to Draining and Filling Cooling System in Cooling System.
2. Recover the refrigerant. Refer to Refrigerant Recovery and Recharging.
3. Remove the I/P carrier.
4. Reposition the heater hose clamps using J 43181.
5. Disconnect the heater hoses from the heater core.
6. Remove the retaining nut (3) from the accumulator (6) at the evaporator (1).
7. Disconnect the accumulator (6) from the evaporator (1).
8. Disconnect the evaporator tube (4) from the evaporator (1).
9. Disconnect all of the electrical connectors to the HVAC module assembly.
10. Remove the HVAC module assembly.
Was this
answer
helpful?
Yes
No
Wednesday, October 16th, 2019 AT 7:40 PM

Please login or register to post a reply.