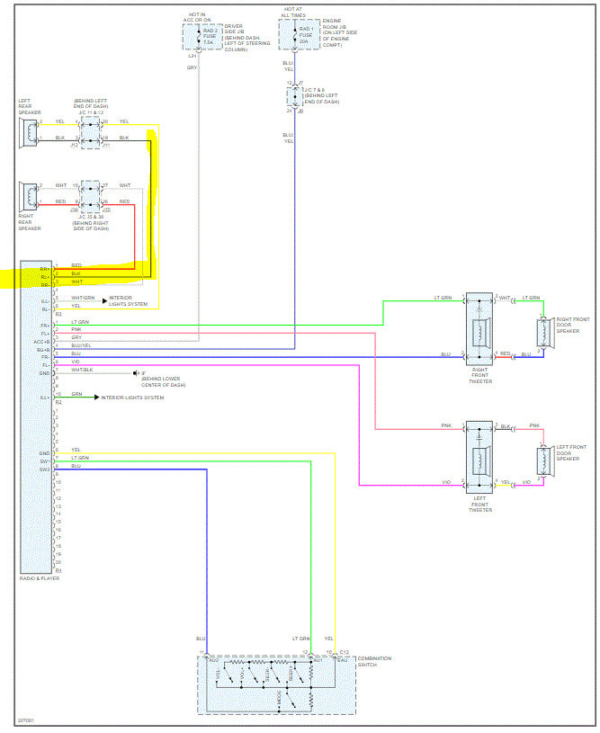
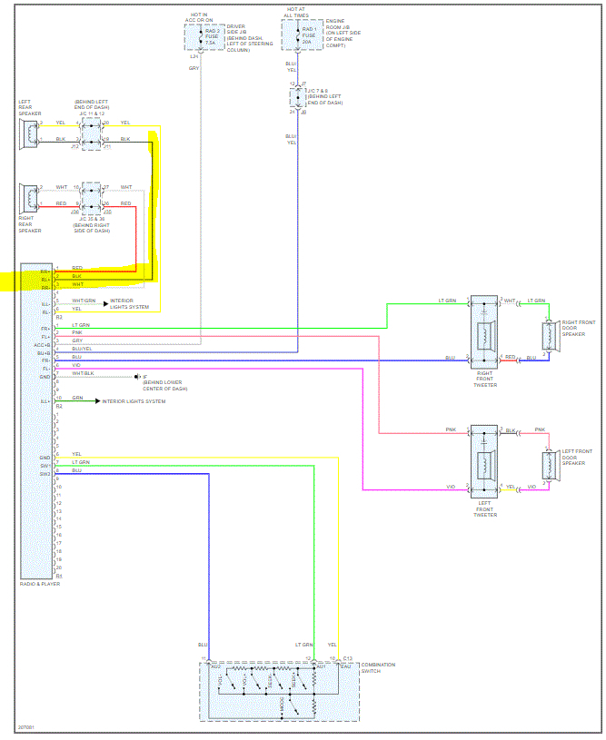
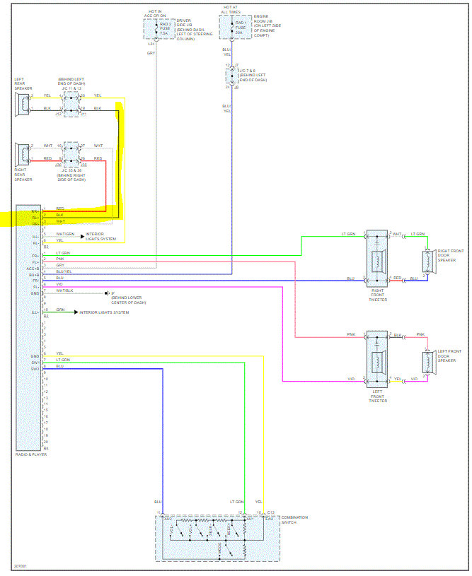
I installed my aftermarket radio and naturally it came with a black ground wire as well as the other necessary wires to connect everything else correctly. Now, I purchased a harness that I had to match wires to connect everything correctly.
Now, the question is, can I splice the black ground wire in another part of the wire to feed ground to another wire. Only because I don't want to undo the first connection I made. The real question I'm asking is, how many wires can I connect to one specific wire at a time.
Now, the question is, can I splice the black ground wire in another part of the wire to feed ground to another wire. Only because I don't want to undo the first connection I made. The real question I'm asking is, how many wires can I connect to one specific wire at a time.
Nov 16, 2020 at 3:43 AM

